GM Service Manual Online
For 1990-2009 cars only
Makes
🢒
Pontiac
🢒
2004
🢒
Matiz
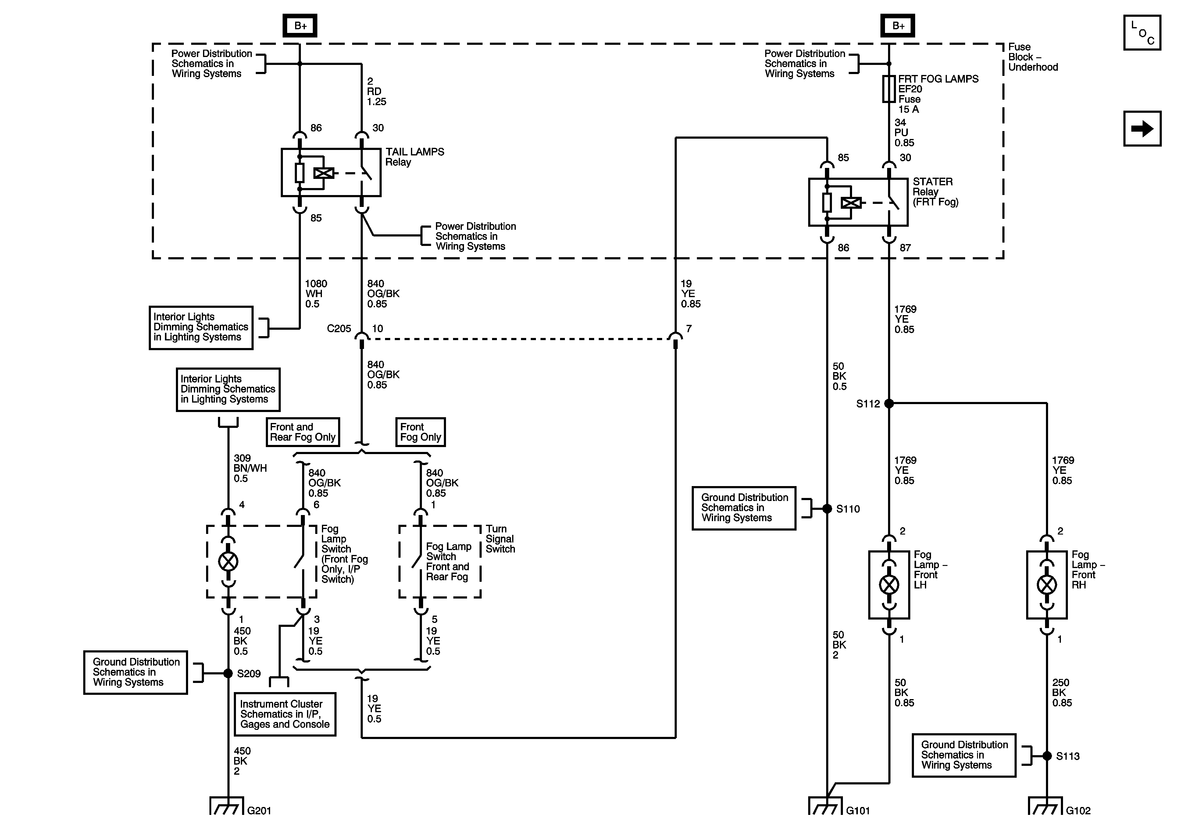
🢒 Front Fog Lamps
Front Fog Lamps
Front Fog Lamps
Master Electrical Component List
Rear Fog Lamps
Underhood Fuse Block - ABS - RH TAIL LAMP, LH TAIL LAMP and HORN Fuses
Underhood Fuse Block (0.8L) - FRONT FOG LAMPS Fuse
Underhood Fuse Block - ABS - RH TAIL LAMP, LH TAIL LAMP and HORN Fuses
Interior Lamps (w/ Dimming Controls)
Interior Lamps (w/ Dimming Controls)
G101
G201 (0.8L)
Instrument Cluster Gages (0.8L Fenix - M/T)
G102