GM Service Manual Online
For 1990-2009 cars only
Makes
🢒
Pontiac
🢒
2004
🢒
Matiz
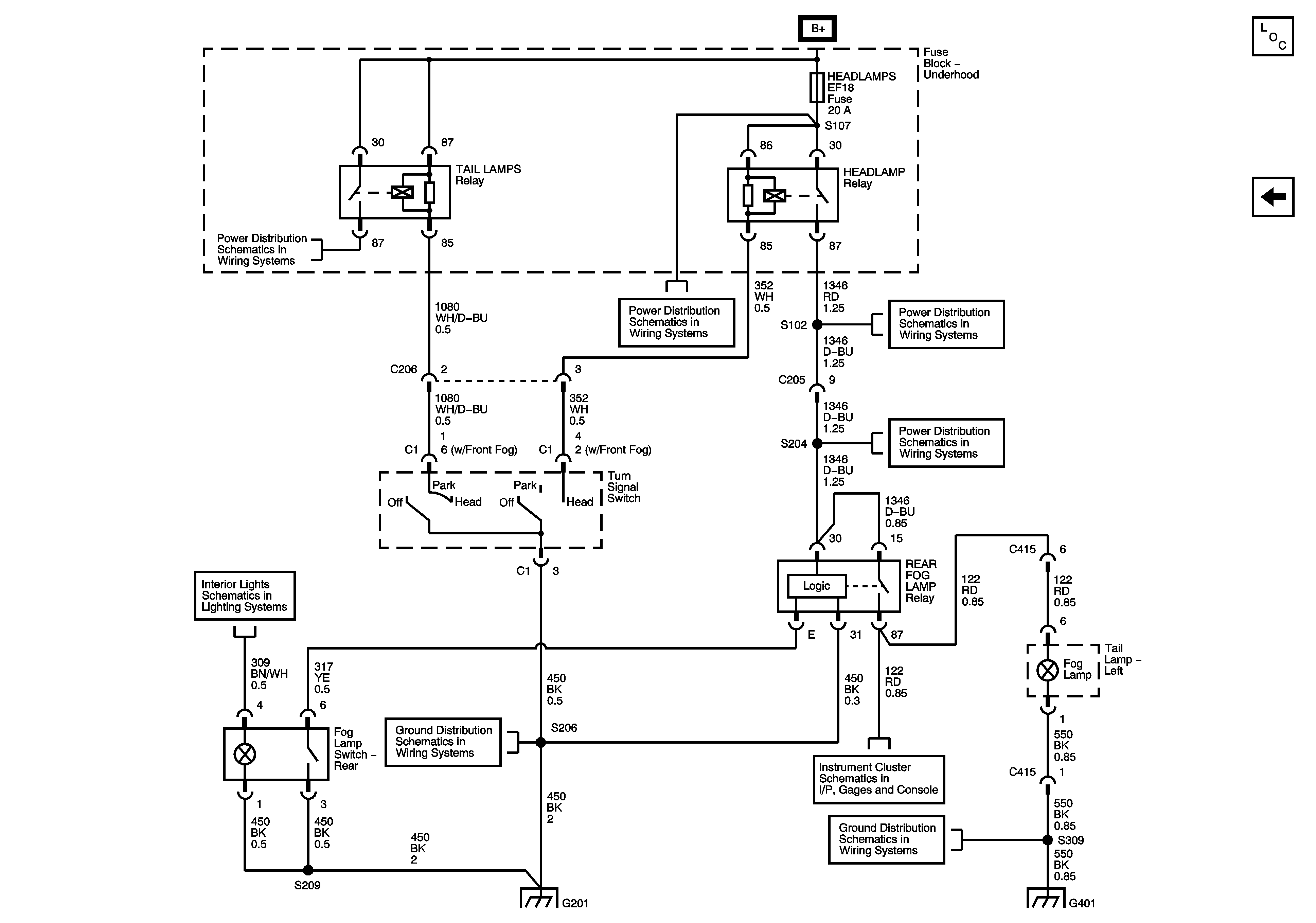
🢒 Rear Fog Lamps
Rear Fog Lamps
Rear Fog Lamps
Master Electrical Component List
Front Fog Lamps
Underhood Fuse Block - ABS - RH TAIL LAMP, LH TAIL LAMP and HORN Fuses
Underhood Fuse Block (0.8L) - HEADLAMPS, LH LO BEAM, RH LO BEAM, LH HI BEAM, and RH HI BEAM Fuses
Underhood Fuse Block (0.8L) - HEADLAMPS, LH LO BEAM, RH LO BEAM, LH HI BEAM, and RH HI BEAM Fuses
Underhood Fuse Block (0.8L) - HEADLAMPS, LH LO BEAM, RH LO BEAM, LH HI BEAM, and RH HI BEAM Fuses
Courtesy Lamps
G201 (0.8L)
Instrument Cluster Gages (0.8L Fenix - M/T)
G401, G402, G403, and G404