GM Service Manual Online
For 1990-2009 cars only
Figure 1:

Indicators and Switches


Object Number: 1829682  Size: FS
Master Electrical Component List
Instrument Cluster Description and Operation
Control Module References
Electronic PRNDL
BCM 2 and BCM 3 Fuses (Underhood Fuse Block), AMP, CLSTR, HVAC/PK3+, and IGN SW/PK3+ Fuses, HVAC Relay (Body Control Module (BCM))
BCM 2 and BCM 3 Fuses (Underhood Fuse Block), AMP, CLSTR, HVAC/PK3+, and IGN SW/PK3+ Fuses, HVAC Relay (Body Control Module (BCM))
Steering Wheel Secondary/Configurable Control Schematics
High Speed LAN
Theft Deterrent Schematics
Low Speed LAN
G103, G304, G105, G104, and G106
Data Link, Ground, MIL, and Power
Data Link, Ground, MIL, and Power
Fuel Controls - Fuel Pump Controls and Fuel Injectors
Fuel Controls - Fuel Pump Controls and Fuel Injectors
Figure 2:

Electronic PRNDL


Object Number: 1829685  Size: FS
Master Electrical Component List
Instrument Cluster Description and Operation
Control Module References
Indicators and Switches
G300 - 2 of 2
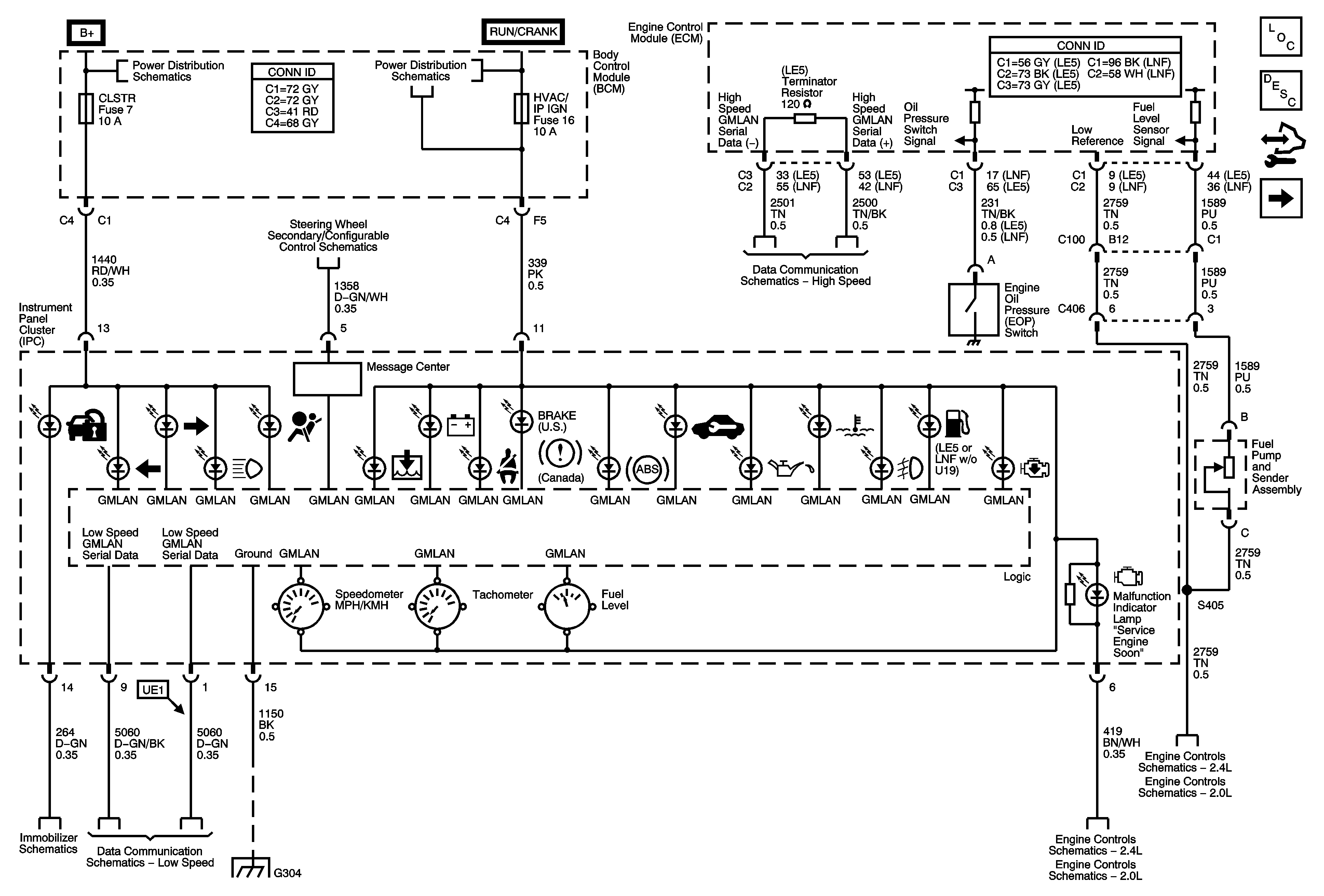
Figure 1:

Instrument Cluster


Object Number: 1871258  Size: FS
Master Electrical Component List
Instrument Cluster Description and Operation
Control Module References
HVAC/PK3, AUDIO AMPLIFIER, WIPERS, HVAC/IP IGN, RESRAINTS, and EPS/SWC Fuses
TANK VENT, OUTLET, IP IGN, BACKUP, ABS, and ECM TRANS Fuses
Lights
Data Communication Schematics
G300 - 2 of 2
Wiper/Washer Schematics
Steering Wheel Secondary/Configurable Control Schematics
G103, G304, G105, G104, and G106
Data Link, Ground, MIL, and Power
Data Link, Ground, MIL, and Power
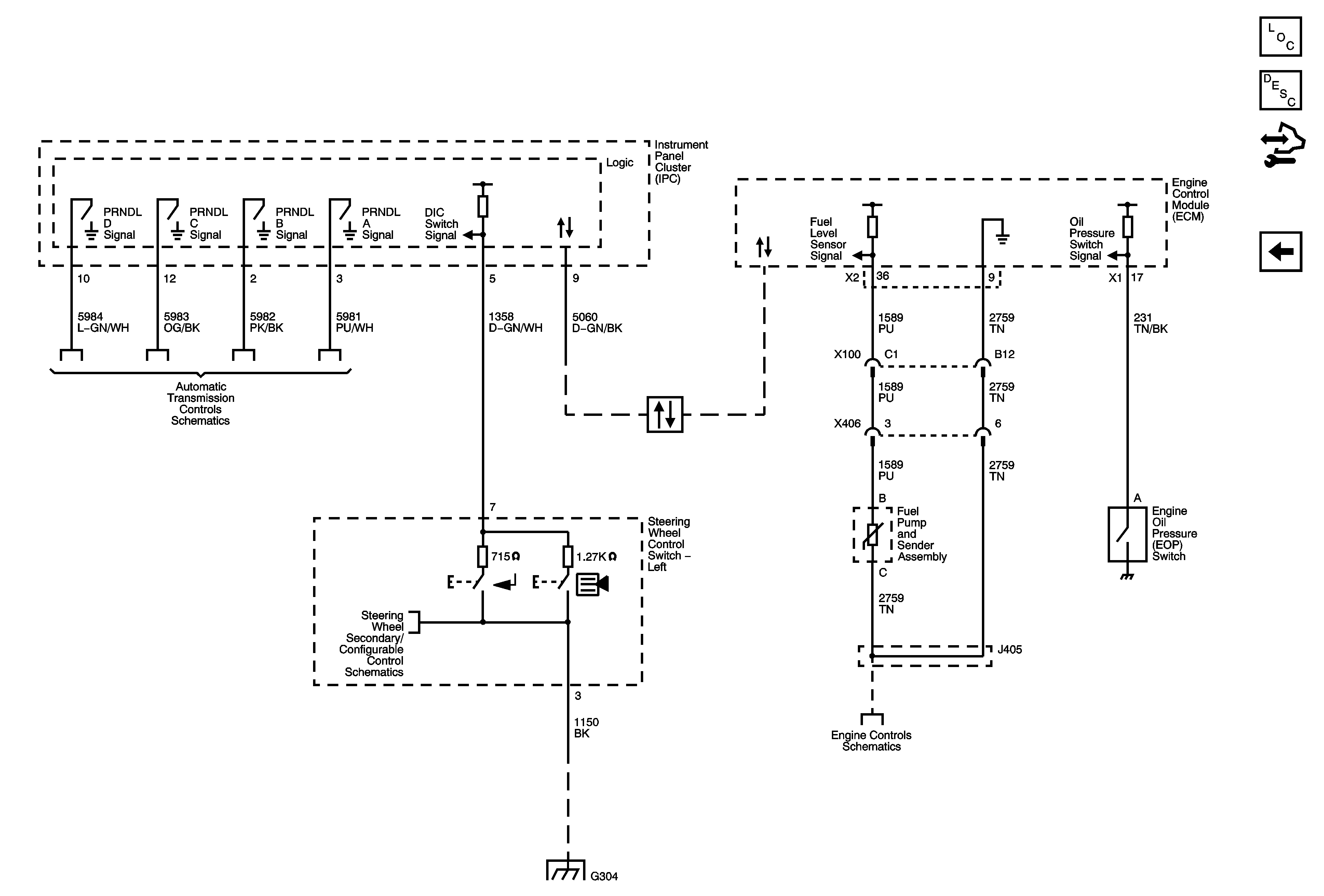
Figure 2:

Switches and Sensors


Object Number: 1872732  Size: FS