GM Service Manual Online
For 1990-2009 cars only
Figure 1:

Power, Ground and Wheel Speed Sensors


Object Number: 1829222  Size: FS
Master Electrical Component List
ABS Description and Operation
Control Module References
Brake Pedal Sensor, Indicator, and Traction Control Switch
B+ Bus Bar - 1 of 2
B+ Bus Bar - 2 of 2
G103, G304, G105, G104, and G106
Figure 2:

Brake Pedal Sensor, Indicator, and Traction Control Switch


Object Number: 1829228  Size: FS
Master Electrical Component List
ABS Description and Operation
Control Module References
Stability Control Sensors (JL4)
Power, Ground, and Wheel Speed Sensors
Low Speed LAN
High Speed LAN
Lights
G300 - 2 of 2
Figure 3:

Stability Control Sensors (JL4)


Object Number: 1844122  Size: FS
Master Electrical Component List
ABS Description and Operation
Control Module References
Brake Pedal Sensor, Indicator, and Traction Control Switch
Antilock Brake System Schematic Icons
Antilock Brake System Schematic Icons
Antilock Brake System Schematic Icons
Figure 1:

Power, Ground and Wheel Speed Sensors


Object Number: 1871227  Size: FS
Master Electrical Component List
ABS Description and Operation
Control Module References
Brake Pedal Sensor, Indicator, and Traction Control Switch
B+ Bus Bar - 1 of 2
B+ Bus Bar - 2 of 2
G103, G304, G105, G104, and G106
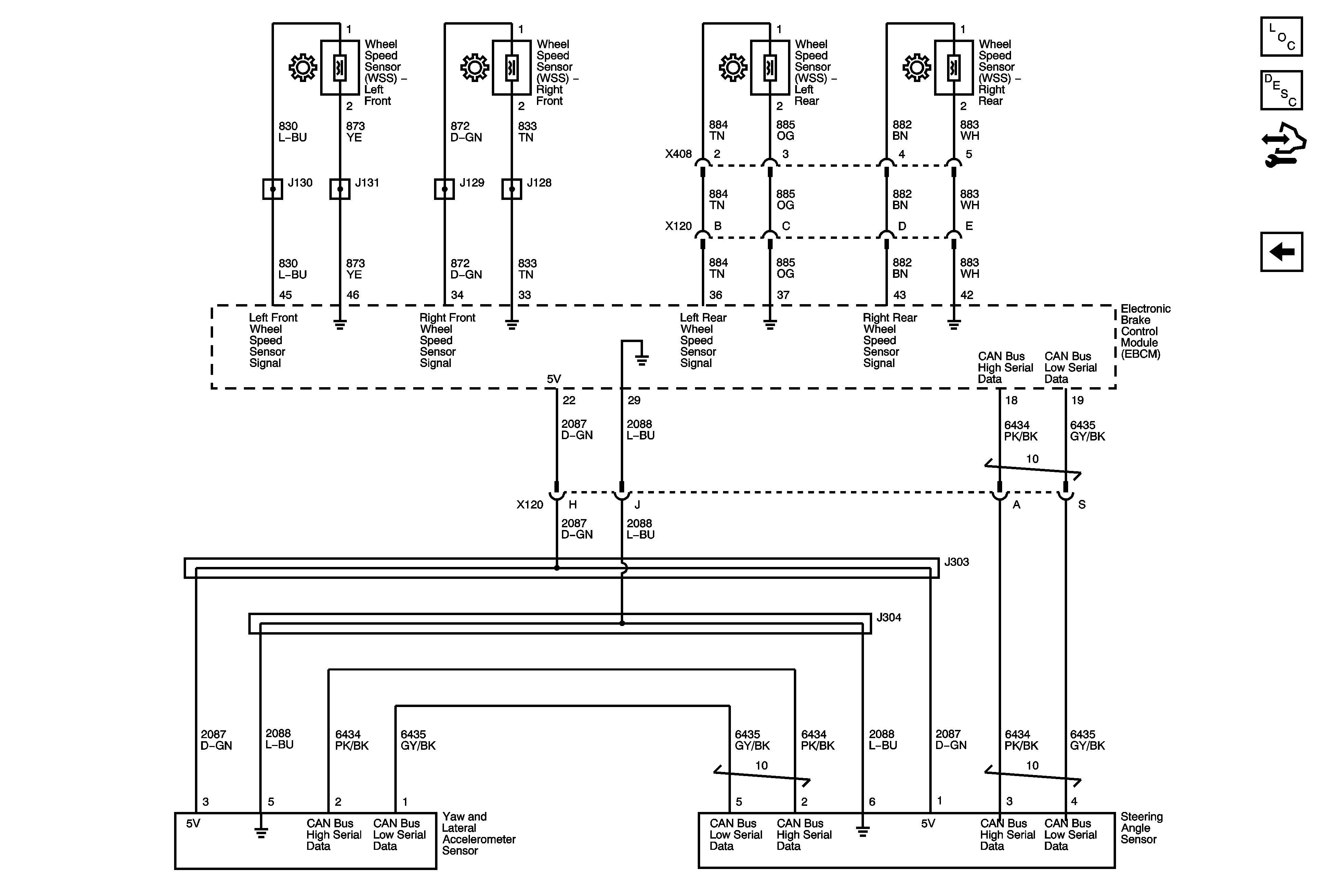
Figure 2:

Stability Control Sensors (JL4)


Object Number: 1871231  Size: FS
Master Electrical Component List
ABS Description and Operation
Control Module References
Brake Pedal Sensor, Indicator, and Traction Control Switch
Antilock Brake System Schematic Icons
Antilock Brake System Schematic Icons