GM Service Manual Online
For 1990-2009 cars only
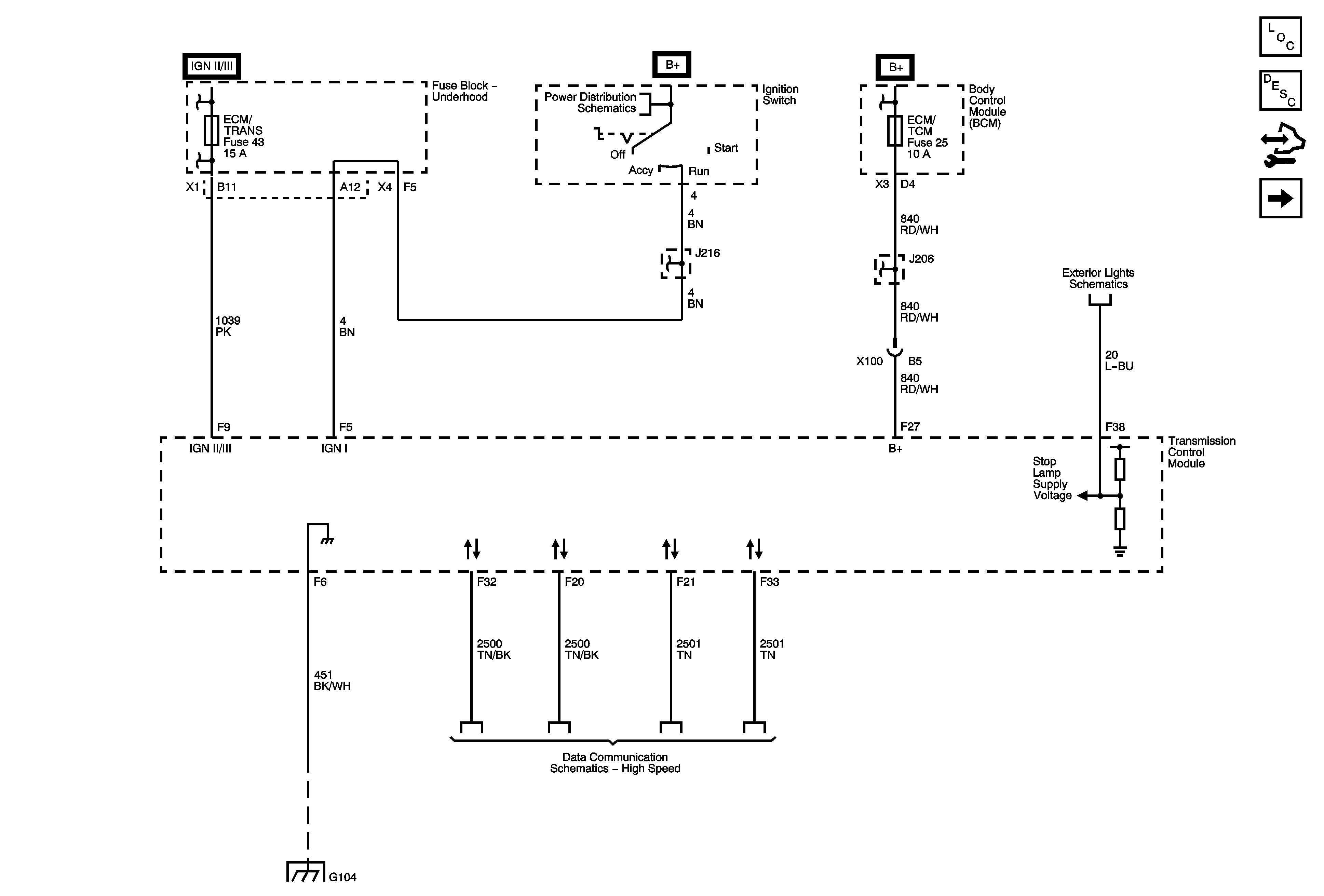
Figure 1:

DLC, Ground, and Power


Object Number: 1829535  Size: FS
Master Electrical Component List
Electronic Component Description
Control Module References
Shift Solenoids, TFT, and VSS
ABS, BCK/UP LAMP, CAN VENT, ECM/TRANS, I/P IGN, and OUTLET Fuses, and RUN/CRNK Relay (Underhood Fuse Block), AIRBAG, EPS/STR WHL CNTRL, HVAC/IP IGN, and WPR Fuses (Body Control Module (BCM))
ABS, BCK/UP LAMP, CAN VENT, ECM/TRANS, I/P IGN, and OUTLET Fuses, and RUN/CRNK Relay (Underhood Fuse Block), AIRBAG, EPS/STR WHL CNTRL, HVAC/IP IGN, and WPR Fuses (Body Control Module (BCM))
BCM Fuse (Underhood Fuse Block), DR LCK, ECM/TCM, INT LIGHT, PWR WNDW, RDO, and SDM Fuses, DOOR LOCK PCB , DOOR UNLOCK PCB, DR DOOR UNLOCK PCB, INADVERTENT LOAD CONTROL PCB, and RAP Relays (BCM)
BCM Fuse (Underhood Fuse Block), DR LCK, ECM/TCM, INT LIGHT, PWR WNDW, RDO, and SDM Fuses, DOOR LOCK PCB , DOOR UNLOCK PCB, DR DOOR UNLOCK PCB, INADVERTENT LOAD CONTROL PCB, and RAP Relays (BCM)
Stop and Turn Signal Lamps
Ignition Switch
High Speed LAN
G103, G304, G105, G104, and G106
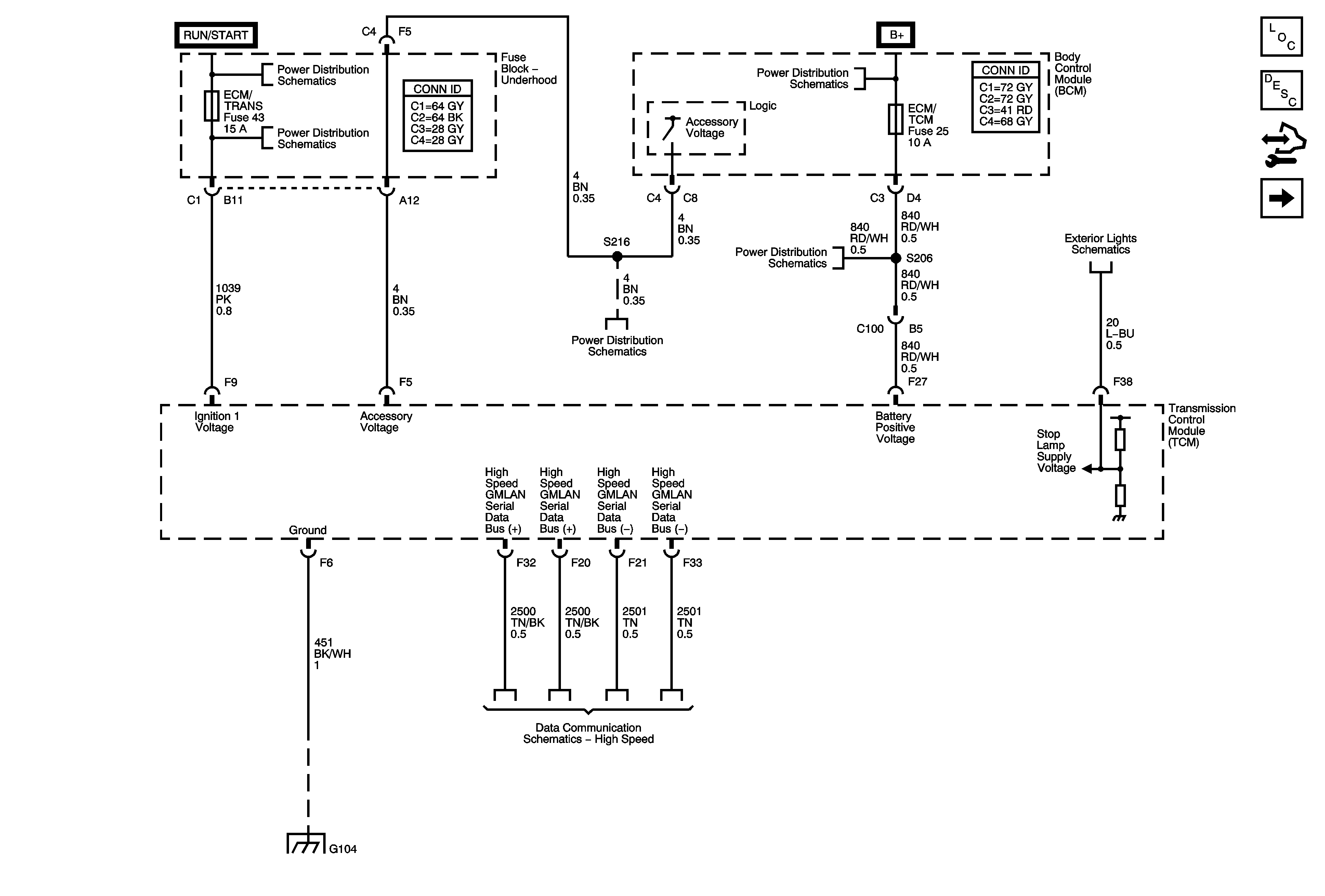
Figure 2:

Shift Solenoids, TFT, and USS


Object Number: 1829537  Size: FS
Master Electrical Component List
Electronic Component Description
Control Module References
DLC, Ground, and Power
Starting and Charging Schematics
Automatic Transmission Schematic Icons
G103, G304, G105, G104, and G106
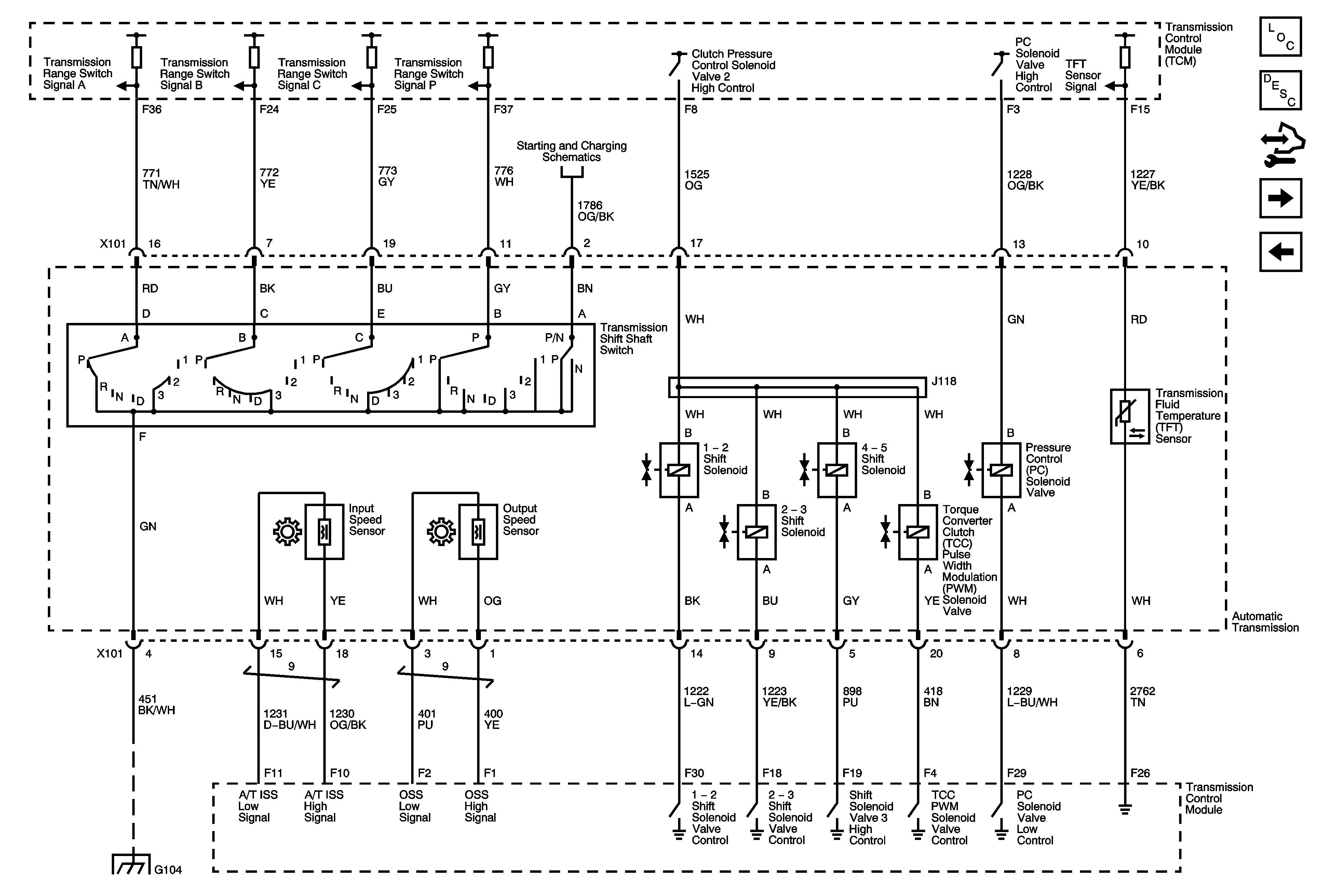
Figure 1:

DLC, Ground, and Power


Object Number: 1871354  Size: FS
Master Electrical Component List
Electronic Component Description
Control Module References
Shift Solenoids, TFT, and Vss
B+ Bus - 1 of 2
Fuse Block - Underhood BCM Fuse, BCM Fuses: ECM/TCM, DR LCK, INT LIGHT, PWR WNDW, RDO, SDM, BCM Relays: DOOR LOCK, DOOR UNLOCK, DR DOOR UNLOCK, INADVERTENT LOAD CONTROL, RAP
Stop and Turn Signal Lamps
Ignition Switch
Fuse Block - Underhood BCM Fuse, BCM Fuses: ECM/TCM, DR LCK, INT LIGHT, PWR WNDW, RDO, SDM, BCM Relays: DOOR LOCK, DOOR UNLOCK, DR DOOR UNLOCK, INADVERTENT LOAD CONTROL, RAP
High Speed LAN
G103, G104, G105, G106 and G304
Figure 2:

Shift Solenoids, TFT, and VSS


Object Number: 1871355  Size: FS
Master Electrical Component List
Electronic Component Description
Control Module References
DLC, Ground, and Power
Starting and Charging Schematics
G103, G104, G105, G106 and G304
Figure 3:

Electronic PRNDL


Object Number: 1856006  Size: FS