GM Service Manual Online
For 1990-2009 cars only
Makes
🢒
Pontiac
🢒
2003
🢒
Vibe - FWD
🢒
Body and Accessories
🢒
Power Outlets
🢒 Cigar Lighter/Power Outlet Schematics
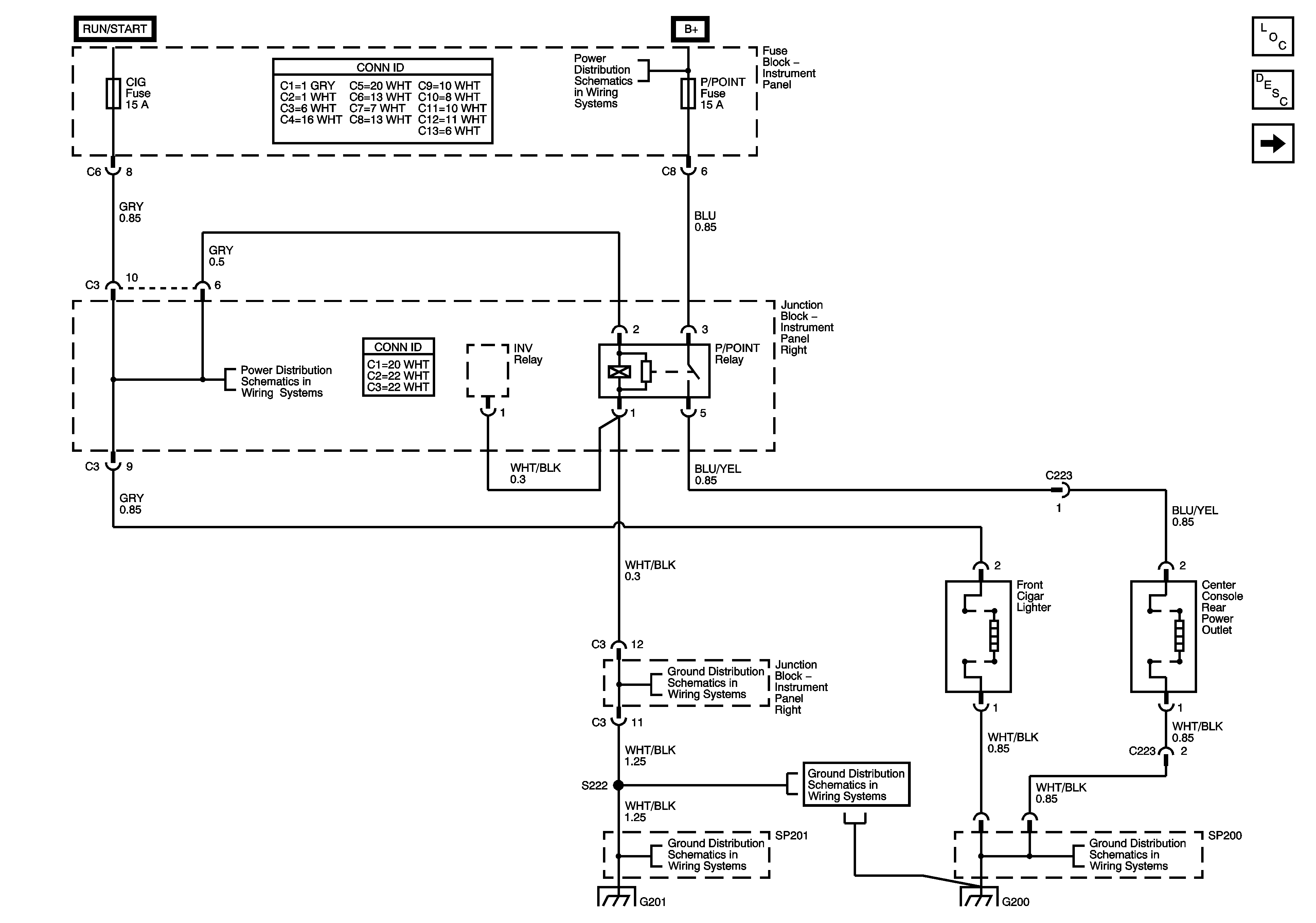
Figure
1:
Front Cigar Lighter and Center Console Rear Power Outlet
Master Electrical Component List
Accessory Power Receptacle
Ignition Switch, CIG and IG 1 Fuses
POWER, AM-1, DOOR, TAIL, P/POINT, ECU-B, STOP, OBD and INV Fuses
Ignition Switch, CIG and IG 1 Fuses
Right Instrument Panel Junction Block
SP201 and G201
SP200 and G200
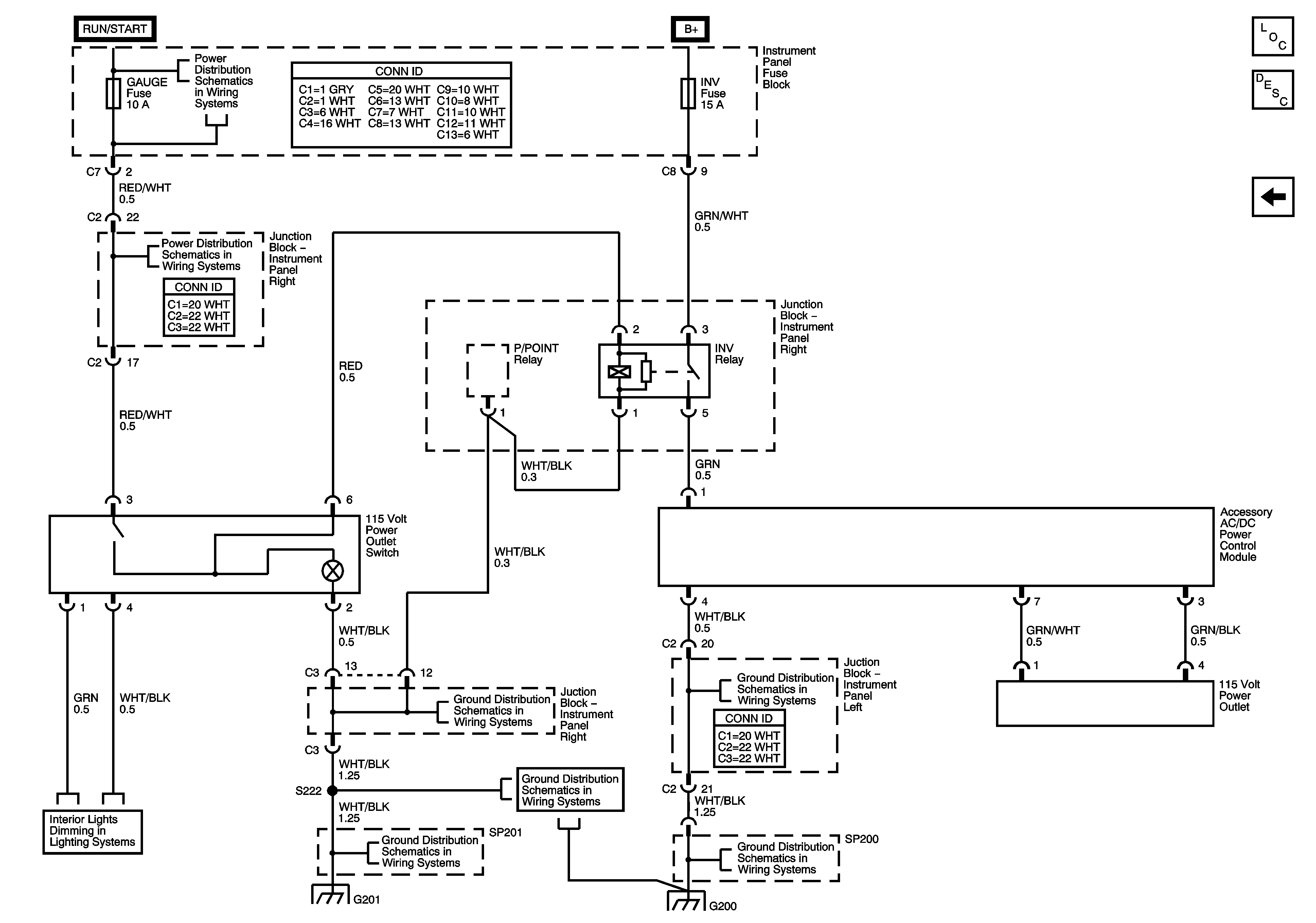
Figure
2:
Accessory Power Receptacle
Master Electrical Component List
Front Cigar Lighter and Center Console Rear Power Outlet
WASH, RR WIP, WIPER, ECU-IG, GAUGE, HEATER, and DEF Fuses
POWER, AM-1, DOOR, TAIL, P/POINT, ECU-B, STOP, OBD and INV Fuses
Heater Relay, Right Instrument Panel Junction Block
Right Instrument Panel Junction Block
SP201 and G201
Left Instrument Panel Junction Block
SP200 and G200