GM Service Manual Online
For 1990-2009 cars only
Makes
🢒
Pontiac
🢒
2003
🢒
Vibe - FWD
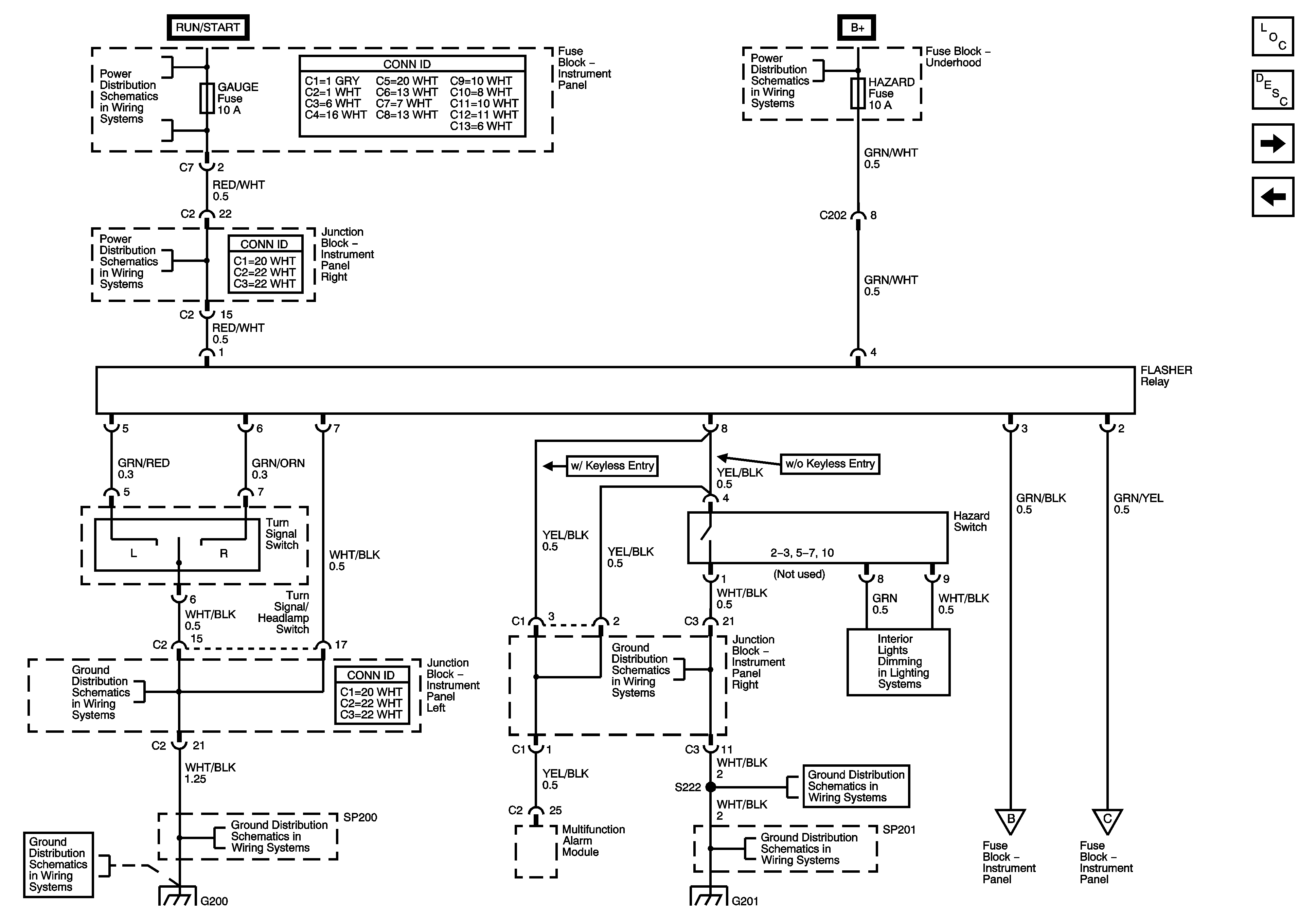
🢒 Turn Signal/Headlamp Switch, Hazard Switch and Flasher Relay
Turn Signal/Headlamp Switch, Hazard Switch and Flasher Relay
Turn Signal/Headlamp Switch, Hazard Switch and Flasher Relay
Master Electrical Component List
Exterior Lighting Systems Description and Operation
Turn Indicators and Turn Lamps
Park Lamps
WASH, RR WIP, WIPER, ECU-IG, GAUGE, HEATER, and DEF Fuses
Heater Relay, Right Instrument Panel Junction Block
H-MAIN, ALT-S, EFI and HAZ Fuses
Left Instrument Panel Junction Block
SP200 and G200
Right Instrument Panel Junction Block
SP201 and G201
IP Lamp Dimmer