GM Service Manual Online
For 1990-2009 cars only
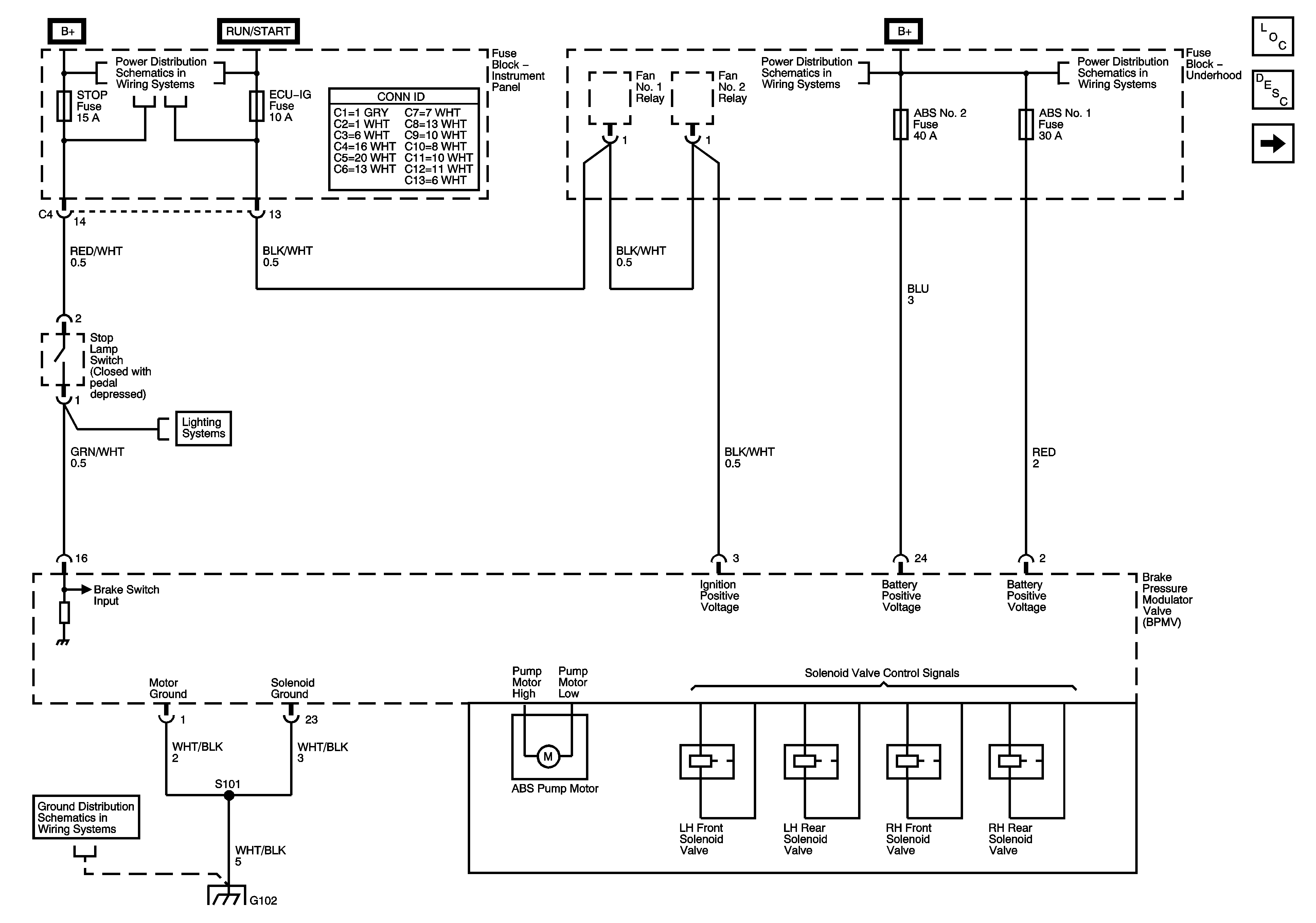
Figure 1:

Brake Pressure Modulator Valve (BPMV)


Object Number: 785573  Size: FS
Master Electrical Component List
ABS Description and Operation
Brake Indicator and Control , ABS Indicator and Control
Power, AM 1, Door, Tail, P/Point, ECU-B, Stop, OBD, INV Fuses
Wash, RR Wip, Wiper, ECU-IG, Gauge, Heater, Def Fuses
Alt, ABS 2, RDI Fan, ABS 1, Fog Fuses
Alt, ABS 2, RDI Fan, ABS 1, Fog Fuses
Stoplamps
G100, G101 and G102
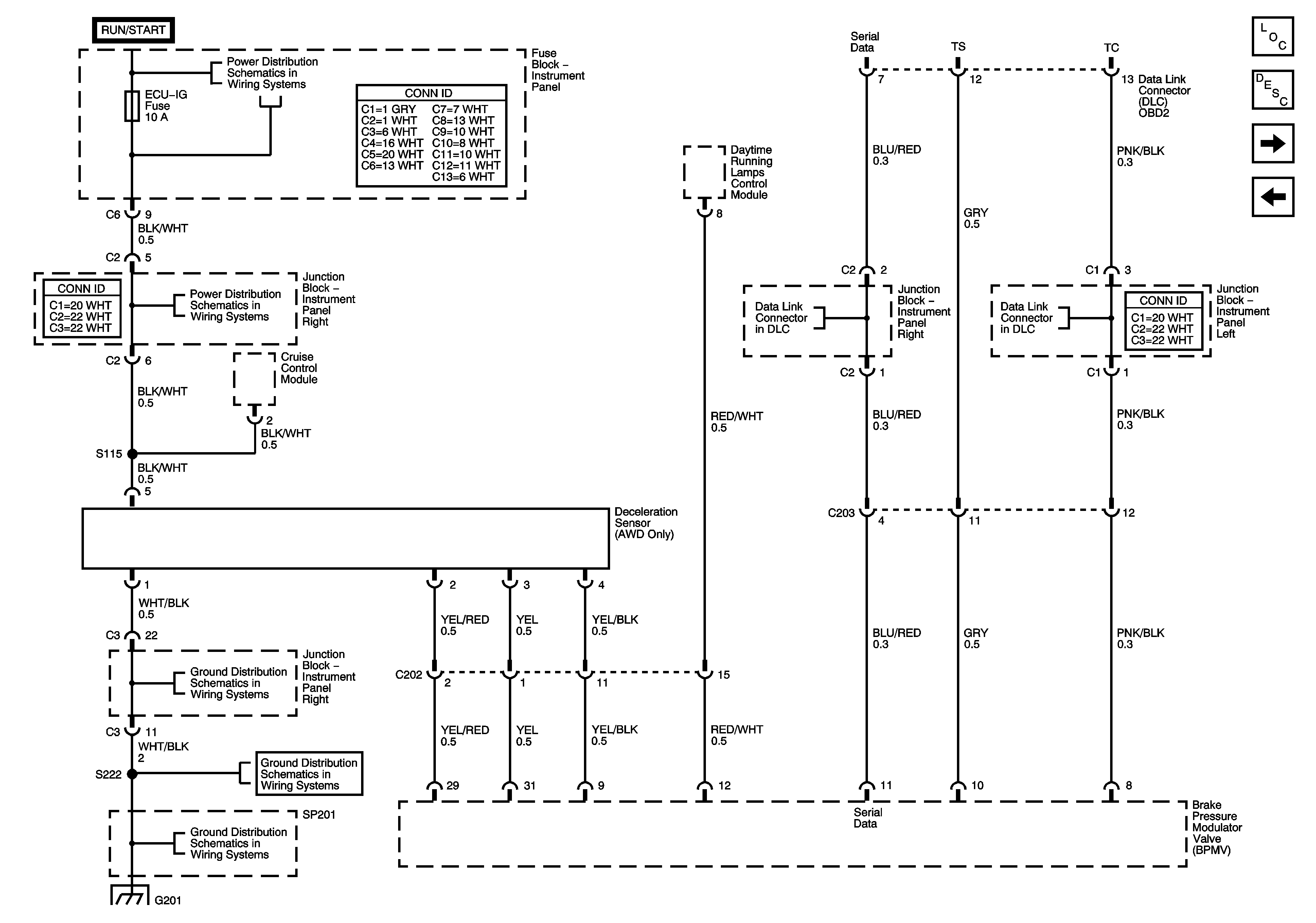
Figure 2:

Deceleration Sensor, BPMV, Data Link Connector (DLC)


Object Number: 787253  Size: FS
Master Electrical Component List
ABS Description and Operation
Wheel Speed Sensors
Brake Indicator and Control , ABS Indicator and Control
Wash, RR Wip, Wiper, ECU-IG, Gauge, Heater, Def Fuses
SP 109
Junction Block-Instrument Panel Right
SP201 and G201
SP201 and G201
Data Link Connector (DLC) (1 of 2)
Data Link Connector (DLC) (2 of 2)
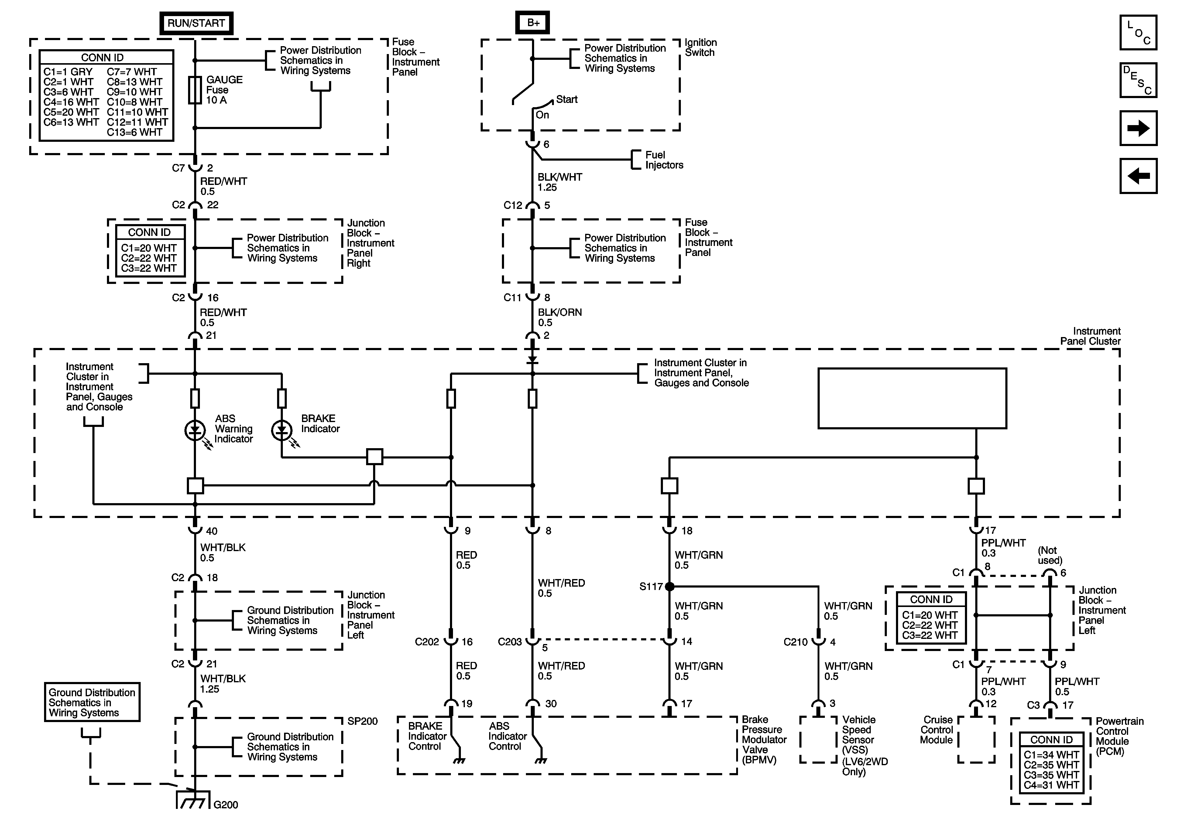
Figure 3:

Brake Indicator and Control, ABS Indicator and Control


Object Number: 785574  Size: FS
Master Electrical Component List
ABS Description and Operation
Deceleration Sensor, BPMV, Data Link Connector (DLC)
Brake Pressure Modulator Valve (BPMV)
Wash, RR Wip, Wiper, ECU-IG, Gauge, Heater, Def Fuses
Ignition Switch (1 of 2)
Junction Block-Instrument Panel Right
Ignition Switch (2 of 2)
Brake, ABS, Turn Indicators
Charge, Air Bag, Malfunction O/D Off, Cruise Indicators
Junction Block-Instrument Panel Left
SP200 and G200
SP200 and G200
Figure 4:

Wheel Speed Sensors


Object Number: 785575  Size: FS
Master Electrical Component List
ABS Description and Operation
Deceleration Sensor, BPMV, Data Link Connector (DLC)