GM Service Manual Online
For 1990-2009 cars only
Makes
🢒
Pontiac
🢒
2007
🢒
Wave
🢒
Driver Information and Entertainment
🢒
Cellular, Entertainment, and Navigation
🢒 Radio/Navigation System Schematics
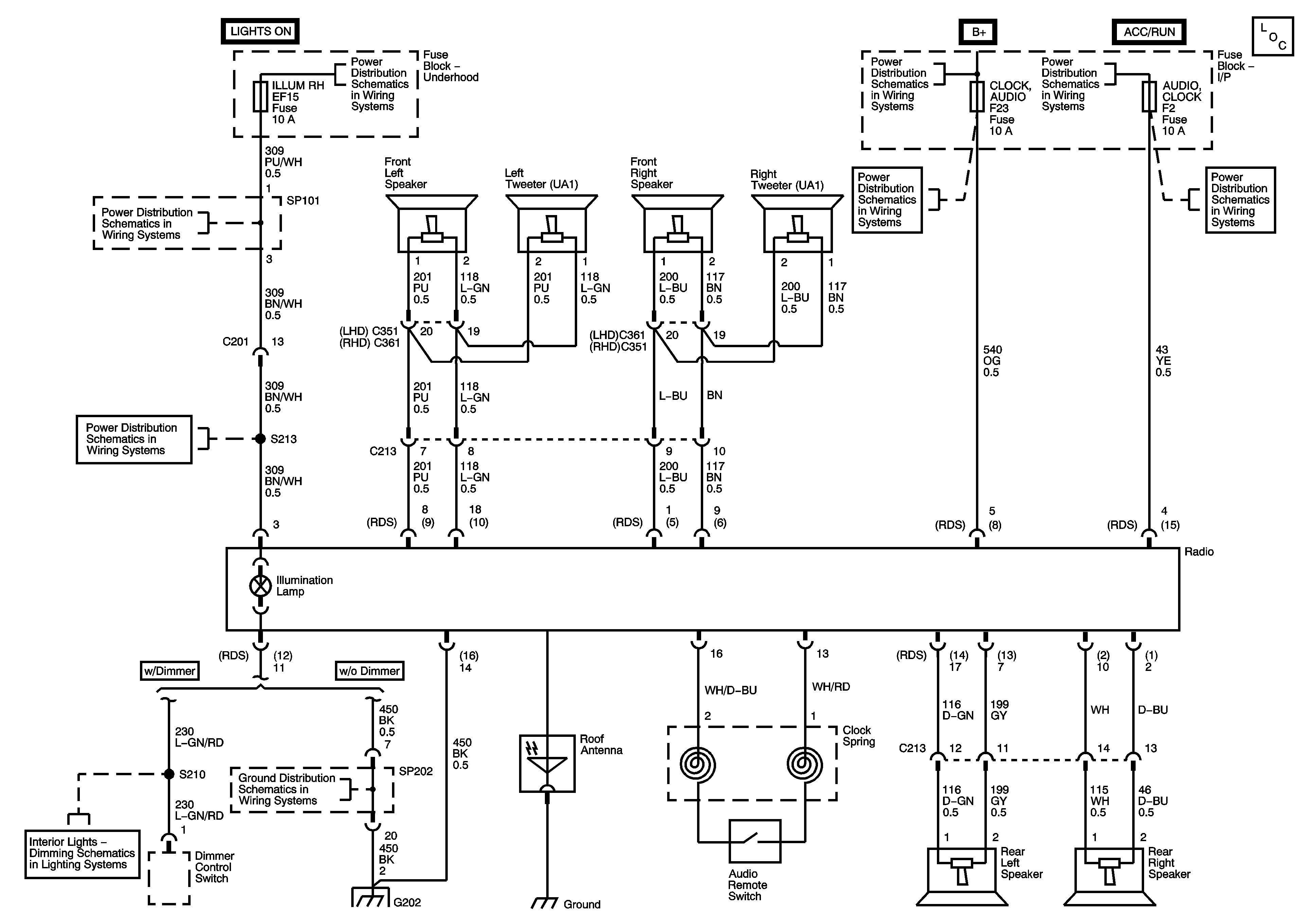
Radio/Navigation System Schematics Notchback
Master Electrical Component List (Notchback)
Control Module References
AUDIO/RKE, DEFOGGER, DEFOG MIRROR Fuses
IGN 2/ST Fuse, Ignition Switch, CIGAR, AUDIO/CLOCK, CLUSTER, T/SIG Fuses
IGN 2/ST Fuse, Ignition Switch, CIGAR, AUDIO/CLOCK, CLUSTER, T/SIG Fuses
Interior Lights Dimming Schematics (2 of 2)
G203
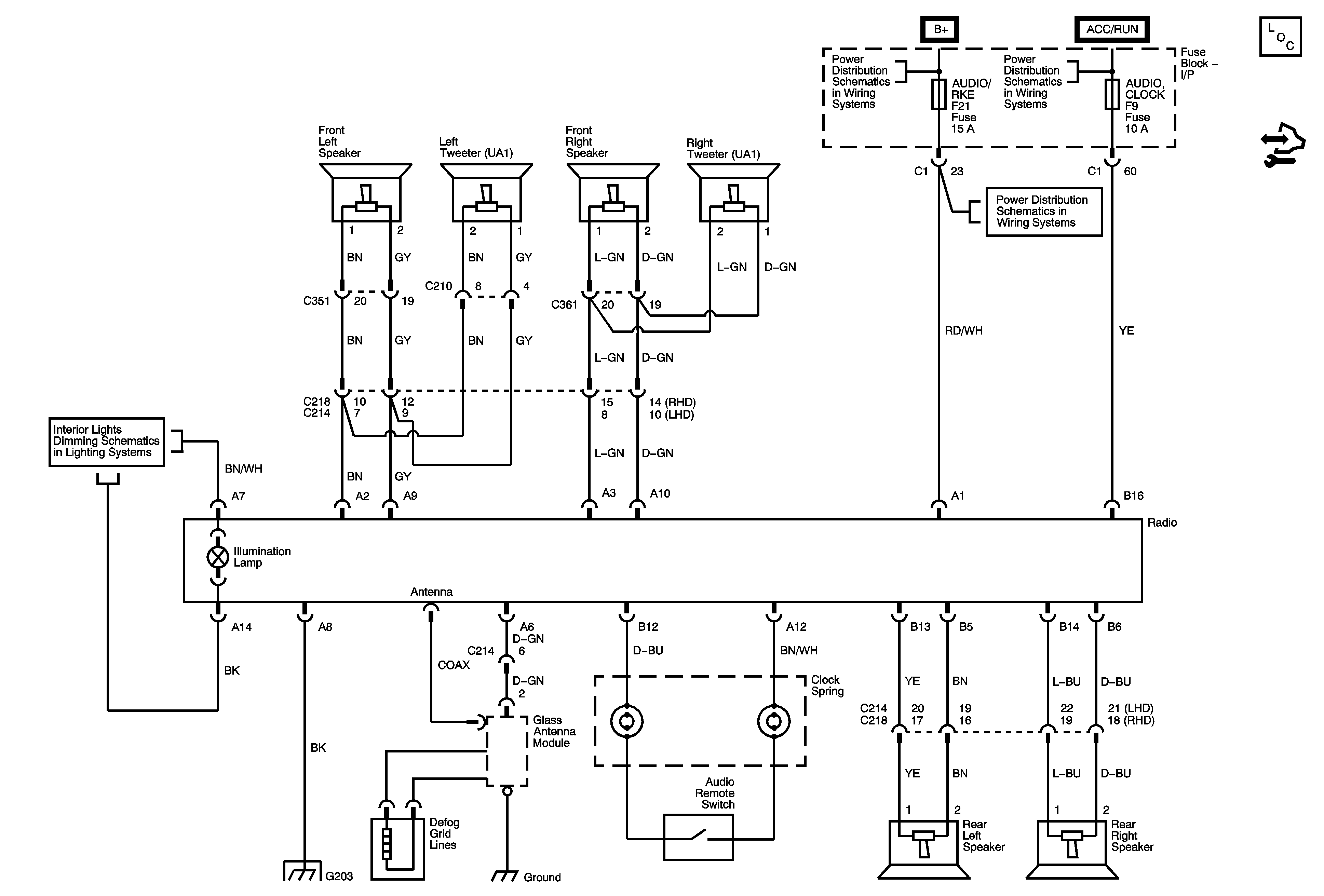
Radio/Navigation System Schematics Hatchback
Master Electrical Component List (Hatchback)
Battery Feed
Battery Feed
Battery Feed
Battery Feed
Battery Feed
Battery Feed
Battery Feed
Lamp Control Module
Ground Distribution G101, G102 - 1 of 2 and G105
Ground Distribution G202 - 1 of 3