GM Service Manual Online
For 1990-2009 cars only
Makes
🢒
Pontiac
🢒
2007
🢒
Wave
🢒
Transmission/Transaxle
🢒
Shift Lock Control
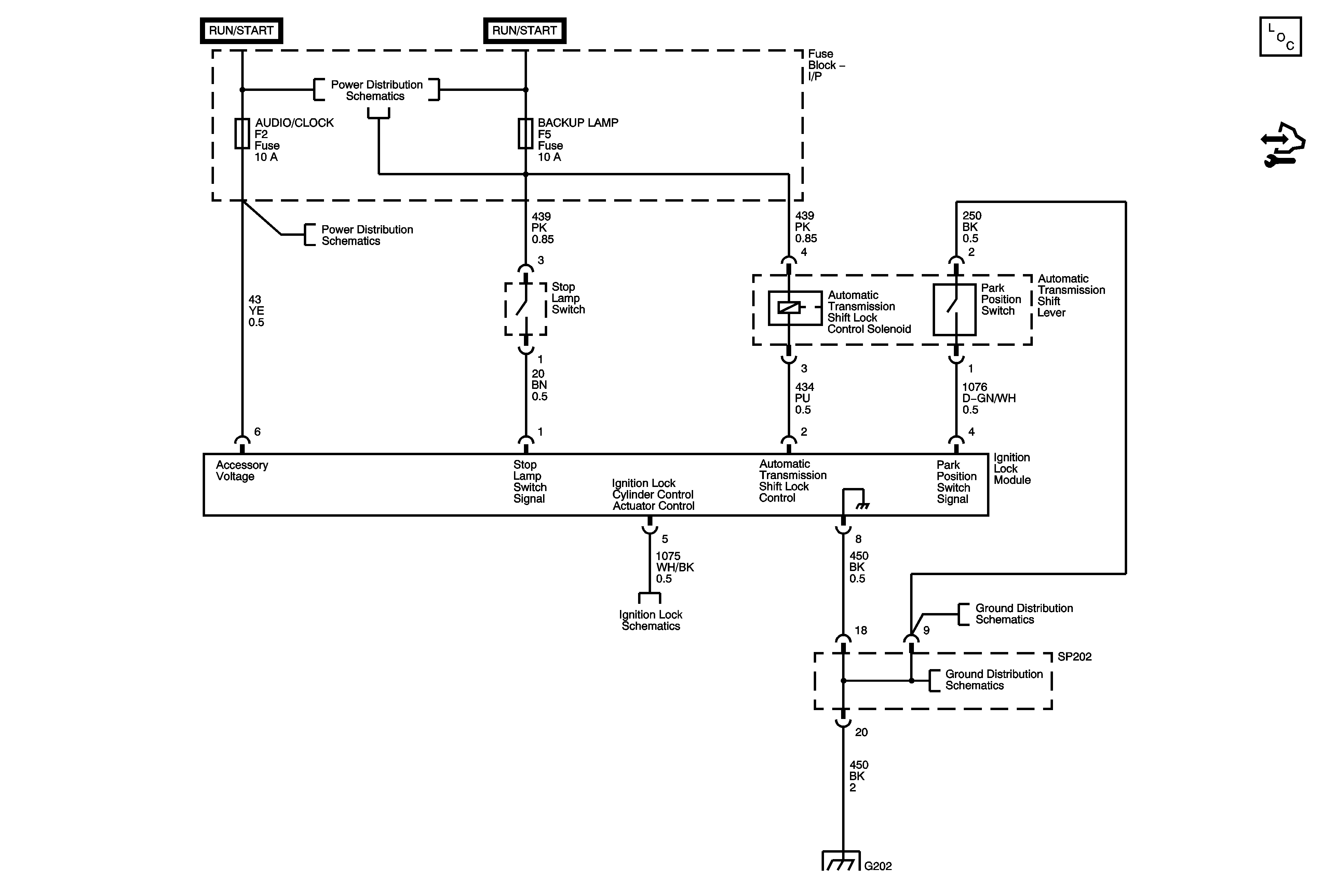
🢒 Shift Lock Control Schematics
Shift Lock Control Schematics Notchback
Master Electrical Component List Notchback
Control Module References
IGN 2/ST Fuse, Ignition Switch, CIGAR, AUDIO/CLOCK, CLUSTER, T/SIG Fuses
Headlamp, Fog Lamp Relays and Fuses, BATT Fuse
IGN 2/ST Fuse, Ignition Switch, CIGAR, AUDIO/CLOCK, CLUSTER, T/SIG Fuses
IGN 2/ST Fuse, Ignition Switch, CIGAR, AUDIO/CLOCK, CLUSTER, T/SIG Fuses
Park and Turn Indicator Lamps
G203
G201 - 1 of 3
Shift Lock Control Schematics Except North American (Hatchback)
Master Electrical Component List (Hatchback)
Battery Feed
Ground Distribution G101, G102 - 1 of 2 and G105
Shift Lock Control Schematics North American (Hatchback)
Master Electrical Component List (Hatchback)
Control Module References
Battery Feed
Battery Feed
Ignition Lock Schematics
Ground Distribution G101, G102 - 1 of 2 and G105
Ground Distribution G101, G102 - 1 of 2 and G105
Ground Distribution G202 - 1 of 3