GM Service Manual Online
For 1990-2009 cars only
Makes
🢒
Pontiac
🢒
2007
🢒
Wave
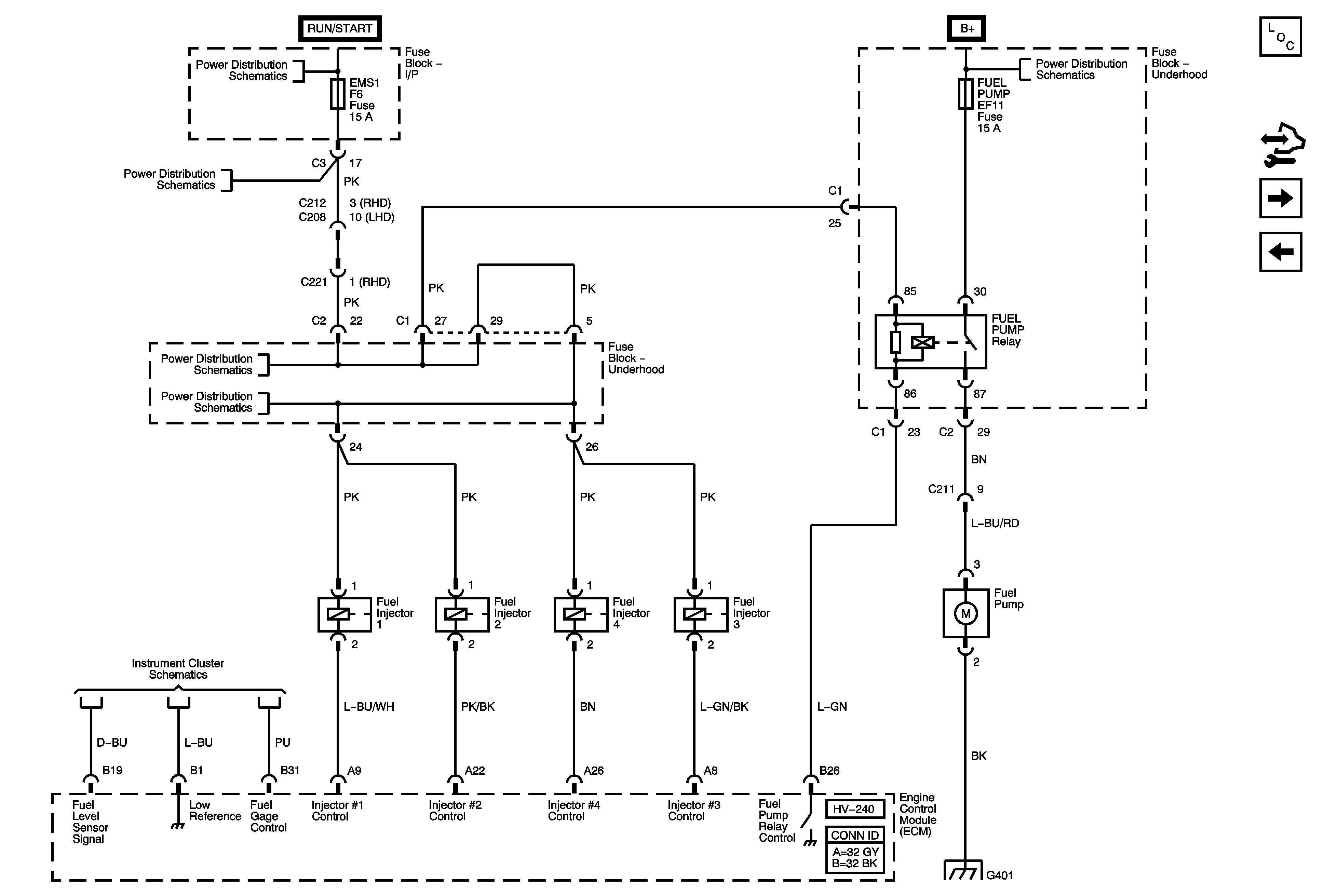
🢒 Fuel Pump and Injectors
Fuel Pump and Injectors
Fuel Pump and Injectors
Master Electrical Component List Notchback
Control Module References
EVAP Canister Purge Solenoid, MAP Sensor, IAC Valve, Octane Selector Switch
CKP, CMP, A/C Refrigerant Pressure Sensors
SDM, EMS 1, EMS 2 Fuses
ABS, HAZARD, ECU, FUEL PUMP Fuses
SDM, EMS 1, EMS 2 Fuses
PK/LP Relay and Fuses
PK/LP Relay and Fuses
Instrument Cluster Power and Ground, Ambient Temperature, Engine Temperature, Fuel, Speed Gages
G401, G402