GM Service Manual Online
For 1990-2009 cars only
Makes
🢒
Saab
🢒
2005
🢒
9-7x
🢒
Vehicle Control Systems
🢒
Computer/Integrating Systems
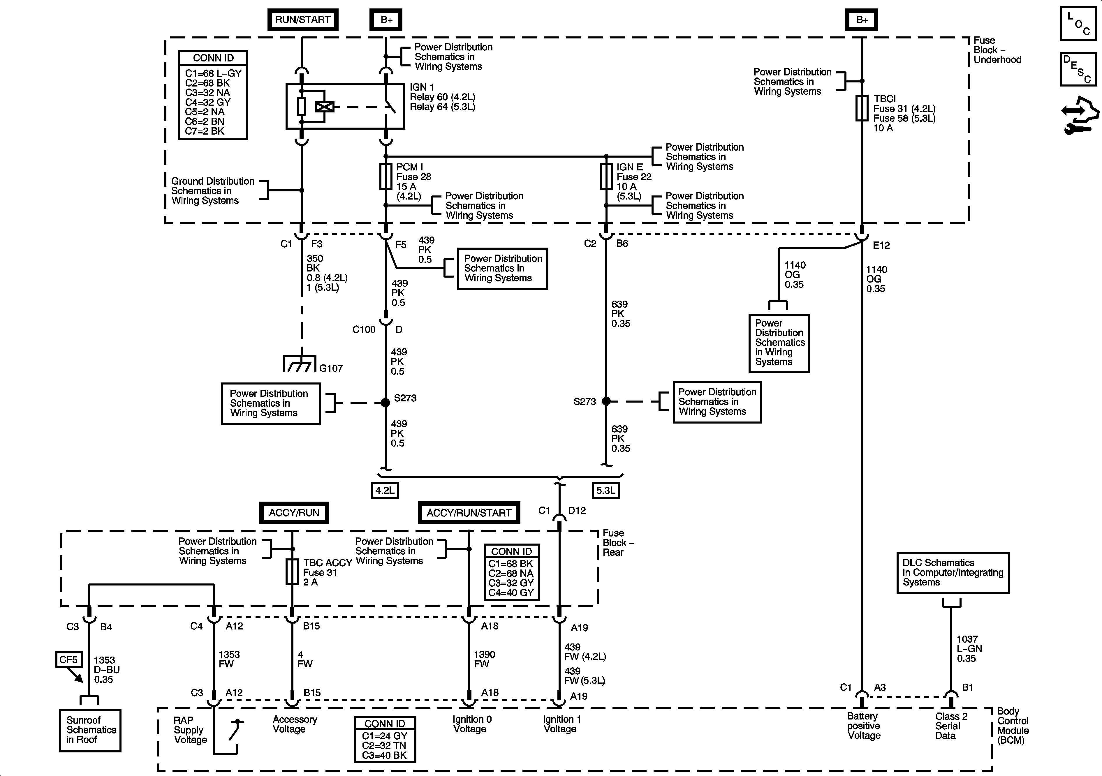
🢒 Retained Accessory Power (RAP) Schematics
Master Electrical Component List
Retained Accessory Power (RAP) Description and Operation
Restricted Exhaust (Gasoline Engine)
G104, G105 and G107
G104, G105 and G107
AIR SOL and PCMI Fuses
Ignition Switch - ACCY/RUN, RUN/START Bus Bars and IGNB1 Fuse
Power Sunroof
B+ Bus - Underhood Fuse Block - 2 of 2
AIR SOL and PCMI Fuses
AIR SOL and PCMI Fuses
Ignition Switch - ACCY/RUN/START, RUN, START Bus Bars and IGNA1 Fuse
B+ Bus - Underhood Fuse Block - 1 of 2
BACK UP, BTSI, IGN E, and TRLR B/U Fuses
BACK UP, BTSI, IGN E, and TRLR B/U Fuses
BACK UP, BTSI, IGN E, and TRLR B/U Fuses
AIR, EAP, ECM, PCMB, TBC 1, and TCM/CANISTER Fuses
SP 205