GM Service Manual Online
For 1990-2009 cars only
Figure 1:

Power, Ground, Serial Data, and MIL


Object Number: 1533161  Size: FS
Master Electrical Component List
Instrument Cluster Description and Operation
Control Module References
Gages
B+ Bus - Underhood Fuse Block - 1 of 2
G104, G105 and G107
G104, G105 and G107
G102
B+ Bus - Underhood Fuse Block - 2 of 2
BACK UP, BTSI, IGN E, and TRLR B/U Fuses
BACK UP, BTSI, IGN E, and TRLR B/U Fuses
BACK UP, BTSI, IGN E, and TRLR B/U Fuses
SP 205
Wiper/Washer Switch and Washer Fluid Level Switch
Module Power, Ground, Serial Data and MIL
Module Power, Ground, Serial Data and MIL
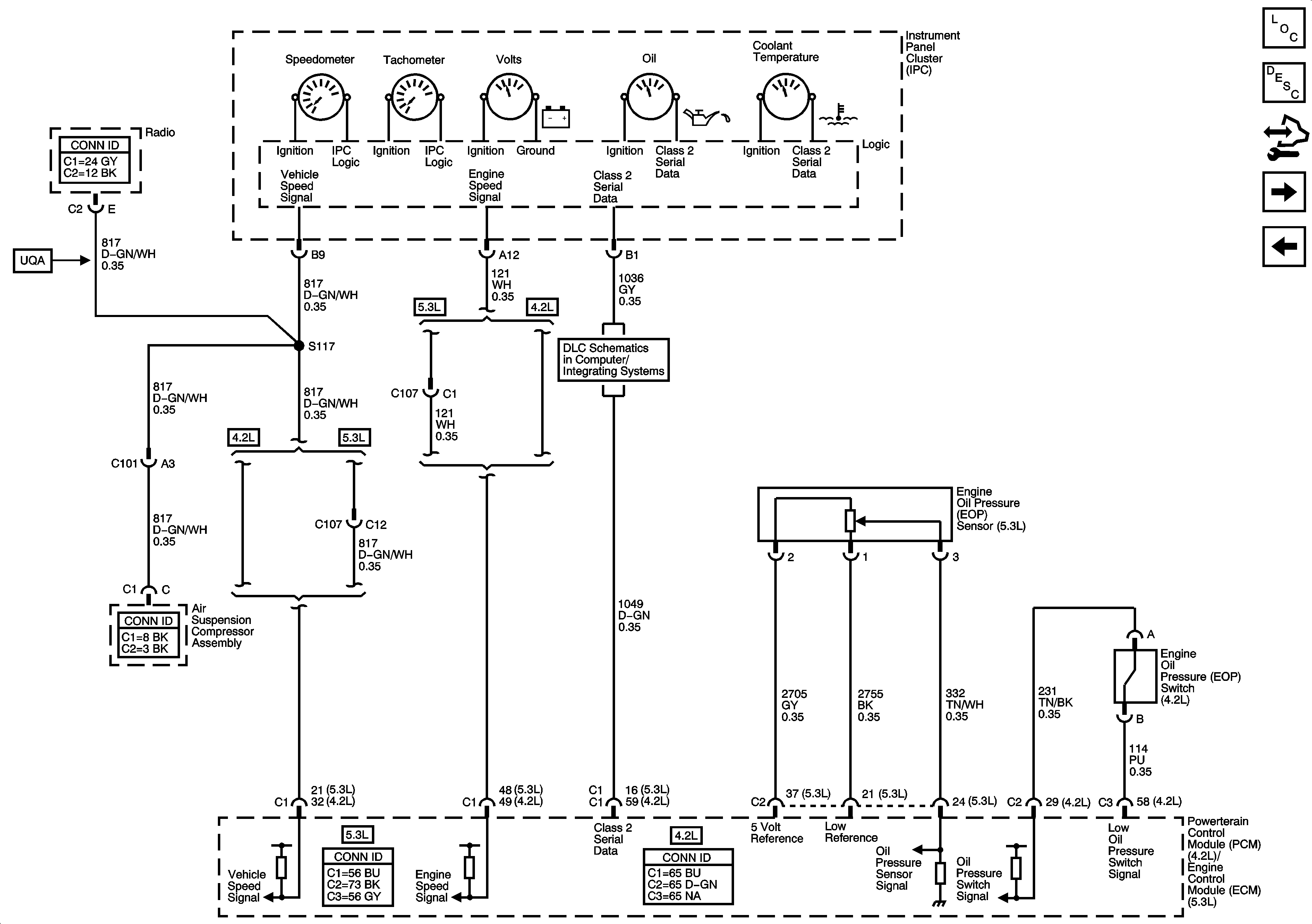
Figure 2:

Gages


Object Number: 1533162  Size: FS
Master Electrical Component List
Instrument Cluster Description and Operation
Control Module References
Indicators and DIC Controls
Power, Ground, Serial Data, and MIL
SP 205
Figure 3:

Indicators and DIC Controls


Object Number: 1533163  Size: FS
Master Electrical Component List
Driver Information Center (DIC) Description and Operation
Control Module References
Fuel Gage
Gages
Left Turn Signal
Right Turn Signal
SP 205
Figure 4:

Fuel Gage


Object Number: 1533164  Size: FS
Master Electrical Component List
Indicator/Warning Message Description and Operation
Control Module References
Indicators and DIC Controls
Fuel Controls - EVAP Controls
SP 205