GM Service Manual Online
For 1990-2009 cars only
Makes
🢒
Saab
🢒
2005
🢒
9-7x
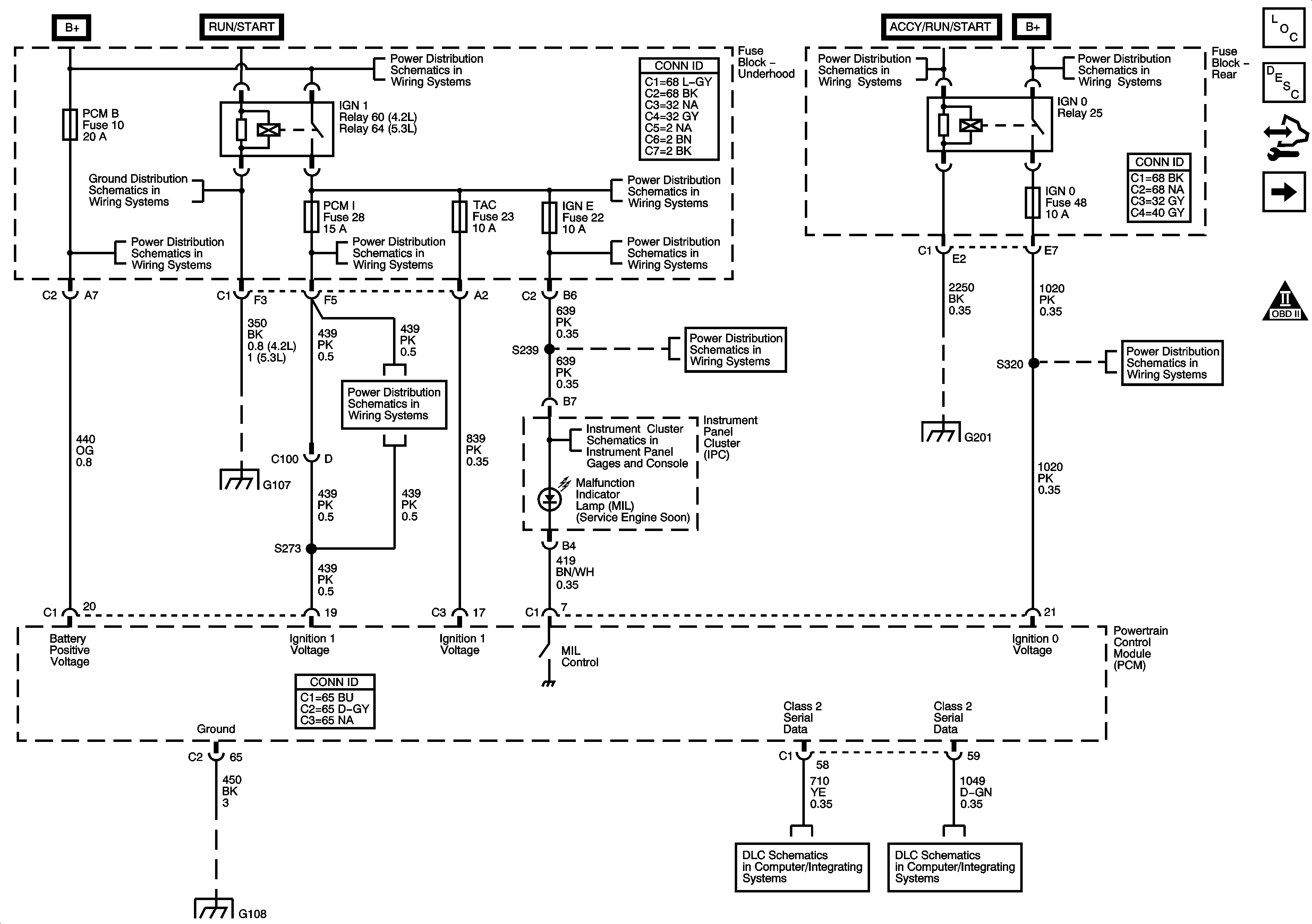
🢒 Module Power, Ground, Serial Data and MIL
Module Power, Ground, Serial Data and MIL
Module Power, Ground, Serial Data, and MIL
Master Electrical Component List
Powertrain Control Module Description
Control Module References
Fuse Block Underhood - IGN 1 Relay
OBD II Symbol Description Notice
B+ Bus - Rear Fuse Block
4WD, BRK, FRT WPR, HVACI, IGN0, and TCM Fuses
Ignition Switch - ACCY/RUN/START, RUN, START Bus Bars and IGNA1 Fuse
G201 - 1 of 2
BACK UP, BTSI, IGN E, and TRLR B/U Fuses
BACK UP, BTSI, IGN E, and TRLR B/U Fuses
BACK UP, BTSI, IGN E, and TRLR B/U Fuses
Instrument Cluster Schematics
B+ Bus - Underhood Fuse Block - 1 of 2
AIR SOL and PCMI Fuses
AIR SOL and PCMI Fuses
G104, G105 and G107
AIR, EAP, ECM, PCMB, TBC 1, and TCM/CANISTER Fuses
G104, G105 and G107
G108
Power, Ground, Data Link Connector
SP 205