GM Service Manual Online
For 1990-2009 cars only
Makes
🢒
Saab
🢒
2005
🢒
9-7x
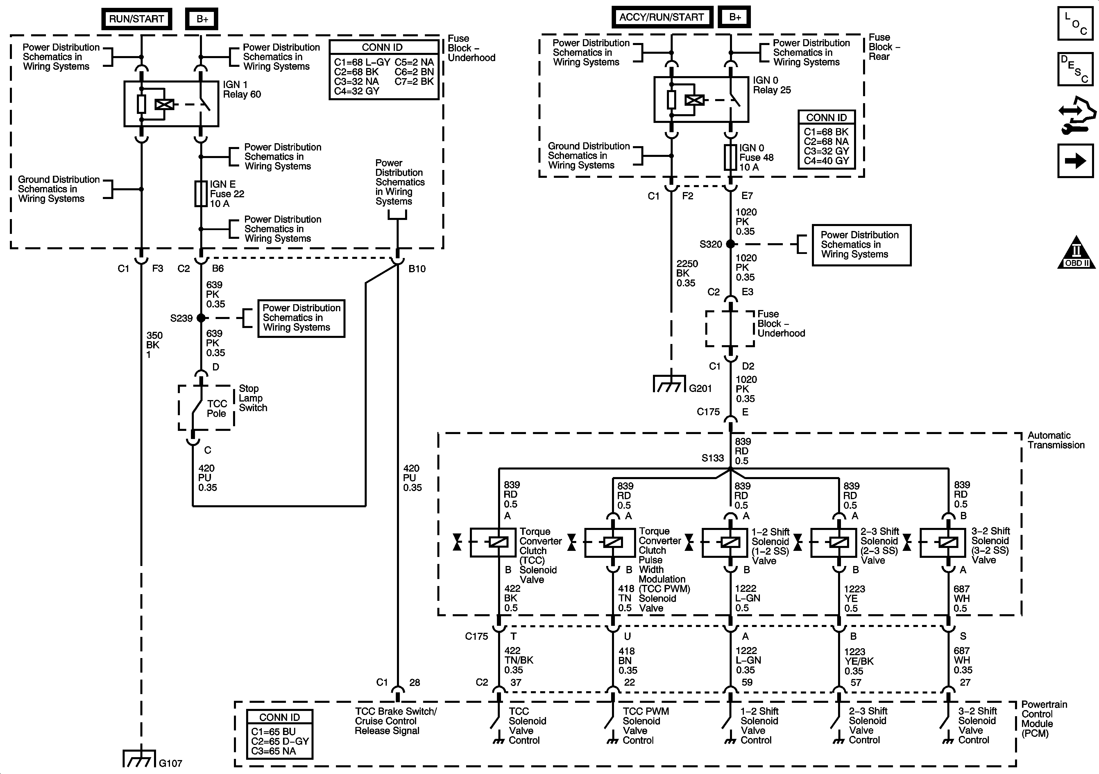
🢒 Shift Control and Stop Lamp Switch
Shift Control and Stop Lamp Switch
Shift Controls and Stop Lamp Switch
Master Electrical Component List
Transmission Component and System Description
Control Module References
Pressure Controls, Temperature, and VSS
OBD II Symbol Description Notice
Ignition Switch - ACCY/RUN/START, RUN, START Bus Bars and IGNA1 Fuse
G104, G105 and G107
B+ Bus - Underhood Fuse Block - 2 of 2
BACK UP, BTSI, IGN E, and TRLR B/U Fuses
BACK UP, BTSI, IGN E, and TRLR B/U Fuses
BACK UP, BTSI, IGN E, and TRLR B/U Fuses
G104, G105 and G107
BACK UP, BTSI, IGN E, and TRLR B/U Fuses
Ignition Switch - ACCY/RUN/START, RUN, START Bus Bars and IGNA1 Fuse
G201 - 1 of 2
G201 - 1 of 2
B+ Bus - Rear Fuse Block
4WD, BRK, FRT WPR, HVACI, IGN0, and TCM Fuses