GM Service Manual Online
For 1990-2009 cars only
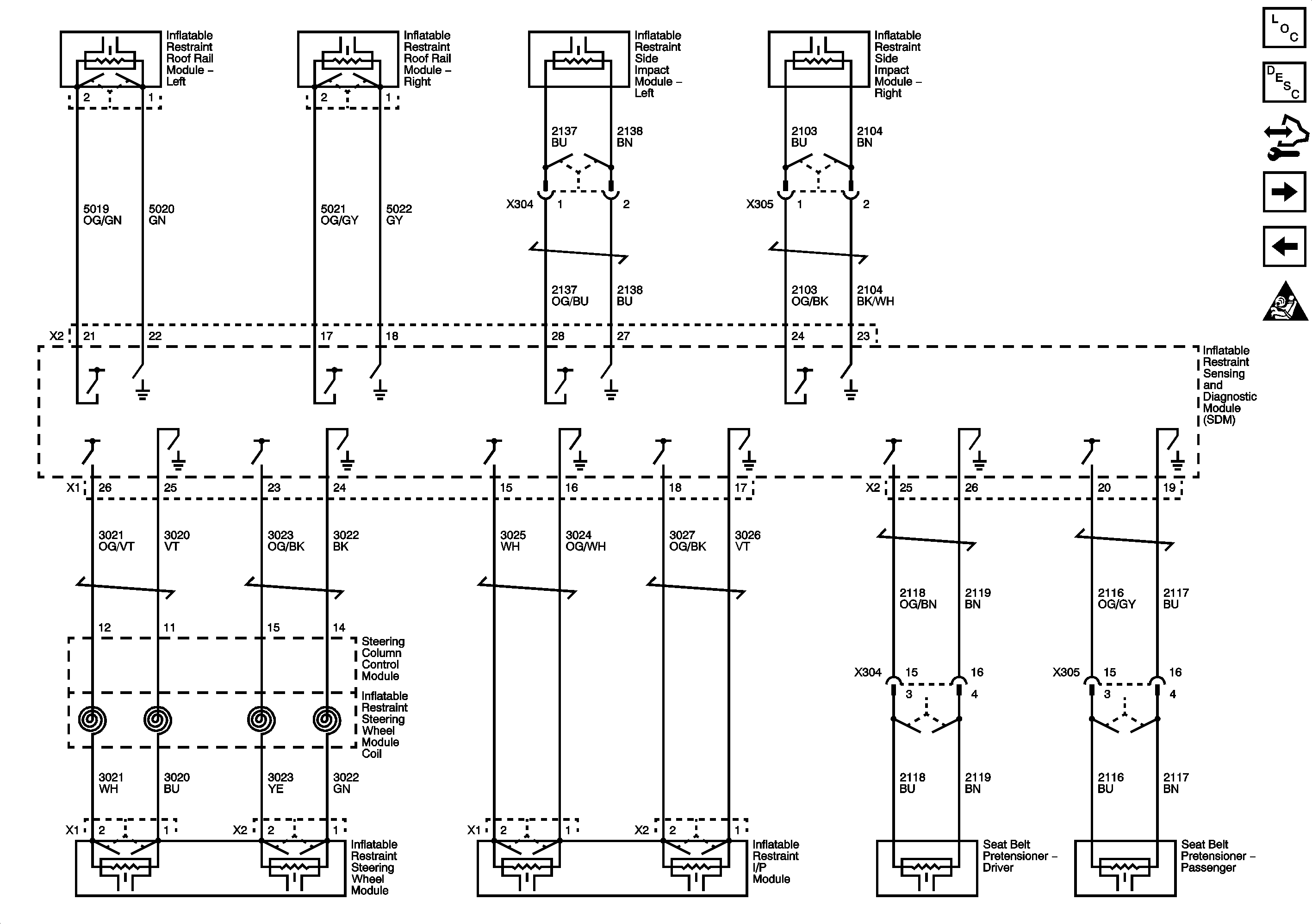
Figure 1:

Power, Ground, DLC, Indicators, Sensors, and References


Object Number: 2035046  Size: FS
Master Electrical Component List
SIR System Description and Operation
Control Module References
Deployment Loops
Master Electrical Schematic Icons
Power Moding
Power Moding
Power, Ground, Class 2, and GM Low Speed Serial Data (CAN A)
Power, Ground, Class 2, and GM Low Speed Serial Data (CAN A)
Seat Belt
G302 and G303
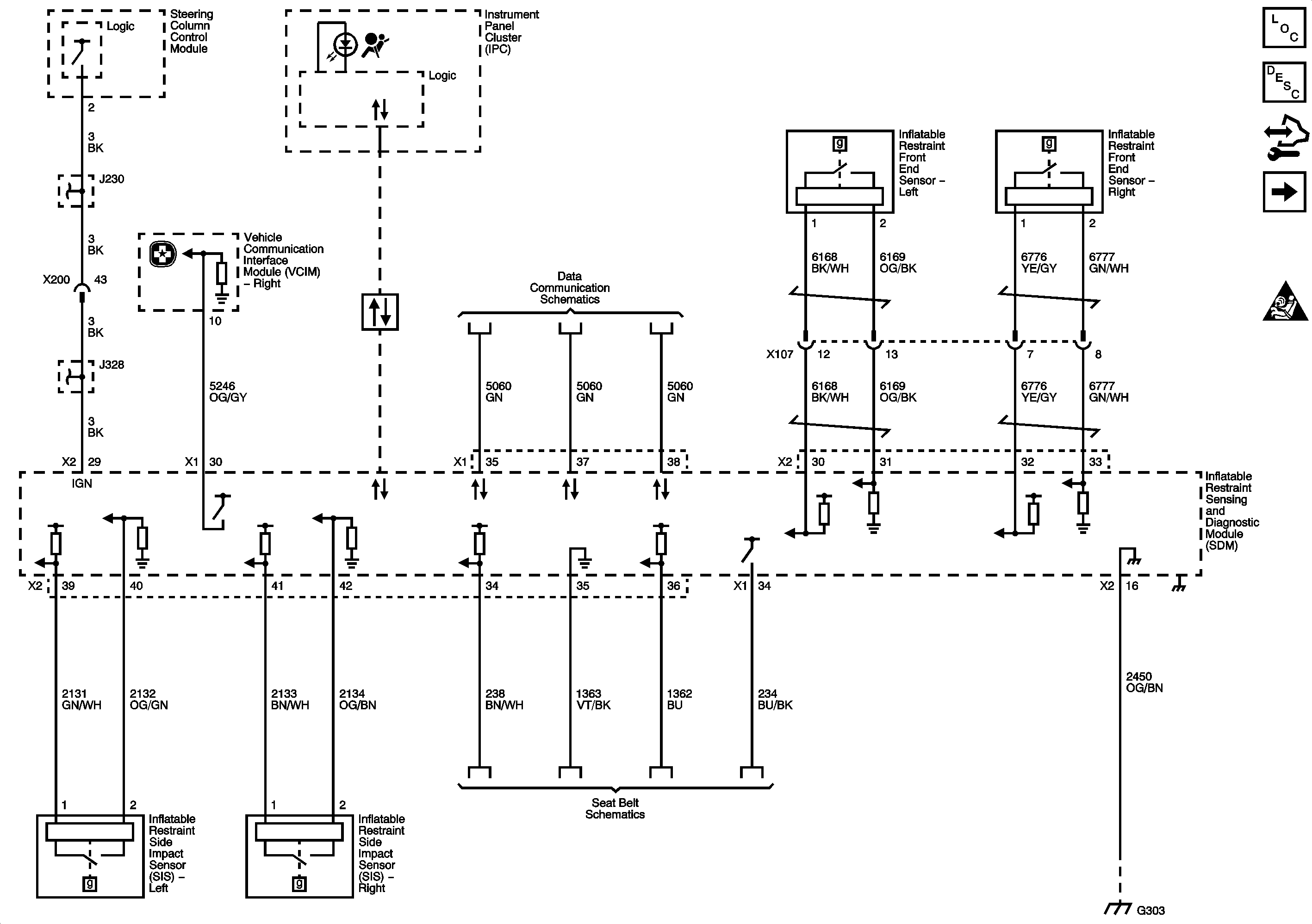
Figure 2:

Deployment Loops


Object Number: 2035047  Size: FS
Master Electrical Component List
SIR System Description and Operation
Control Module References
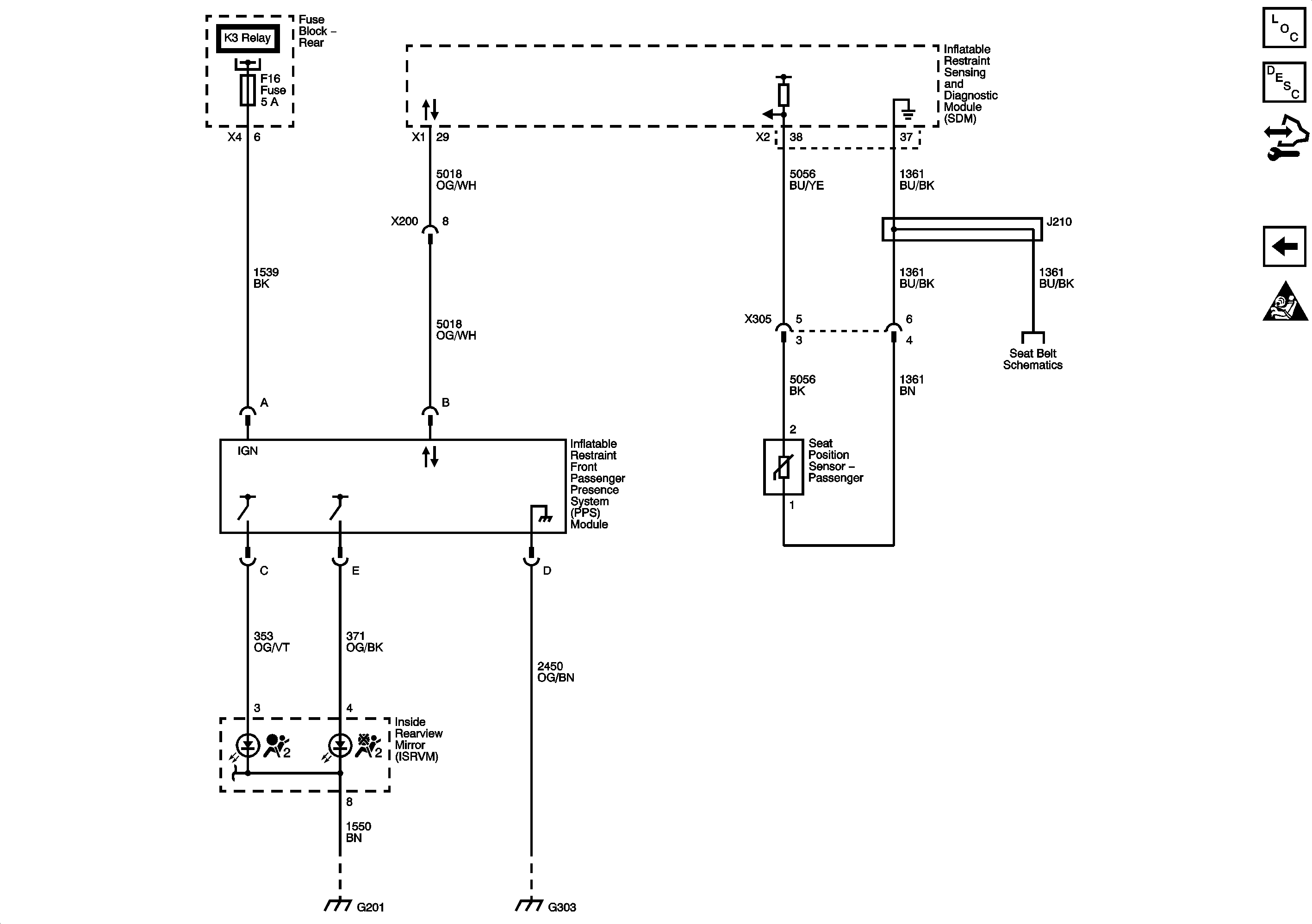
Passenger Presence System
Power, Ground, DLC, Indicators, Sensors, and References
Master Electrical Schematic Icons
Figure 3:

Passenger Presence System


Object Number: 2035050  Size: FS
Master Electrical Component List
SIR System Description and Operation
Control Module References
Deployment Loops
Master Electrical Schematic Icons
Fuse Block - Rear F40, F39, F14, F16, F17, F18 and F12 Fuses
Seat Belt
G201 and G202
G201 and G202
G302 and G303