GM Service Manual Online
For 1990-2009 cars only
Makes
🢒
Saturn
🢒
2006
🢒
ION
🢒
Body
🢒
Wiring Systems
🢒 Cruise Control Schematics
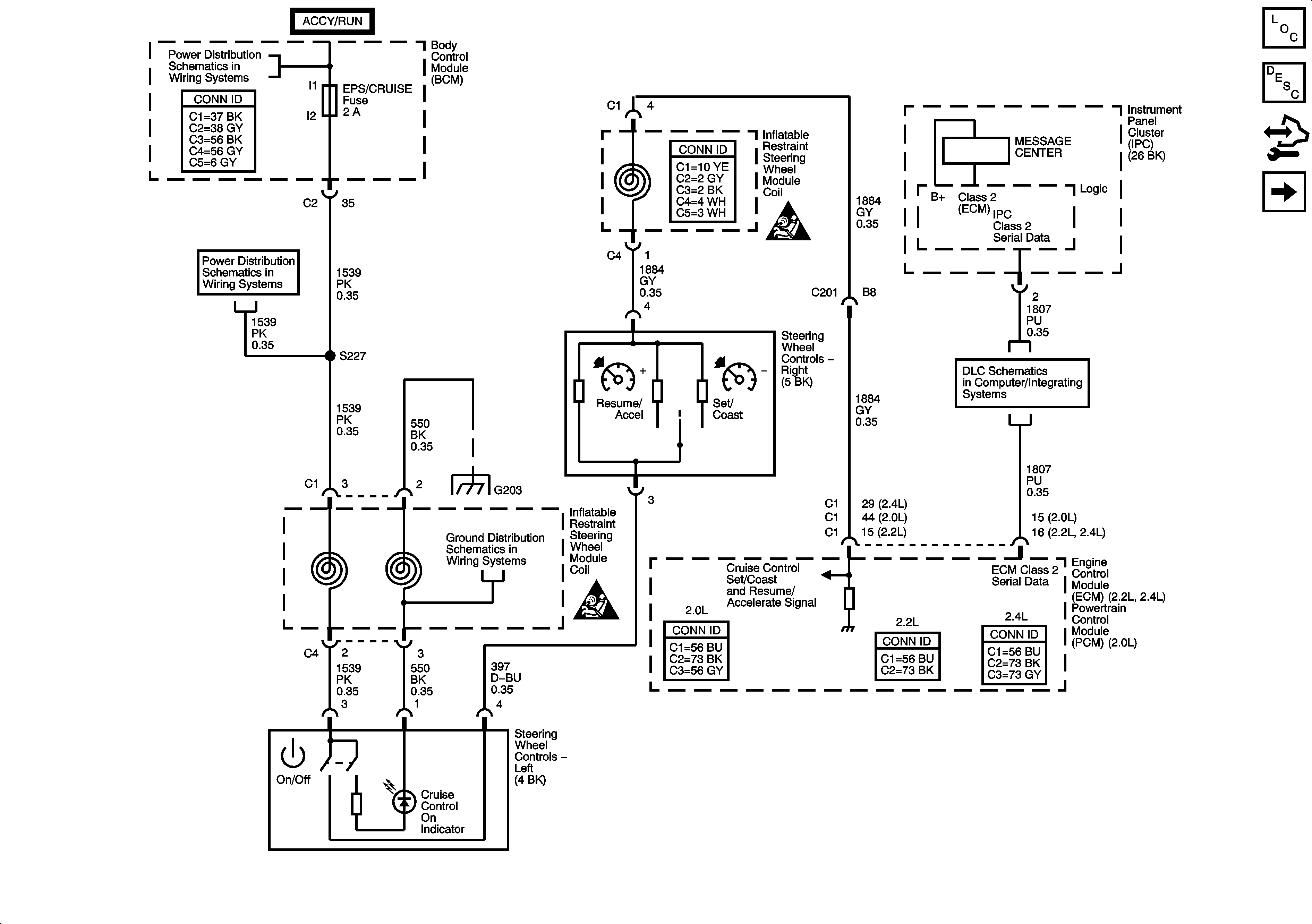
Figure
1:
Driver Controls
Master Electrical Component List
Cruise Control Description and Operation (non 2.0L)
Control Module References
Stop Lamp and Clutch Switches
AIR BAG/AOS, CLUTCH/BRAKE/AOS, and EPS/CRUISE Fuses
AIR BAG/AOS, CLUTCH/BRAKE/AOS, and EPS/CRUISE Fuses
Cruise Control Schematic Icons
Cruise Control Schematic Icons
DLC Power, Ground, Class 2, and Low Speed GM LAN
G203
G203
G203
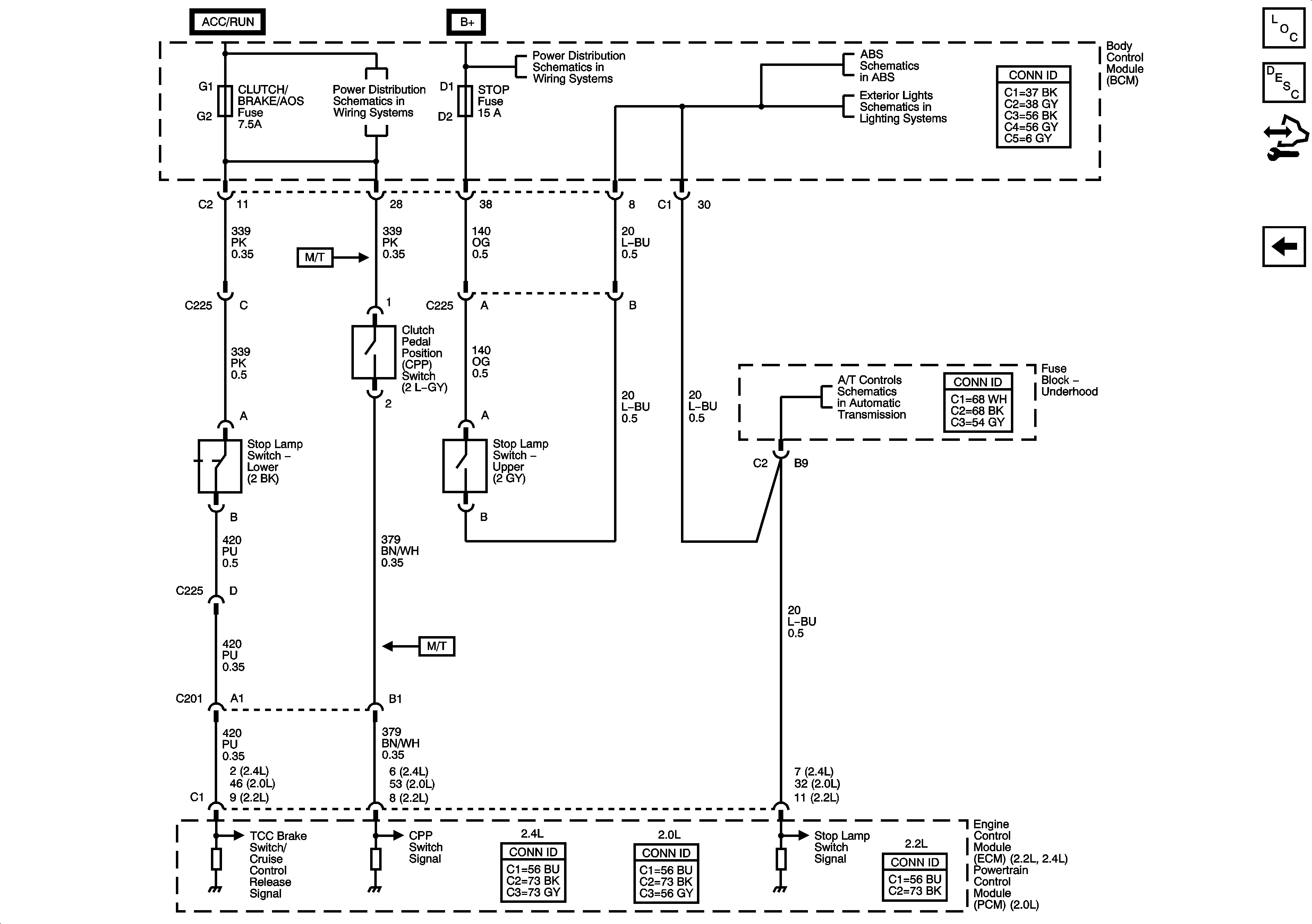
Figure
2:
Stop Lamp and Clutch Switches
Master Electrical Component List
Cruise Control Description and Operation (non 2.0L)
Control Module References
Driver Controls
BCM ELECT, CLUSTER/AOS, EPS (60A), FUEL PUMP, HVAC, IGN SW, IP BATT 2, RUN (IGN 3), and STOP Fuses, RUN and FUEL PUMP Relays
BCM ELECT, CLUSTER/AOS, EPS (60A), FUEL PUMP, HVAC, IGN SW, IP BATT 2, RUN (IGN 3), and STOP Fuses, RUN and FUEL PUMP Relays
Traction Control, DLC, and Indicators
Stop Lamps
Accessory Voltage, Stop Lamp Switch, and Serial Data