GM Service Manual Online
For 1990-2009 cars only
Makes
🢒
Saturn
🢒
2006
🢒
ION
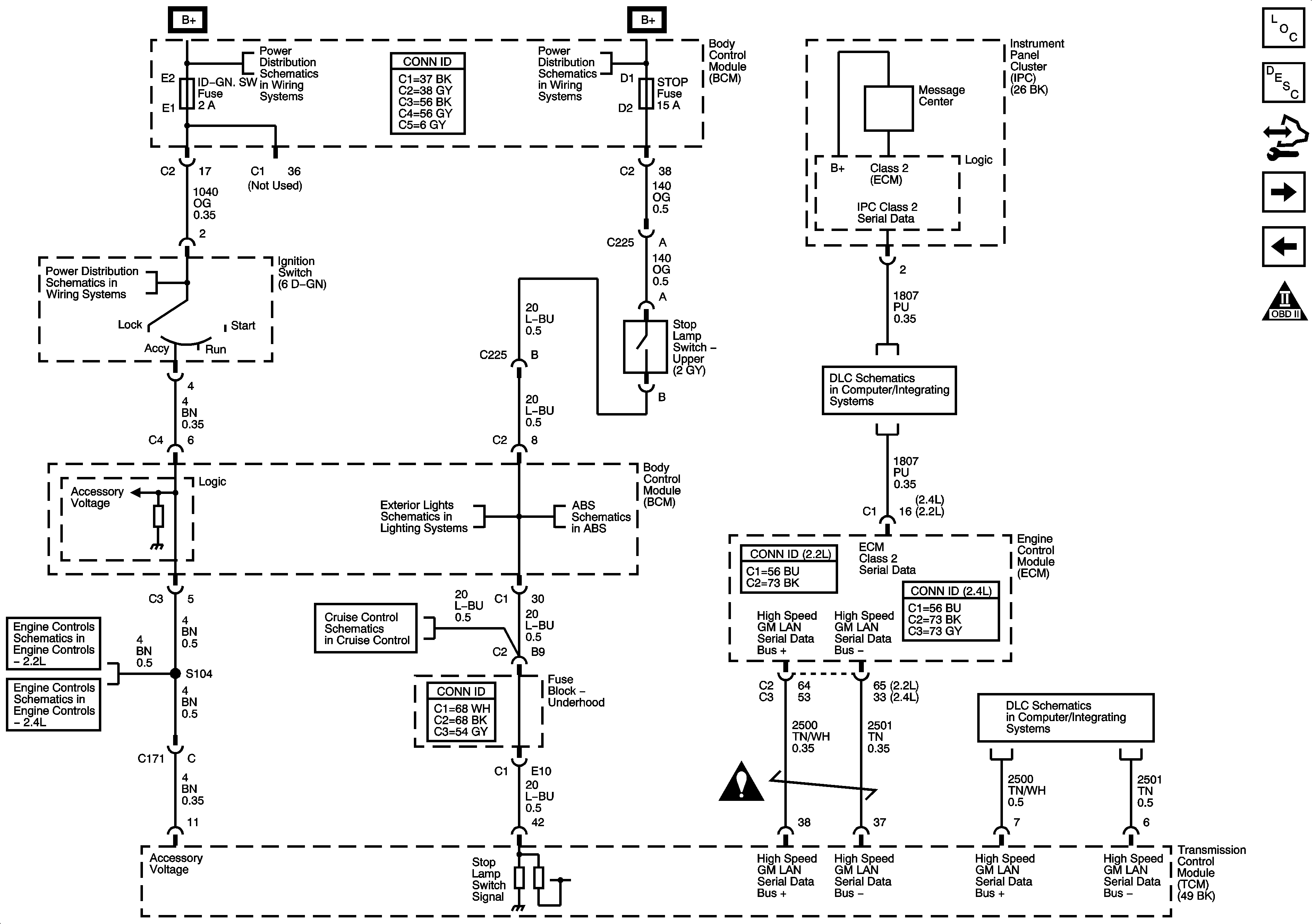
🢒 Accessory Voltage, Stop Lamp Switch, and Serial Data
Accessory Voltage, Stop Lamp Switch, and Serial Data
Accessory Voltage, Stop Lamp Switch, and Serial Data
Master Electrical Component List
Transmission General Description
Control Module References
Transmission Solenoids and AT OSS Sensor
TCM, Power, Ground, and PNP Switch
Automatic Transmission Schematic Icons
BCM ELECT, CLUSTER/AOS, EPS (60A), FUEL PUMP, HVAC, IGN SW, IP BATT 2, RUN (IGN 3), and STOP Fuses, RUN and FUEL PUMP Relays
BCM ELECT, CLUSTER/AOS, EPS (60A), FUEL PUMP, HVAC, IGN SW, IP BATT 2, RUN (IGN 3), and STOP Fuses, RUN and FUEL PUMP Relays
Ignition Switch, RUN/CRANK Fuse, RUN/CRANK (IGN1) Relay
Stop Lamps
Traction Control, DLC, and Indicators
DLC Power, Ground, Class 2, and Low Speed GM LAN
Power, Ground, MIL, and Serial Data - 2.2L
Power, Ground, MIL and Serial Data
Stop Lamp and Clutch Switches
High Speed GM LAN - 2.2L
Automatic Transmission Schematic Icons