GM Service Manual Online
For 1990-2009 cars only
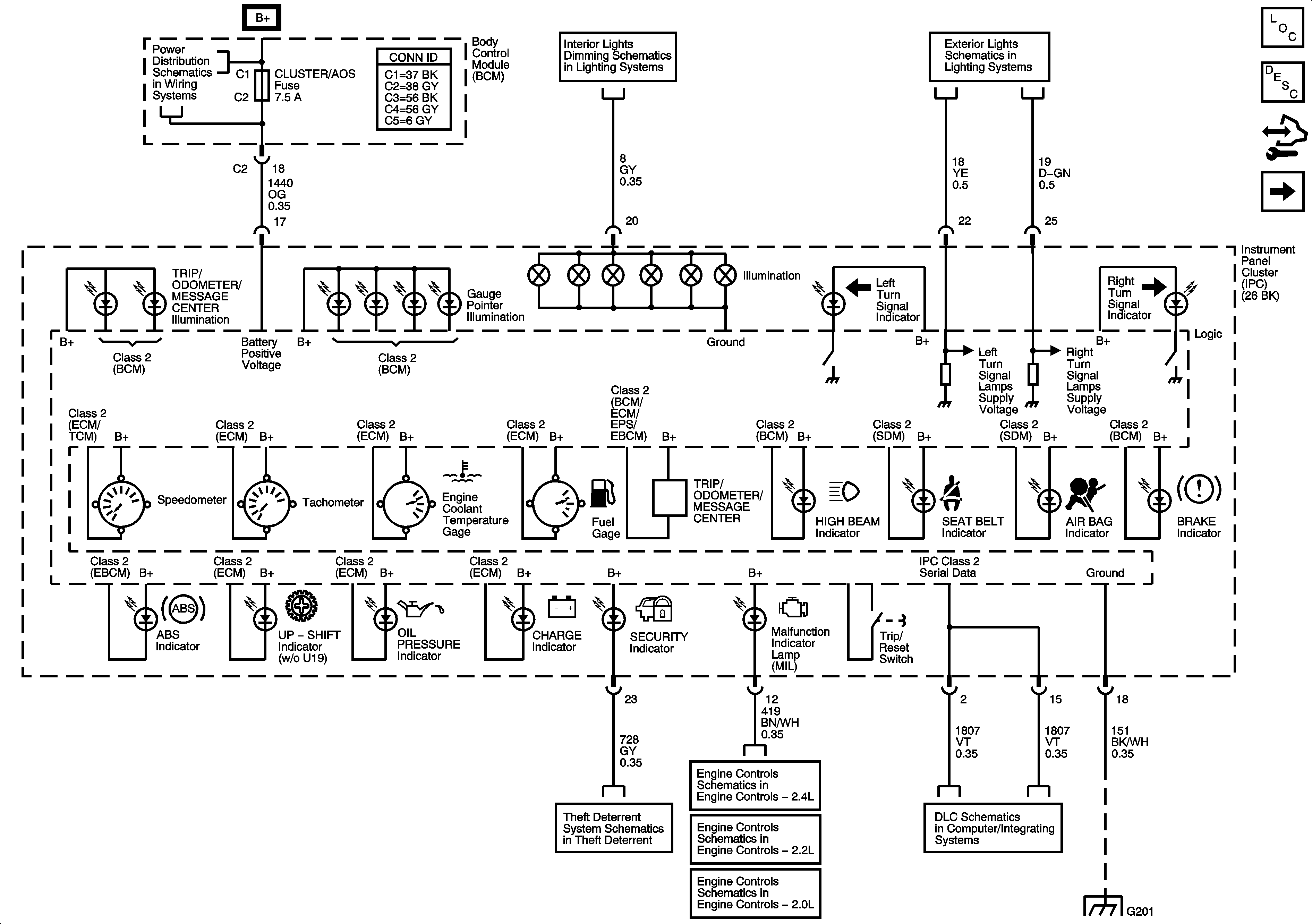
Figure 1:

DLC, Gages, Ground, Indicators, and Power


Object Number: 1592820  Size: FS
Master Electrical Component List
Instrument Cluster Description and Operation
Control Module References
Fuel Level and Oil Pressure
BCM ELECT, CLUSTER/AOS, EPS (60A), FUEL PUMP, HVAC, IGN SW, IP BATT 2, RUN (IGN 3), and STOP Fuses, RUN and FUEL PUMP Relays
Turn Signal/Multifunction Switch, Instrument Panel Cluster, I/P Dimmer Switch, Hazard Switch, Fog Lamp Switch, Traction Control Switch and Radio
Turn/Hazard Lamps
Vehicle Theft Deterrent
Power, Ground, MIL and Serial Data
Power, Ground, MIL, and Serial Data - 2.2L
Power, Ground, MIL, and Serial Data - 2.0L
DLC Power, Ground, Class 2, and Low Speed GM LAN
G201
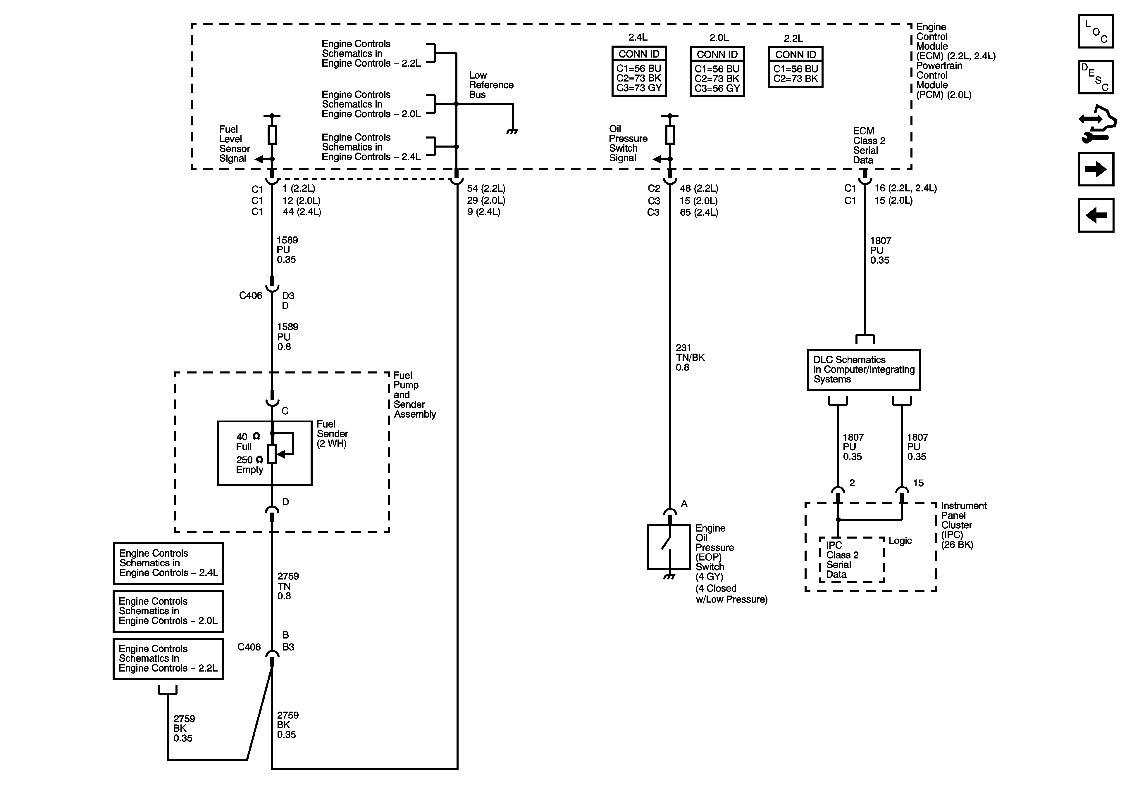
Figure 2:

Fuel Level and Oil Pressure


Object Number: 1592821  Size: FS
Master Electrical Component List
Instrument Cluster Description and Operation
Control Module References
Boost Gage / Shift Indicator Module (UXE)
DLC, Gages, Ground, Indicators, and Power
Engine Data Sensors - 5-Volt and Low Reference Bussing - 2.0L
Engine Data Sensors - 5-Volt and Reference Bussing - 2.2L
Engine Data Sensors-5-Volt and Low References
Engine Data Sensors-5-Volt and Low References
Engine Data Sensors - 5-Volt and Low Reference Bussing - 2.0L
Engine Data Sensors - 5-Volt and Reference Bussing - 2.2L
DLC Power, Ground, Class 2, and Low Speed GM LAN
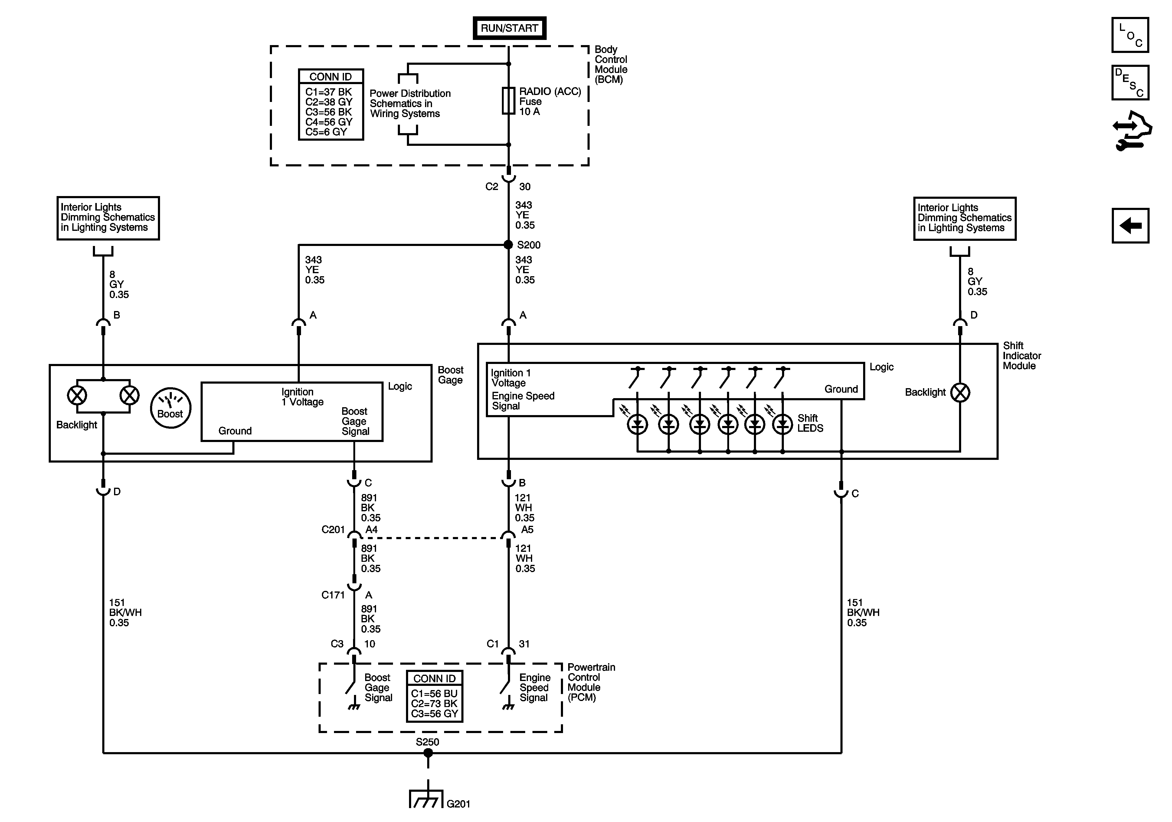
Figure 3:

Boost Gage/Shift Indicator Module (UXE)


Object Number: 1592822  Size: FS
Master Electrical Component List
Instrument Cluster Description and Operation
Control Module References
Fuel Level and Oil Pressure
Turn Signal/Multifunction Switch, Instrument Panel Cluster, I/P Dimmer Switch, Hazard Switch, Fog Lamp Switch, Traction Control Switch and Radio
BCM (PWR), DASH, IP BATT 1, IP BATT 1A, LIGHTER, ONSTAR, PARK, PWR OUTLET, PWR WINDOWS, RADIO (ACC.), RADIO (BATT), SUN ROOF, and WIPER SW Fuses
G201
Turn Signal/Multifunction Switch, Instrument Panel Cluster, I/P Dimmer Switch, Hazard Switch, Fog Lamp Switch, Traction Control Switch and Radio