GM Service Manual Online
For 1990-2009 cars only
Makes
🢒
Saturn
🢒
2007
🢒
ION
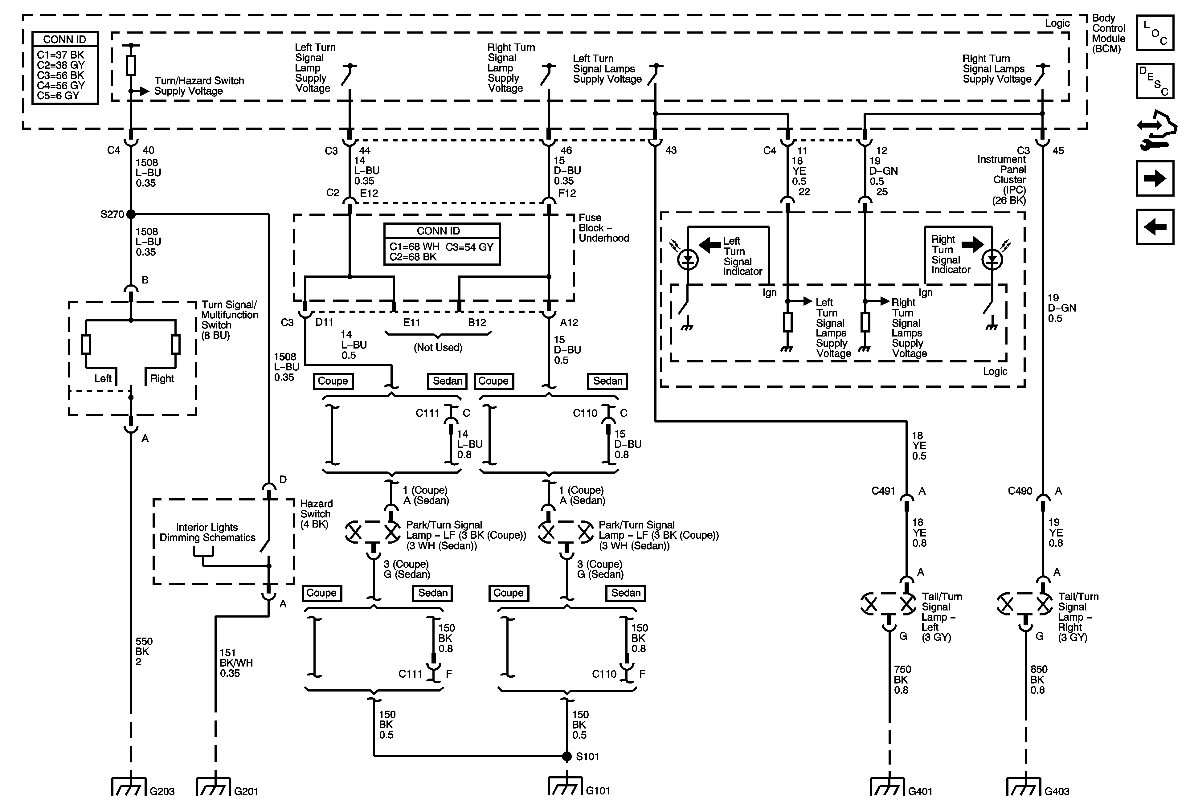
🢒 Turn/Hazard Lamps
Turn/Hazard Lamps
Turn/Hazard Lamps
Master Electrical Component List
Exterior Lighting Systems Description and Operation
Control Module References
Stop Lamps
Parking Lamps
Turn Signal/Multifunction Switch, Instrument Panel Cluster, I/P Dimmer Switch, Hazard Switch, Fog Lamp Switch, Traction Control Switch, and Radio
G203
G201
G101
G401
G403, G502