GM Service Manual Online
For 1990-2009 cars only
Makes
🢒
Saturn
🢒
2003
🢒
L200/LW200
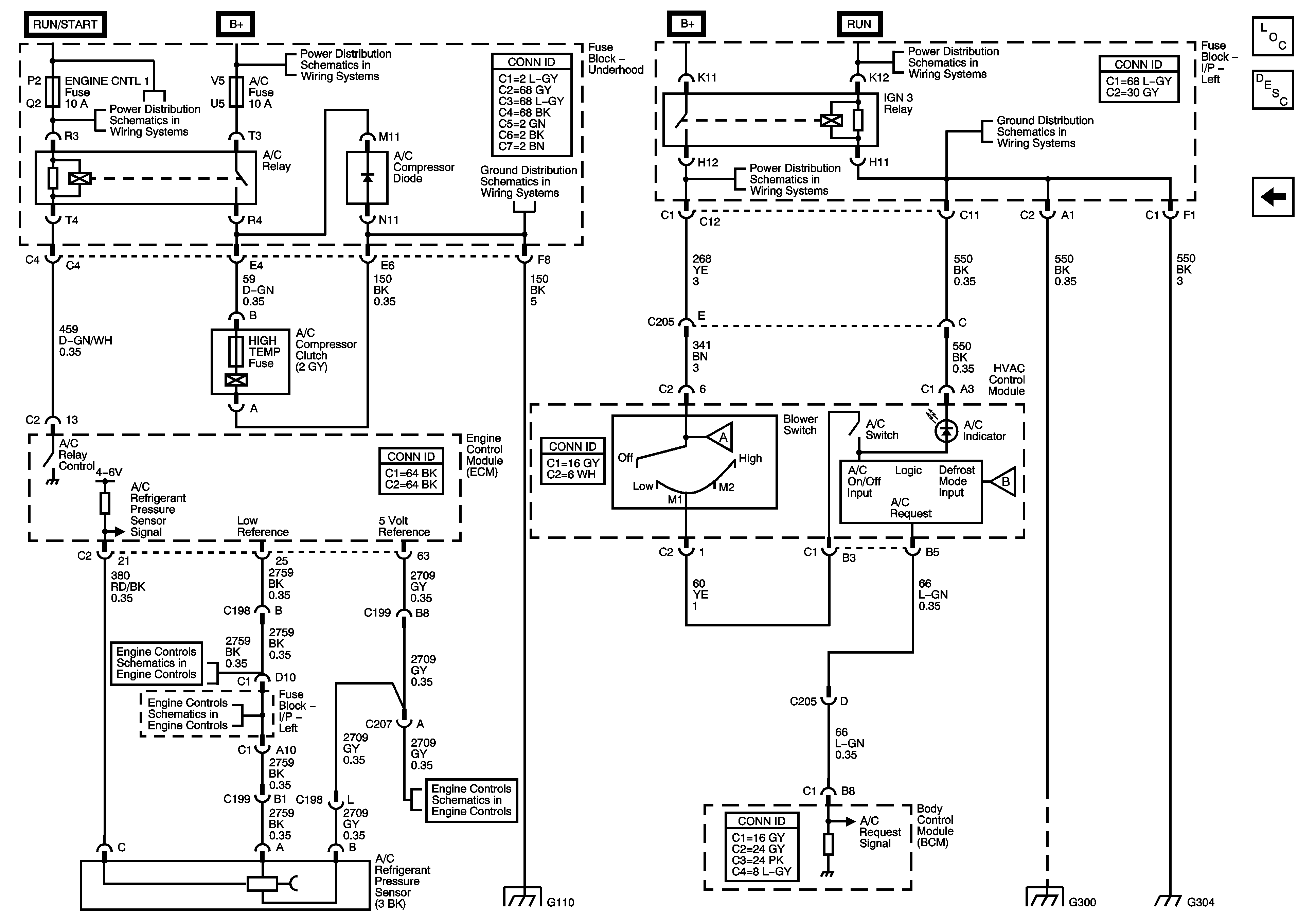
🢒 A/C Compressor Controls - 3.0L
A/C Compressor Controls - 3.0L
A/C Compressor Controls- 3.0L
Master Electrical Component List
Air Delivery Description and Operation
A/C Compressor Controls - 2.2L
Fuse Block Underhood Fuses: AC, Fuel Pump, ENG Control, ENG Control2, ENG Control3
Fuse Block - Underhood Bus
Fuse Block-Underhood: IGN3; Fuse Block-Right I/P: Heated Seat
G102, G110, G118, G114
Fuse Block Underhood Fuses: HVAC Blower, Radio, CD/DLC Fuse Block-Left I/P Fuses: IGN3
Blower Controls, Air Delivery
Blower Controls, Air Delivery
Engine Data Sensors-Low References
Engine Data Sensors-Low References
Engine Data Sensors-5 Volt Reference
G102, G110, G118, G114
G300, G304
G300, G304
G300, G304