GM Service Manual Online
For 1990-2009 cars only
Makes
🢒
Saturn
🢒
2003
🢒
L200/LW200
🢒 Indocators
Indocators
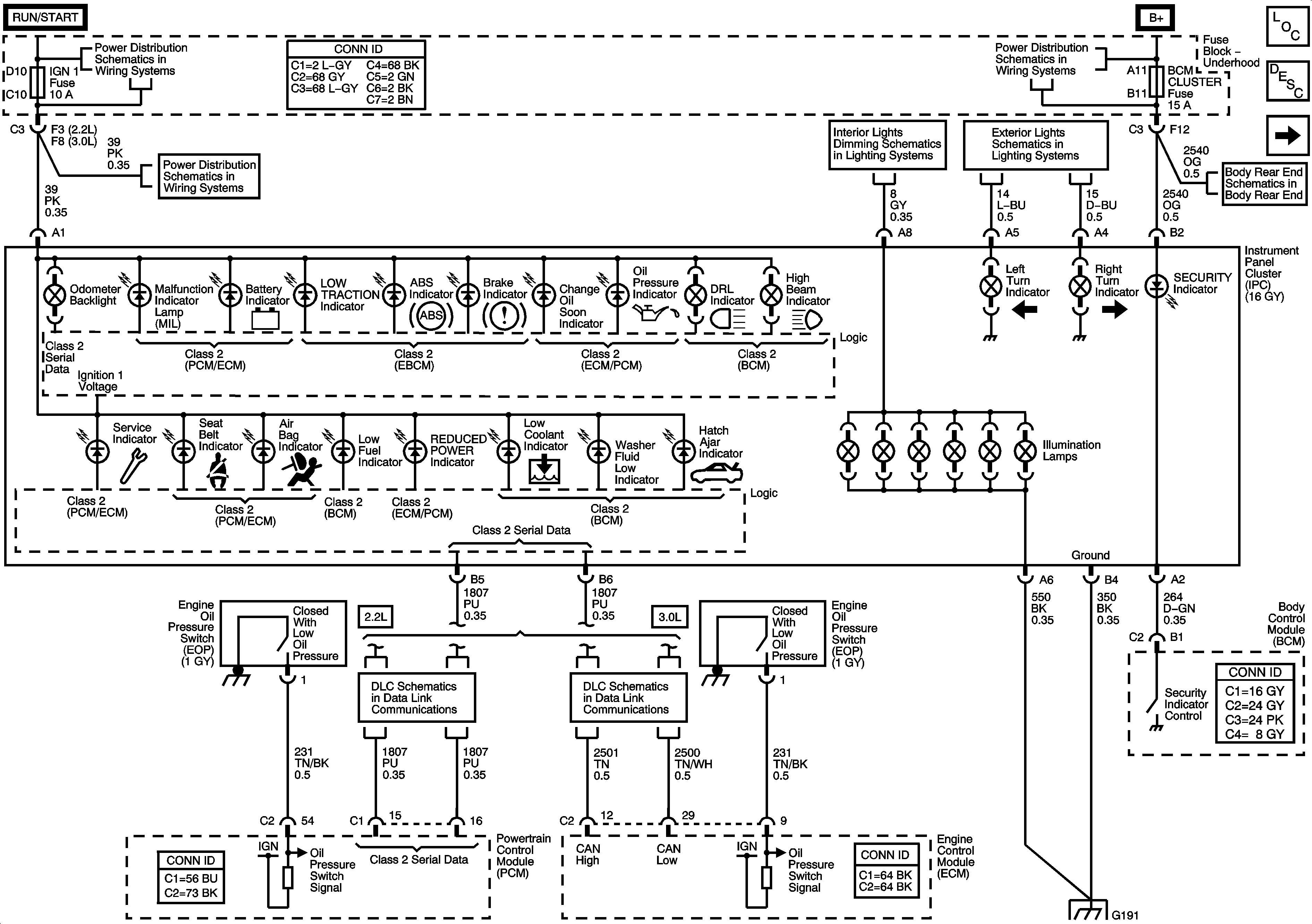
Power, Ground, and Indicators
Master Electrical Component List
Instrument Cluster Description and Operation
Gages
Fuse Block - Underhood Fuses: BCM/ECM/CRUISE/ABS, Cruise Switch, IGN1 and Backup/Turn
Fuse Block - Underhood Fuses: BCM/ECM/CRUISE/ABS, Cruise Switch, IGN1 and Backup/Turn
Fuse Block Underhood Fuses: Rear Defog, BCM Cluster; Fuse Block-Left I/P Fuses: Defog
Interior Lights Dimming Schematics
Turn/Hazard Lamps
Body Rear End Schematics
DLC Schematics (2.2L)
DLC Schematics (3.0L)
G191, G303