GM Service Manual Online
For 1990-2009 cars only
Makes
🢒
Saturn
🢒
2007
🢒
OUTLOOK - FWD
🢒
Safety and Security
🢒
Supplemental Inflatable Restraints
🢒 SIR Schematics
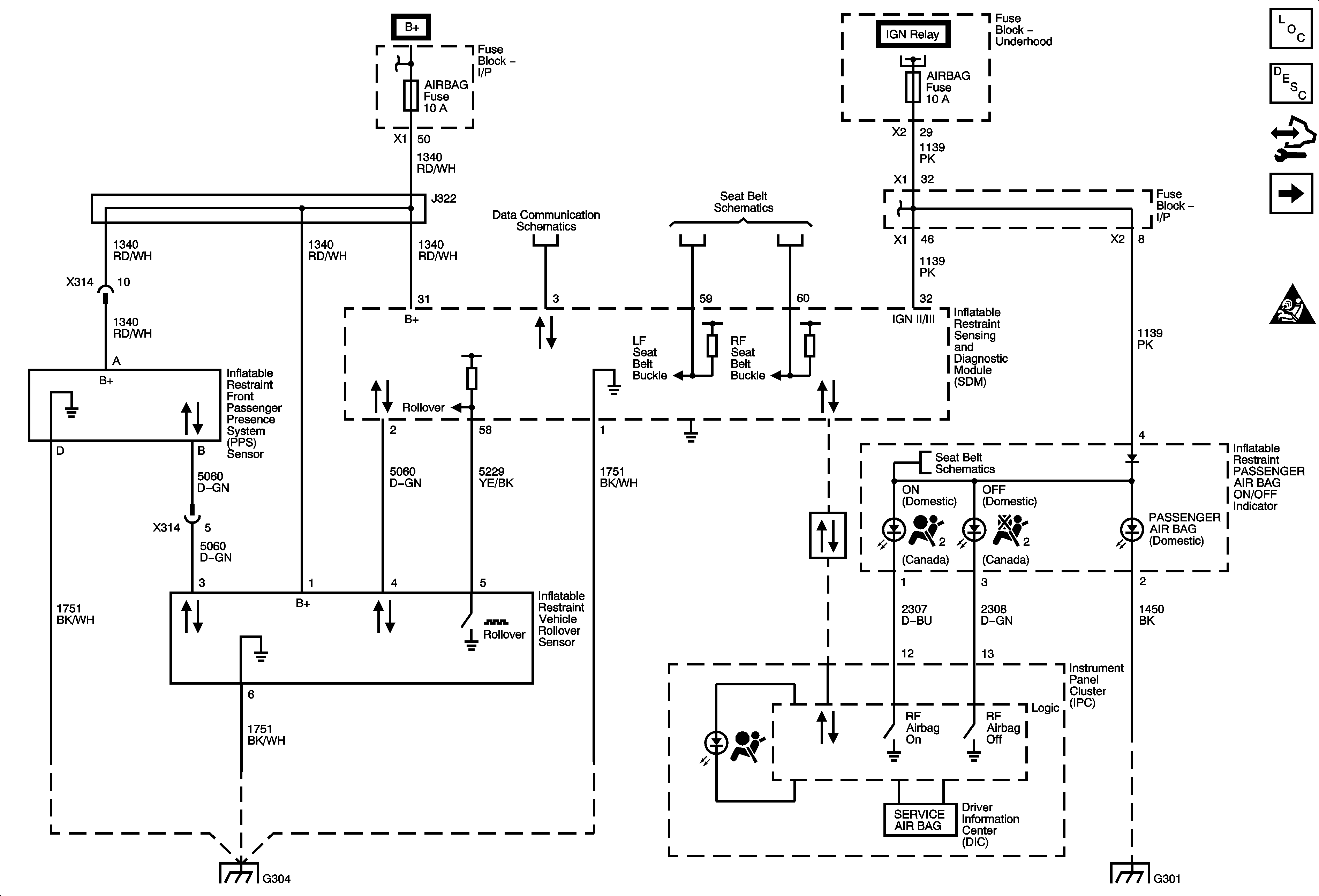
Figure
1:
Module Power, Ground, Indicators, Rollover/Passenger Presence Sensors
Master Electrical Component List
SIR System Description and Operation
Control Module References
Front End Sensors, Seat Belt Pretentioners, and Front Air Bags
AIRBAG, AMP, BATT 1, BCM, CNSTR/VENT, CSTY, DISPLAY, INADV/PWR/LED, INFOTAINMENT, MSM, POWER MOD, and RADIO Fuses
Data Communication Schematics
Seat Belt Schematics
B+ Bus 2 of 2
Data Communication Schematics
Seat Belt Schematics
G303 2 of 2, G304, and G305
G301 1 of 2
SIR Schematic Icons
Figure
2:
Front End Sensors, Seat Belt Pretentioners, and Front Air Bags
Master Electrical Component List
SIR System Description and Operation
Control Module References
SIR Schematic Icons
Side Impact Sensors and Roof Rail/Side Impact Air Bags
Module Power, Ground, Indicators, Rollover/Passenger Presence Sensors
Figure
3:
Side Impact Sensors and Roof Rail/Side Impact Air Bags
Master Electrical Component List
SIR System Description and Operation
Control Module References
SIR Schematic Icons
Front End Sensors, Seat Belt Pretentioners, and Front Air Bags