GM Service Manual Online
For 1990-2009 cars only
Makes
🢒
Saturn
🢒
2007
🢒
RELAY Ext.
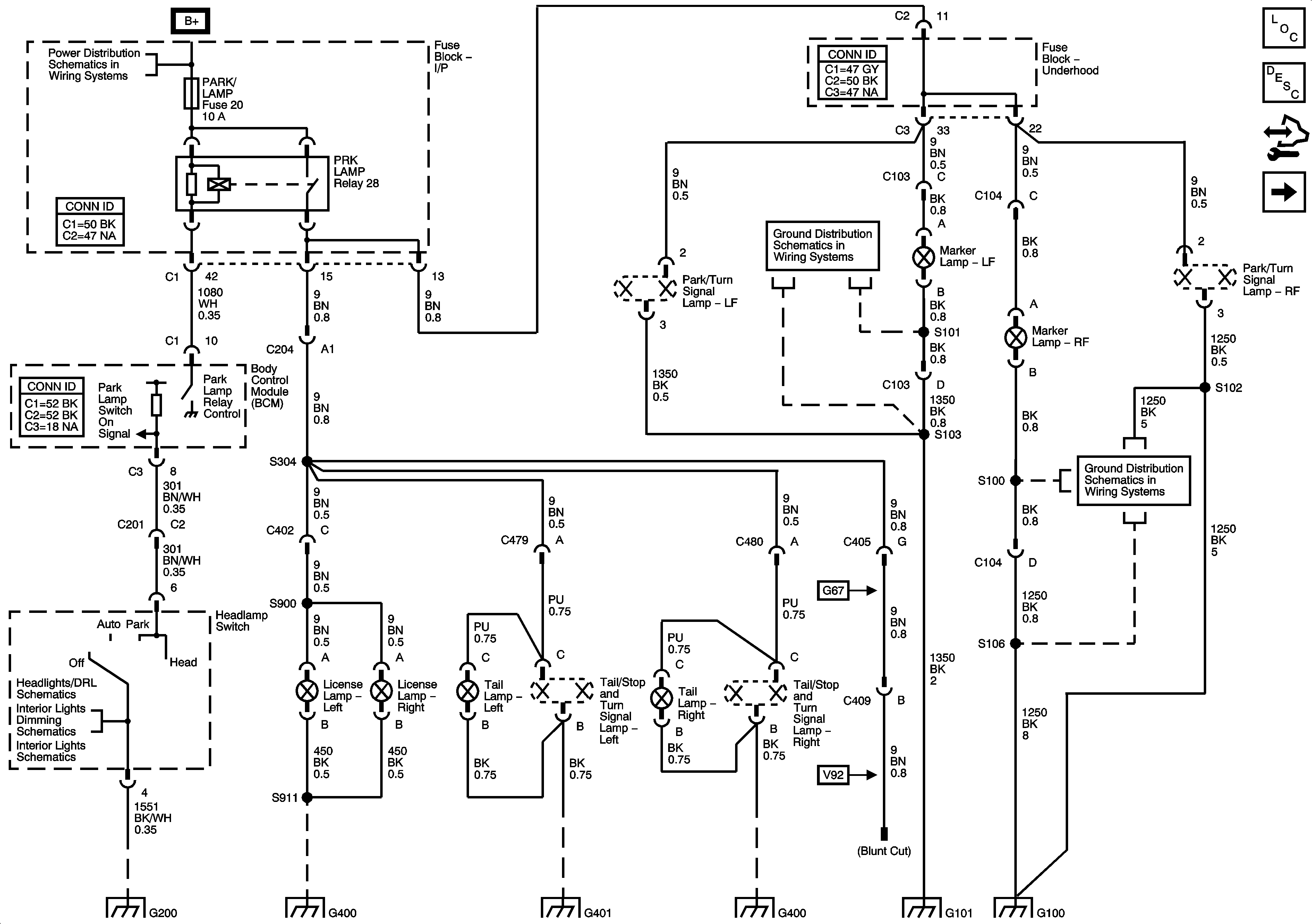
🢒 Park, Marker, and License Lamps
Park, Marker, and License Lamps
Park, Marker, and License Lamps
Master Electrical Component List
Exterior Lighting Systems Description and Operation
Control Module References
Stop/Turn Signal Lamps Controls and Indicators
CHMSL BCK/UP, PRK LAMP, PSD, and RFA MDLS Fuses
G100 and G101
G100 and G101
G100 and G101
G100 and G101
Headlights
Control, I/P and Passenger Door Lamps
Switches
G200 - 2 of 2
G401
G400
G400