GM Service Manual Online
For 1990-2009 cars only
Makes
🢒
Saturn
🢒
2007
🢒
RELAY Ext.
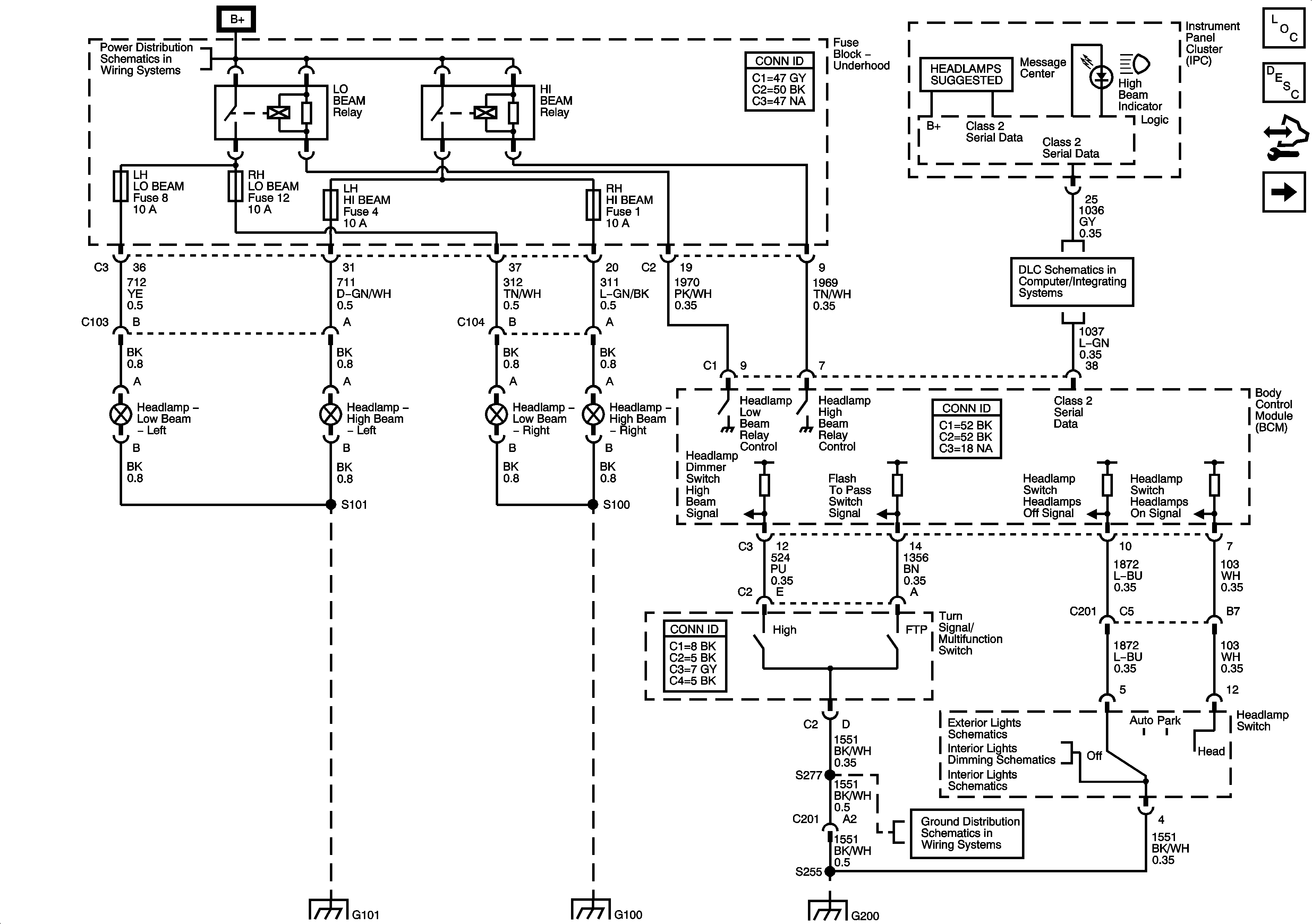
🢒 Headlights
Headlights
Headlights
Master Electrical Component List
Exterior Lighting Systems Description and Operation
Control Module References
Daytime Running Lights
FRT/BLWR, HTD/MIR, LH HI BEAM, LH LO BEAM, RH LO BEAM, RH HI BEAM, RR BLWR/110VAC, and RR DEFOG Fuses
Data Link Connector (DLC) Schematics
G100 and G101
G100 and G101
G200 - 2 of 2
Park, Marker, and License Lamps
Control, I/P and Passenger Door Lamps
Switches