GM Service Manual Online
For 1990-2009 cars only
Makes
🢒
Saturn
🢒
2007
🢒
RELAY Ext.
🢒 Switches
Switches
Switches
Master Electrical Component List
Interior Lighting Systems Description and Operation
Control Module References
Lamps
Headlights
Park, Marker, and License Lamps
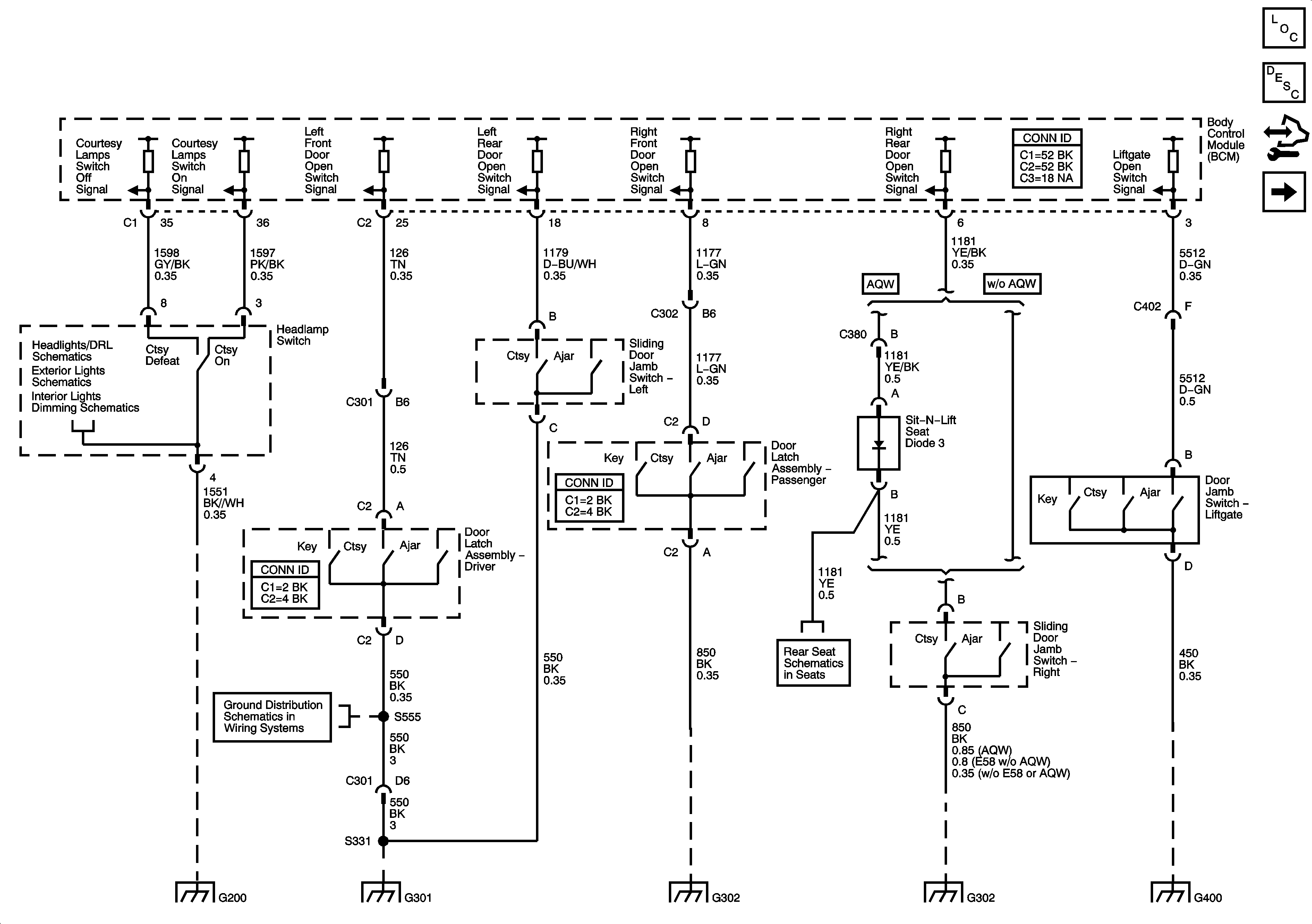
Control, I/P and Passenger Door Lamps
Left Door Controls
G301
G302 - 1 of 2
Sit-N-Lift Seat Door and PNP Interlocks, and Remote
G302 - 2 of 2
Right Door Controls
G400