GM Service Manual Online
For 1990-2009 cars only
Makes
🢒
Saturn
🢒
2004
🢒
VUE - FWD
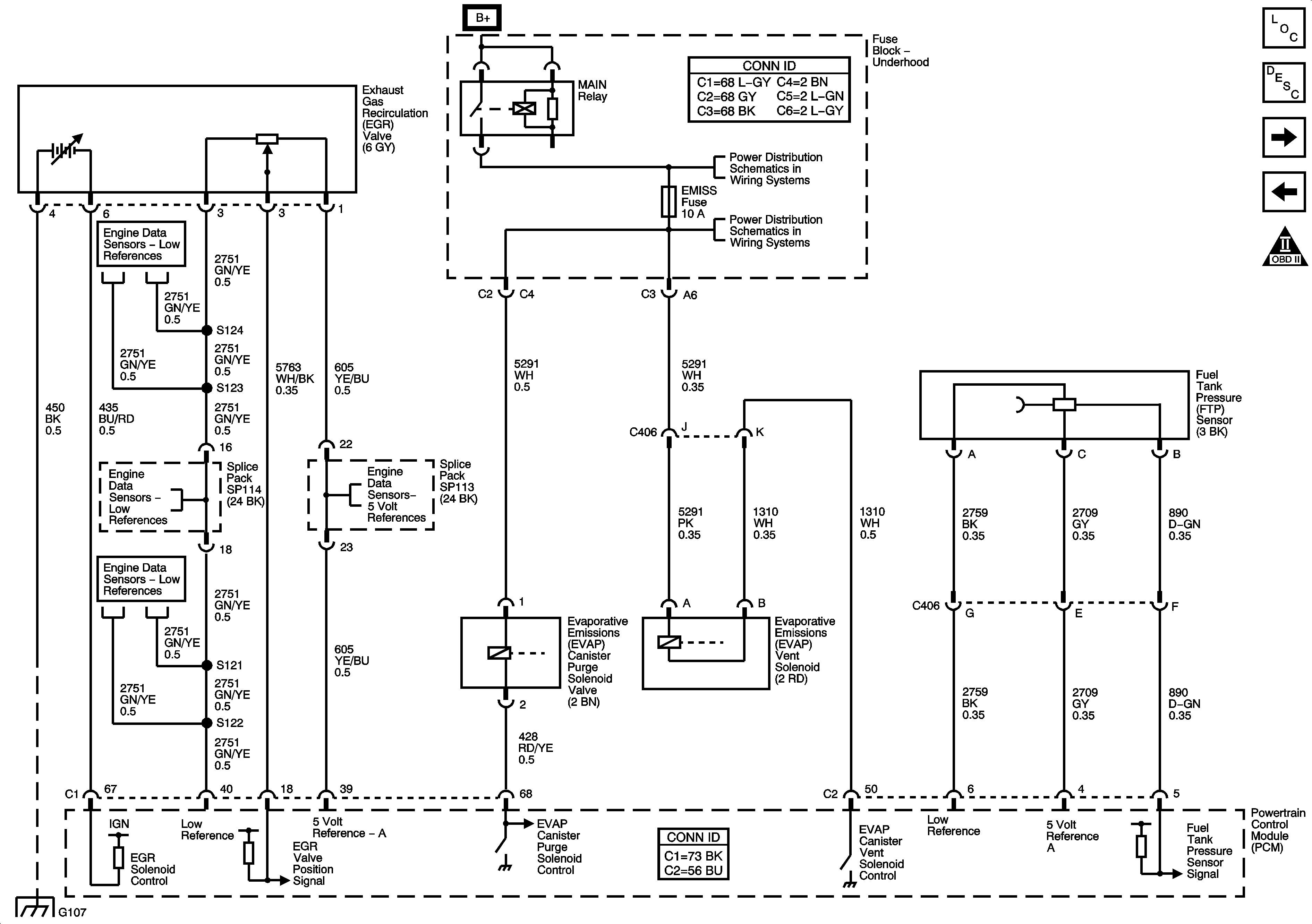
🢒 EVAP Controls, EGR and FTP Sensors
EVAP Controls, EGR and FTP Sensors
EVAP Controls, EGR Valve, and FTP Sensor Signals
Master Electrical Component List
Fuel System Description
Controlled/Monitored Subsystem References
Fuel Injectors, Fuel Pump, and Valve Timing Signals
OBD II Symbol Description Notice
IGN Fuse, Ignition Switch, and the Igntion Switch Position Circuits
L66 1 of 2 - ENG MAIN Relay, EMISS Fuse, and the INJECTORS Fuse
Engine Data Sensors - Low References
Engine Data Sensors - 5 Volt References
w/L66 - G103, G105, G107, G109, and G207
Engine Data Sensors - 5 Volt References