| Figure 1: |
PCM Power, Ground, Communication and the MIL
|
| Figure 2: |
5-Volt References
|
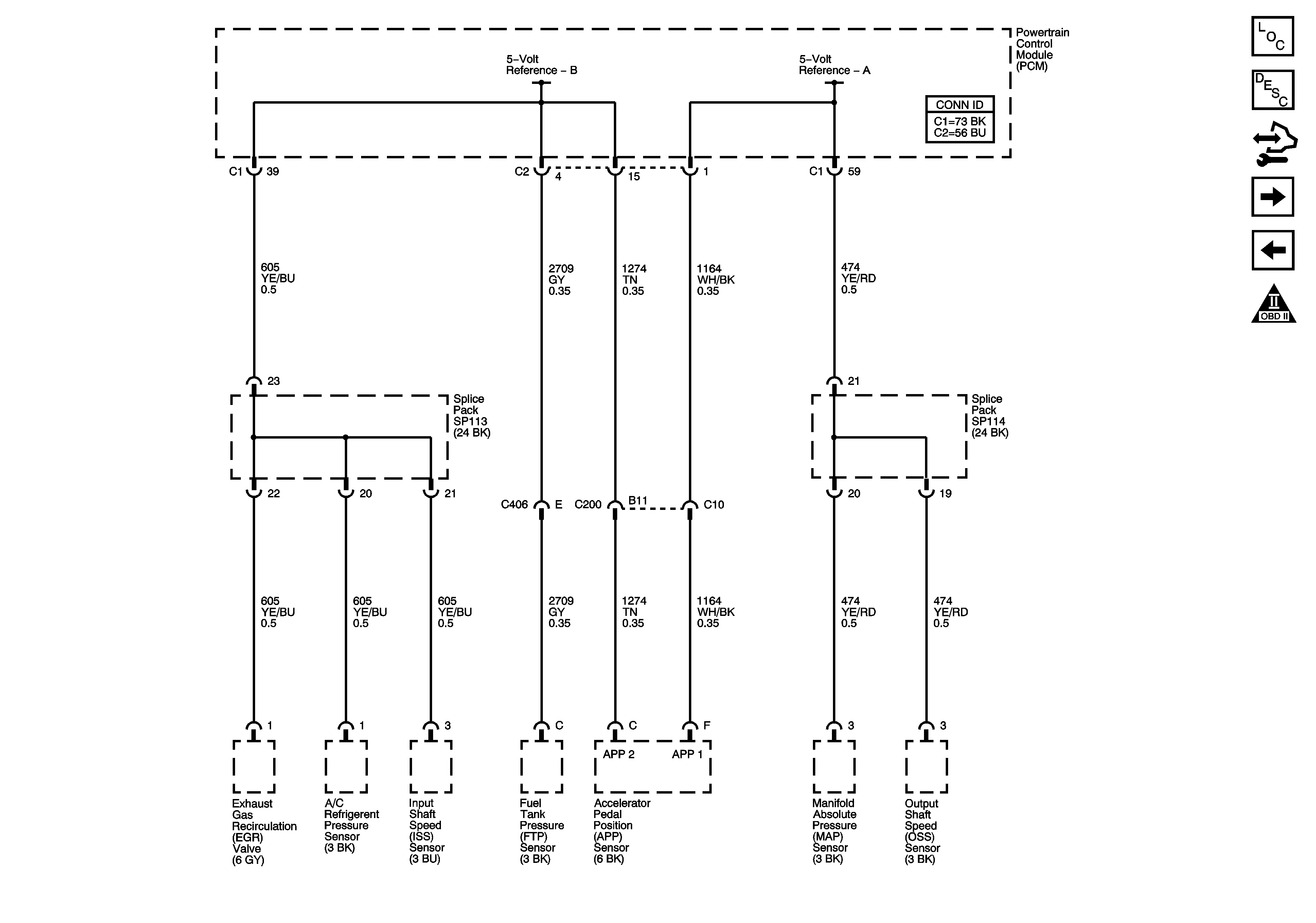
| Figure 3: |
Low References
|
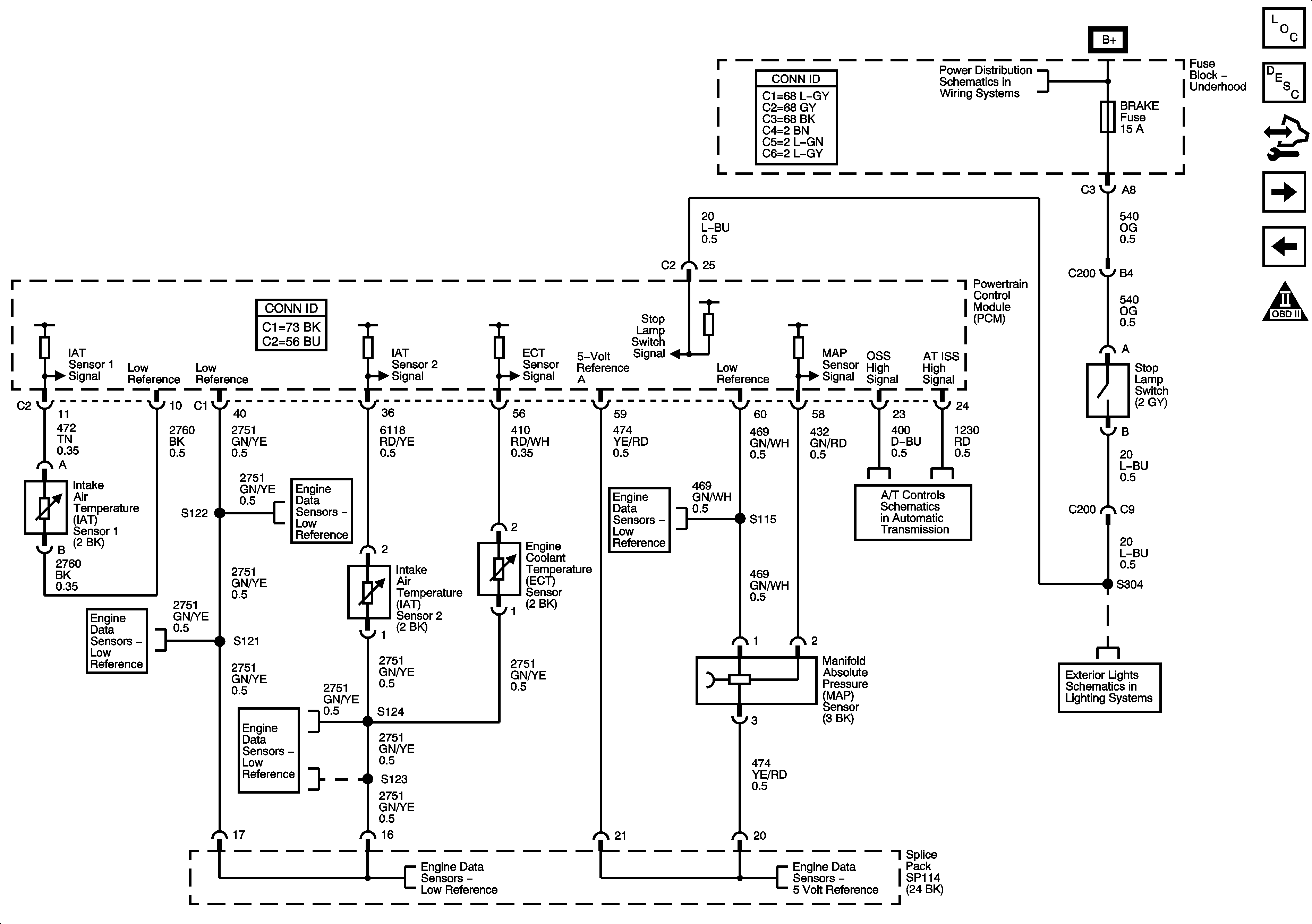
| Figure 4: |
Engine Data Sensors - Pressure, Temperature and the Stop Lamp Switch
|
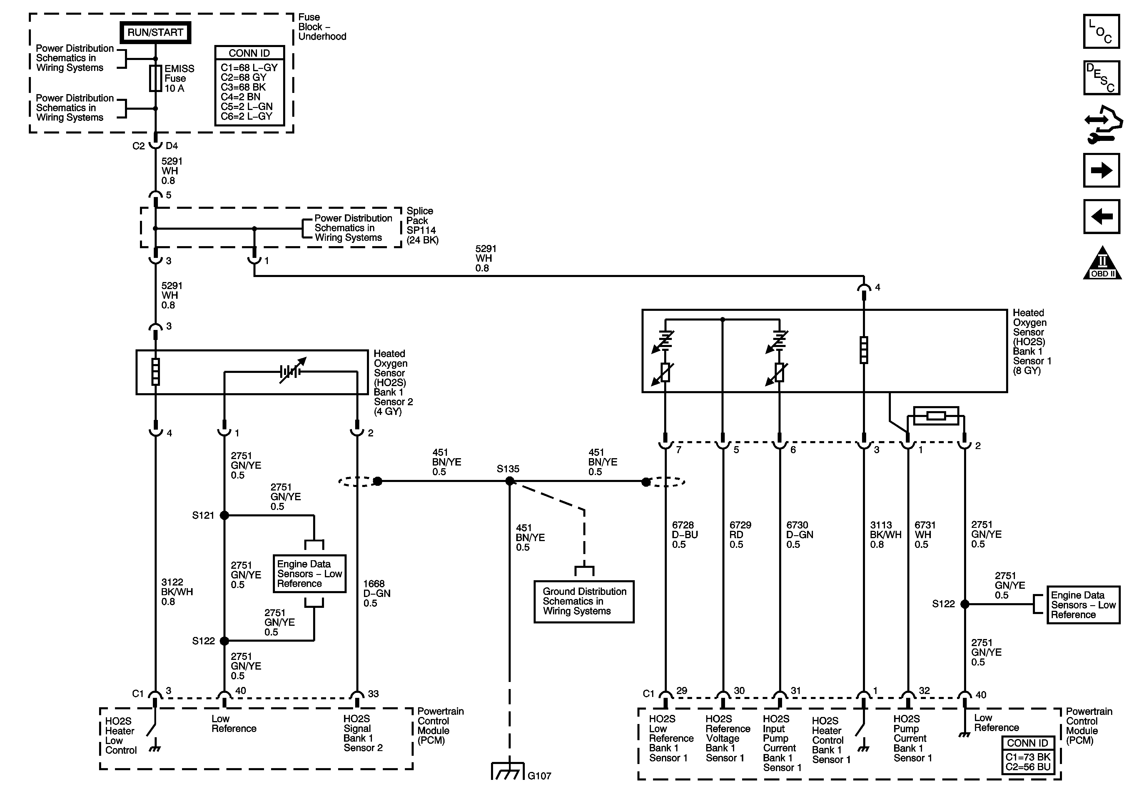
| Figure 5: |
Engine Data Sensors - Bank 1 Oxygen Sensors
|
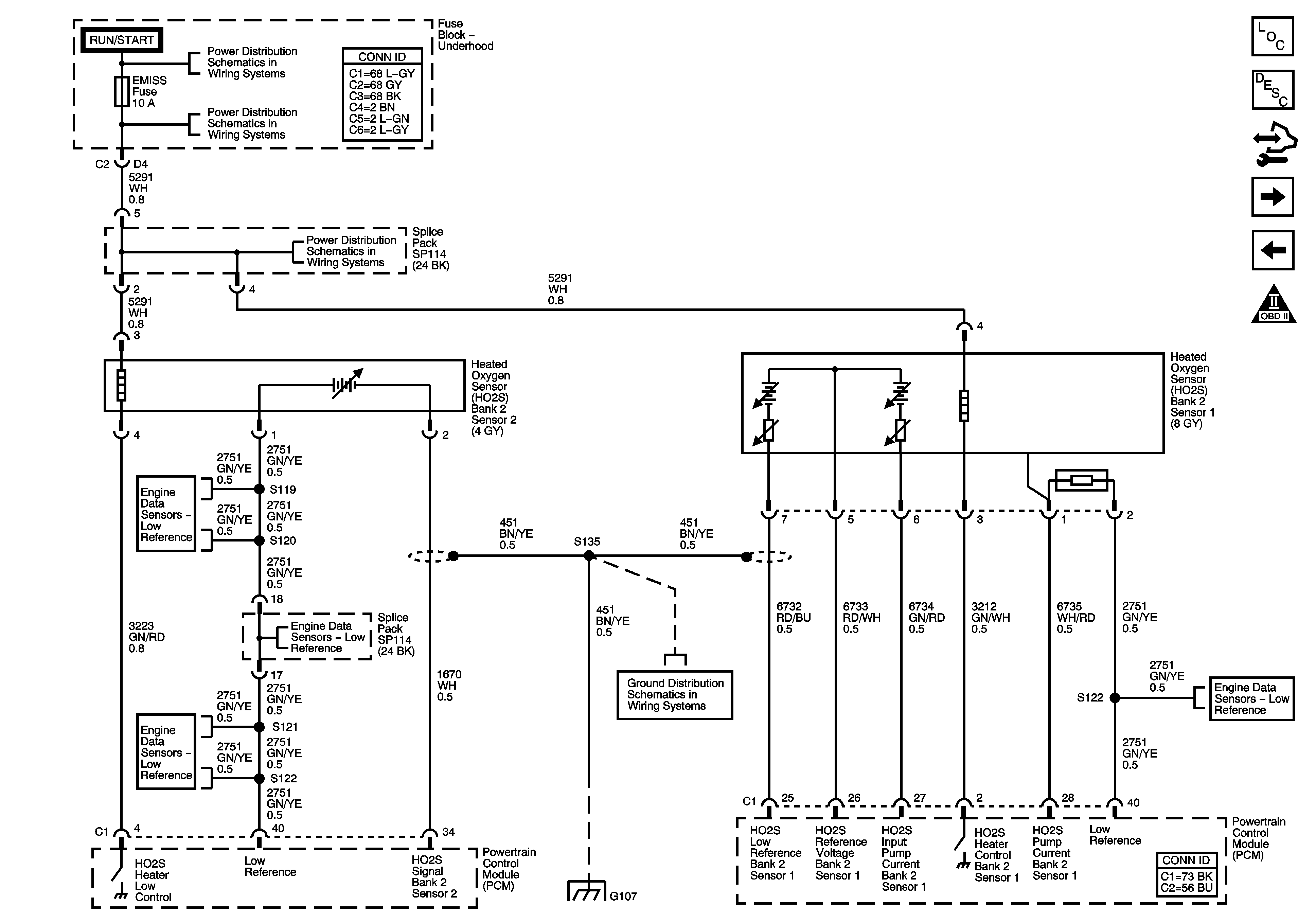
| Figure 6: |
Engine Data Sensors - Bank 2 Oxygen Sensors
|
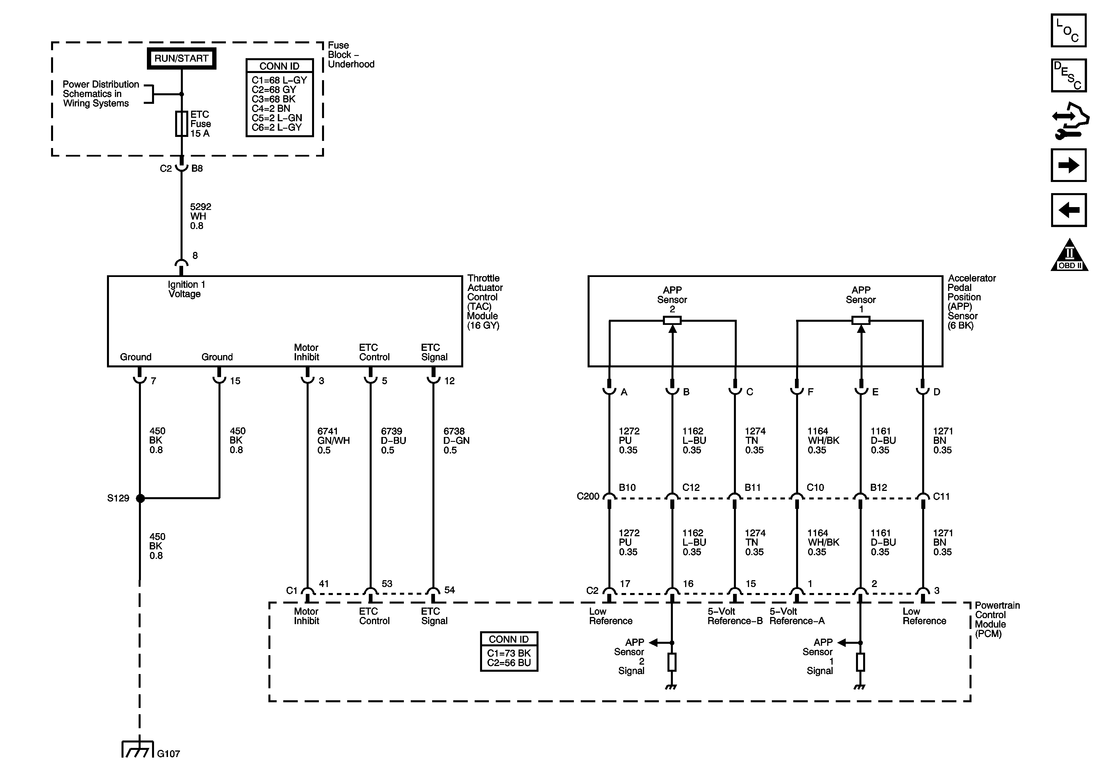
| Figure 7: |
Engine Data Sensors - Throttle Actuator Controls
|
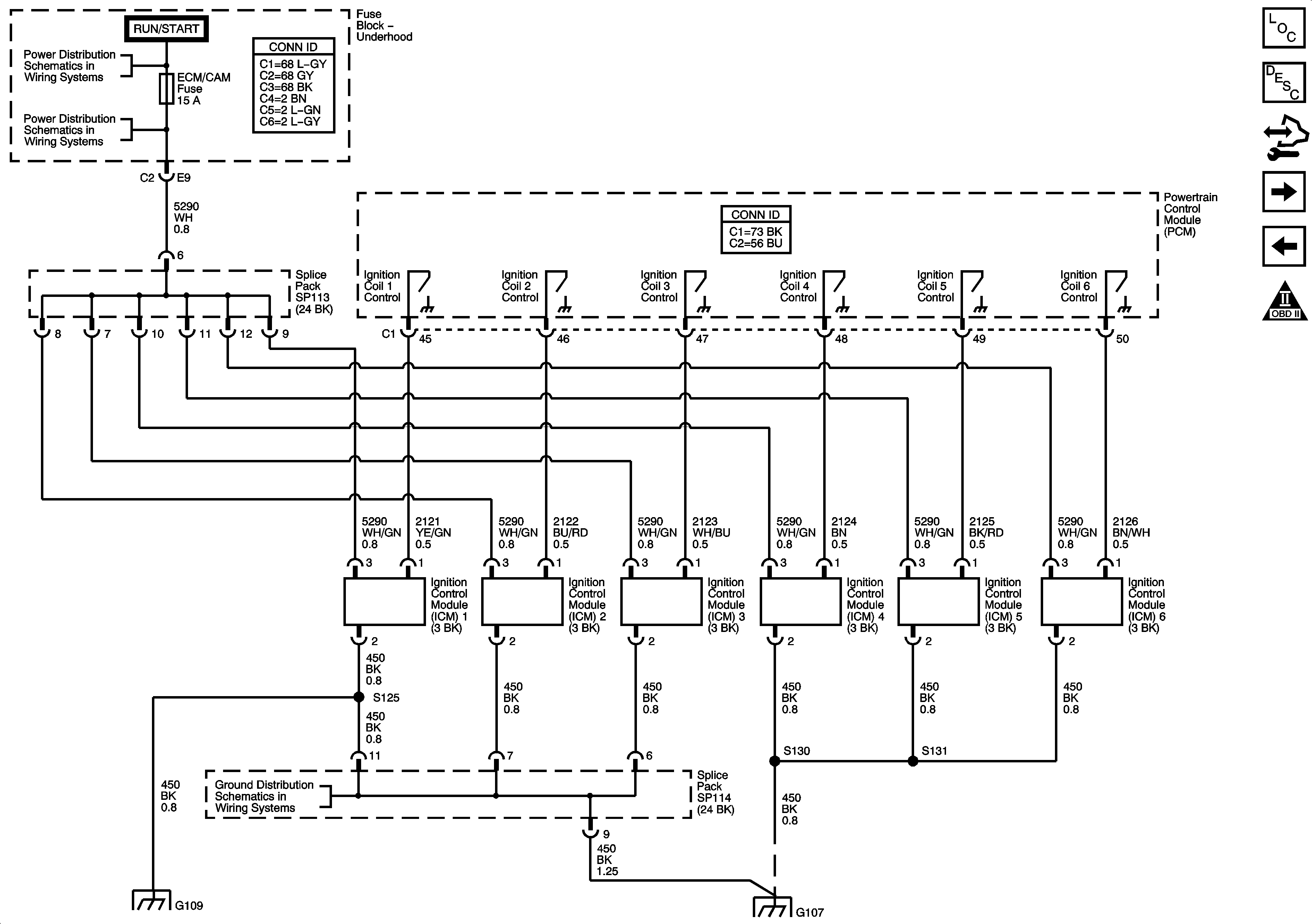
| Figure 8: |
Ignition Controls - Ignition Modules
|
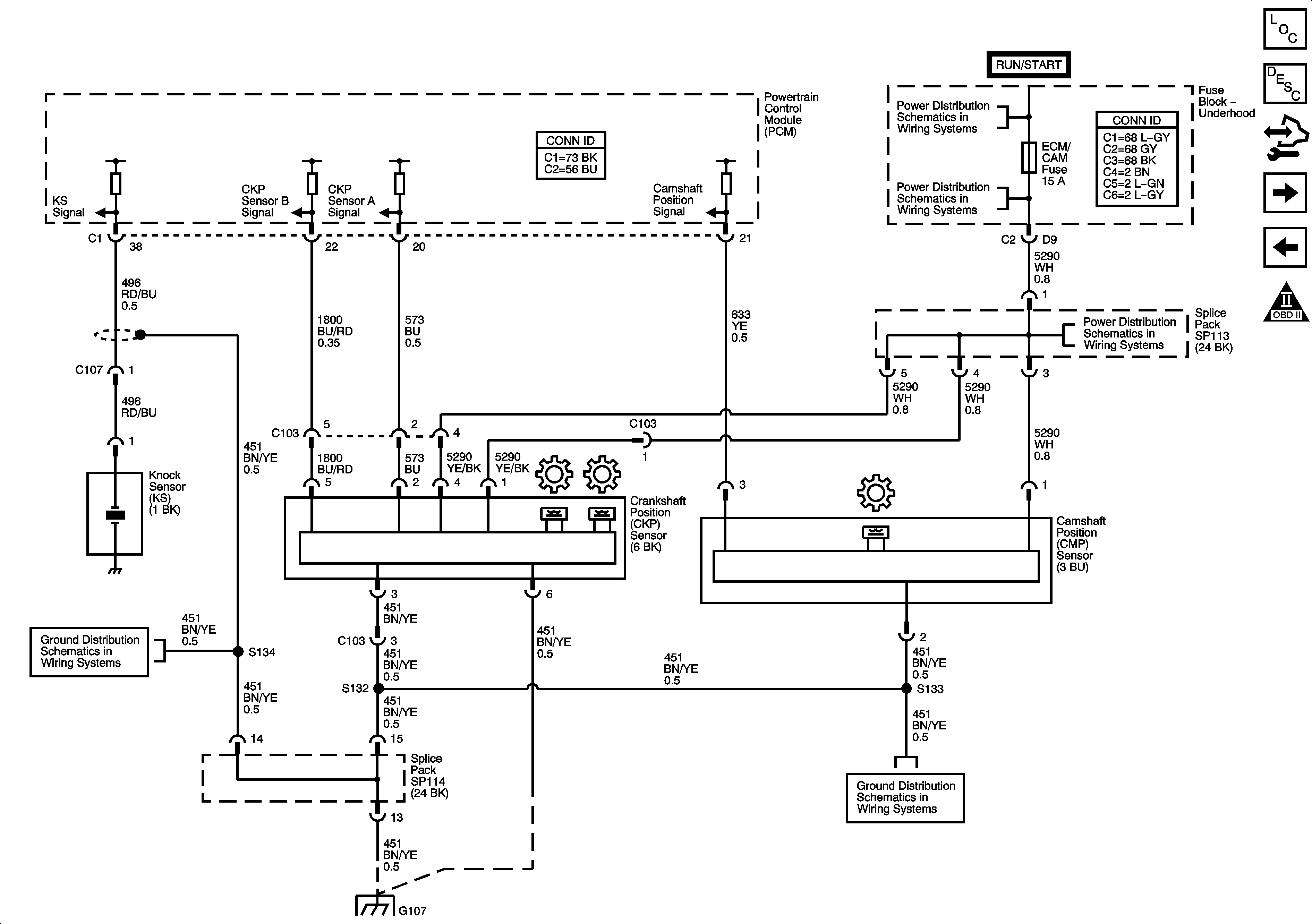
| Figure 9: |
Engine Data Sensors - KS, CKP and CMP Sensors
|
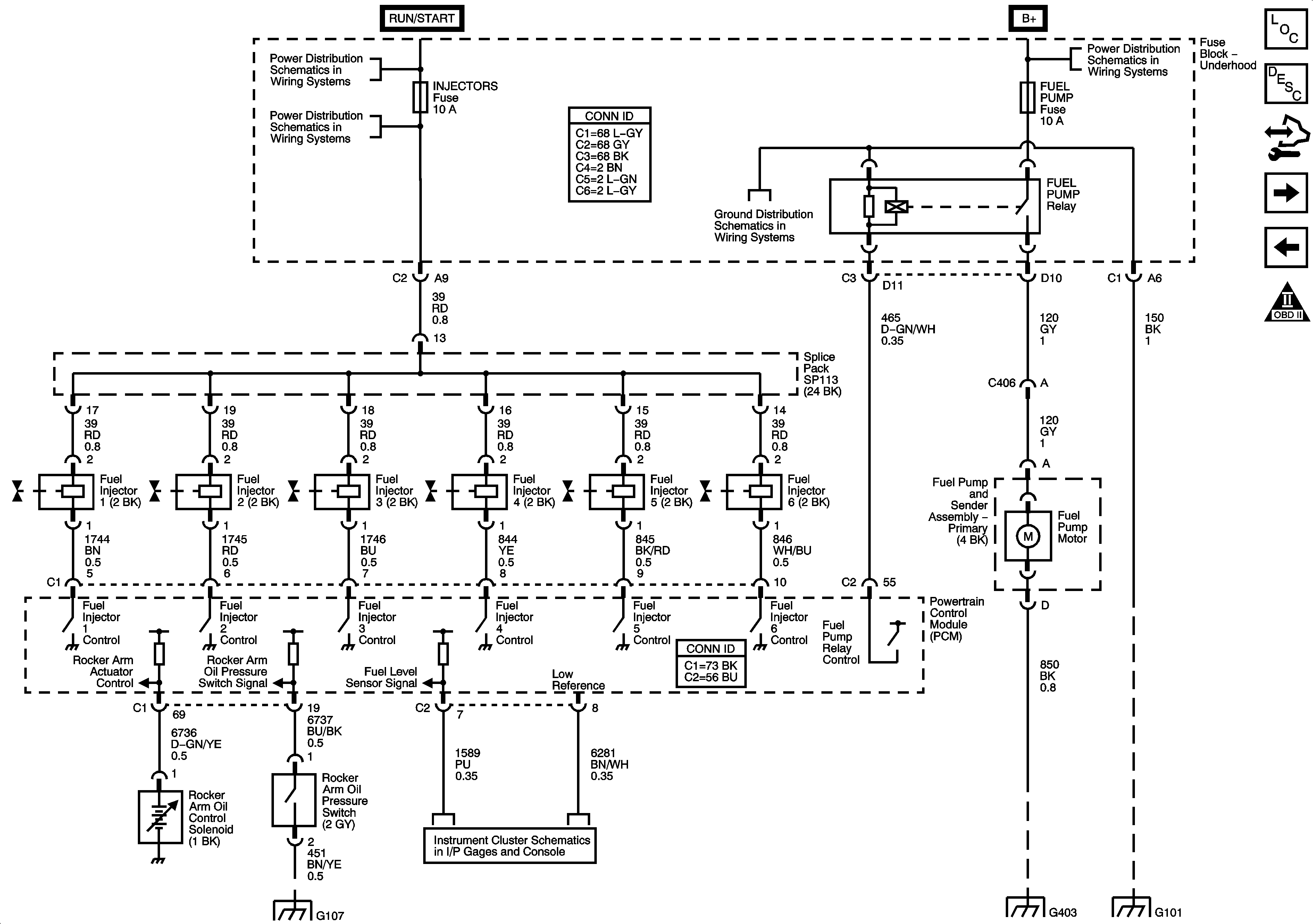
| Figure 10: |
Fuel Controls - Fuel Pump, Injectors, Rocker Arm Solenoid and Rocker Arm Switch
|
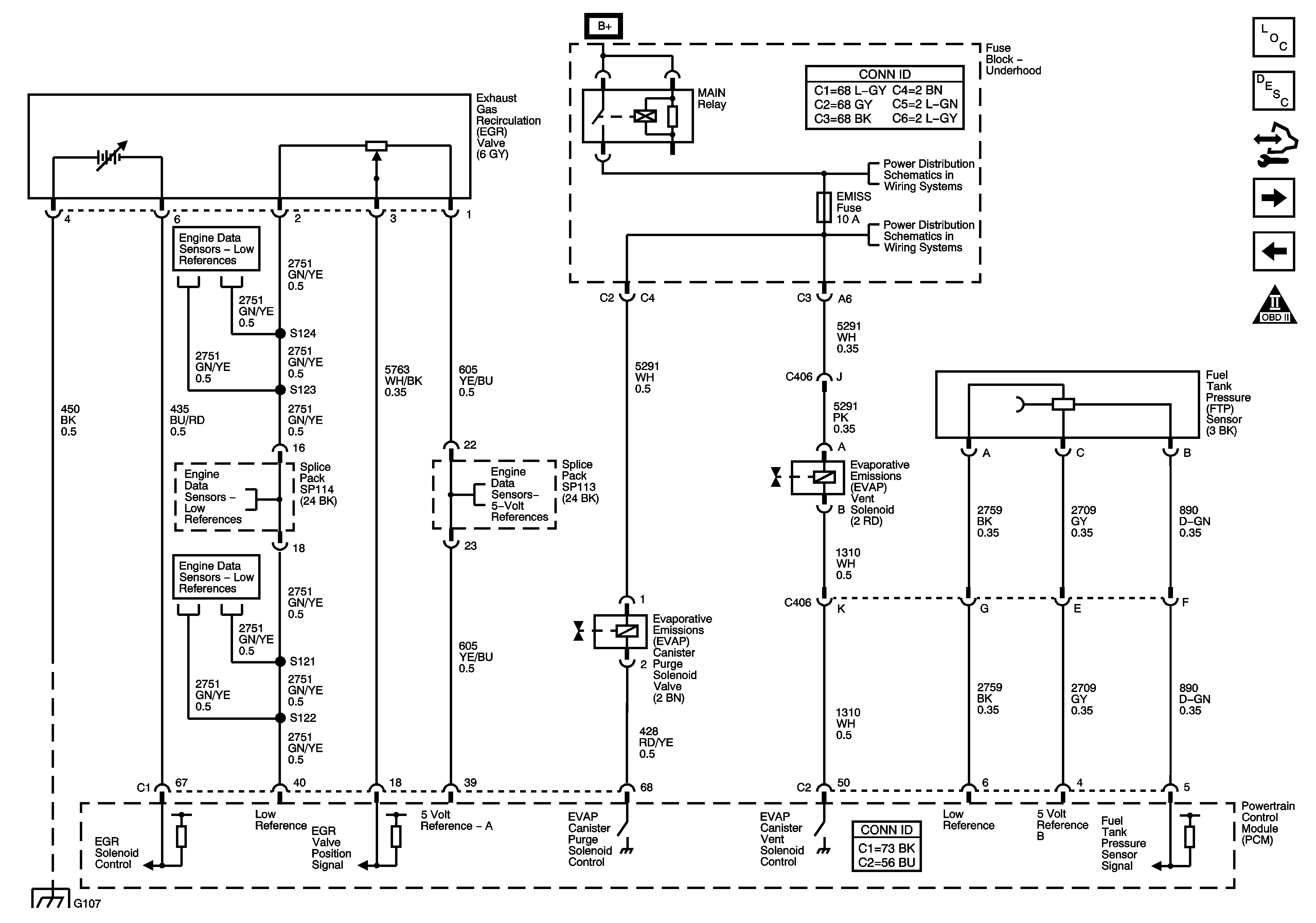
| Figure 11: |
Fuel Controls - EVAP Controls
|
| Figure 12: |
Controlled/Monitored Subsystem References
|
| Figure 13: |
Transmission Controls References
|