GM Service Manual Online
For 1990-2009 cars only
Makes
🢒
Saturn
🢒
2007
🢒
VUE - FWD
🢒 Ignition Controls
Ignition Controls
Ignition Controls
Master Electrical Component List
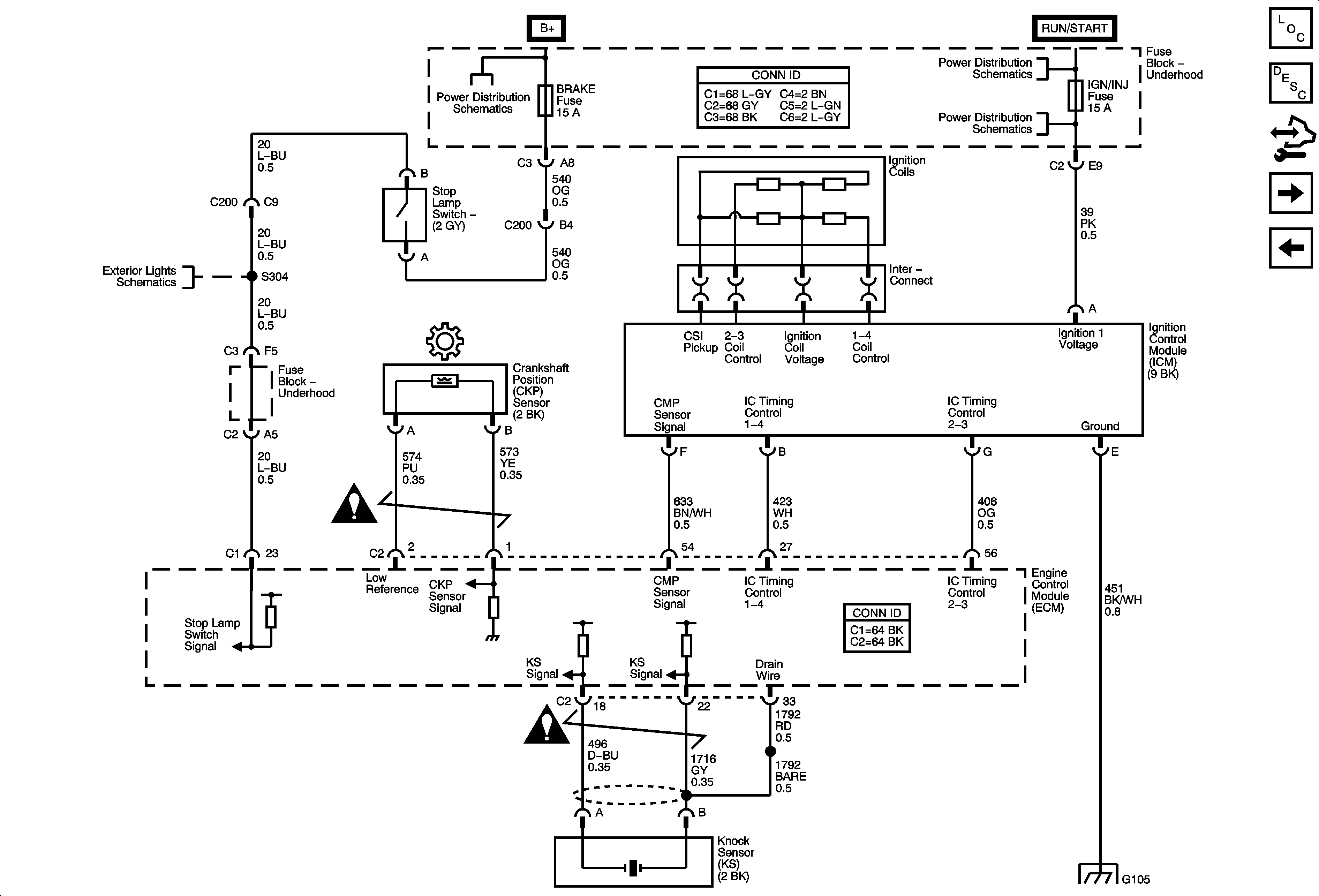
Electronic Ignition (EI) System Description
Control Module References
Fuel Pump and Injectors
Oxygen Sensors
B+ Bus and EPS Fuse
IGN Fuse and Ignition Switch Circuits
IGN/INJ, EMISS, and ETC Fuses L61
Stop Lamps
Engine Controls Schematic Icons
Engine Controls Schematic Icons
G103, G105, and G207