GM Service Manual Online
For 1990-2009 cars only
Makes
🢒
Saturn
🢒
2007
🢒
VUE - FWD
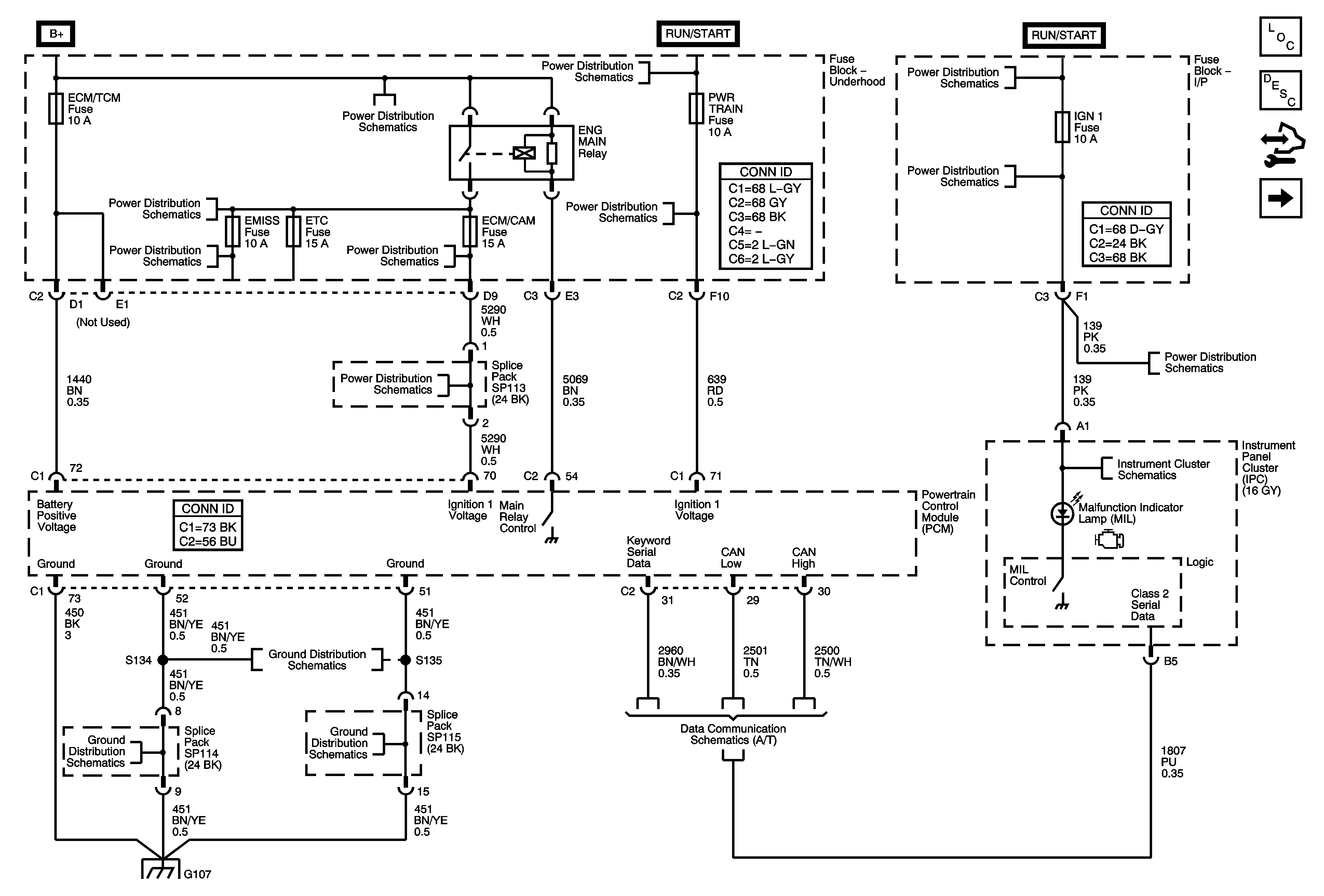
🢒 Module Power, Ground, Serial Data, and MIL
Module Power, Ground, Serial Data, and MIL
Module Power, Ground, Serial Data, and MIL
Master Electrical Component List
Powertrain Control Module Description
Control Module References
5-Volt Reference
B+ Bus and EPS Fuse
ECM/CAM Fuse L66
ECM/CAM Fuse L66
IGN Fuse and Ignition Switch Circuits
BACKUP, PWR TRAIN, 10A ABS, and INJECTOR Fuses (Except HP7)
IGN Fuse and Ignition Switch Circuits
IGN 1, BCM (IGN), AIR BAG, EPS, and CRUISE Fuses
ECM/CAM Fuse L66
IGN 1, BCM (IGN), AIR BAG, EPS, and CRUISE Fuses
Indicators, Serial Data
G107 and G109 (L66)
G107 and G109 (L66)
G107 and G109 (L66)
L66 with 5AT
L61 with MG3