GM Service Manual Online
For 1990-2009 cars only
Makes
🢒
Suzuki
🢒
2007
🢒
XL-7 FWD
🢒
Driver Information and Entertainment
🢒
Displays and Gages
🢒 Instrument Cluster Schematics
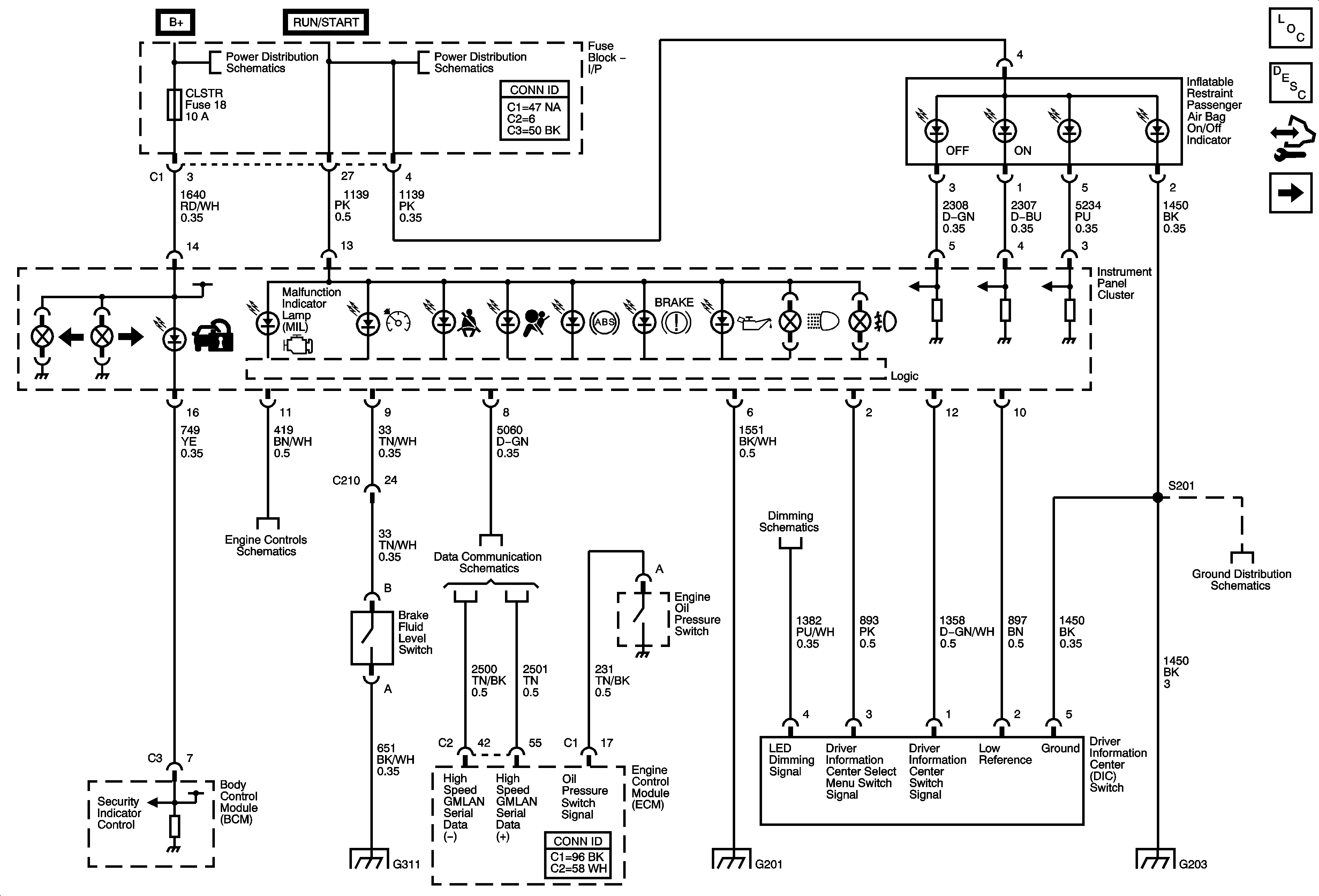
Figure
1:
Indicators
Master Electrical Component List
Instrument Cluster Description and Operation
Control Module References
Gages
BATT MAIN 1, CAN VENT, CLSTR, HVAC BLOWER, INFO, INT LTS, ONSTAR, REAR DEFOG, AND RVC Fuses
RUN/CRANK BUS - MAF, PCM, IGN, SIR DISPLAY, and TRANS Fuses
Power, Ground, MIL Schematic
G311
High Speed GMLAN
Interior Lights Dimming Schematics
G201
G203 and G205
G203 and G205
Figure
2:
Gages
Master Electrical Component List
Instrument Cluster Description and Operation
Control Module References
Indicators
Low Speed GMLAN
Engine Controls Schematics