GM Service Manual Online
For 1990-2009 cars only
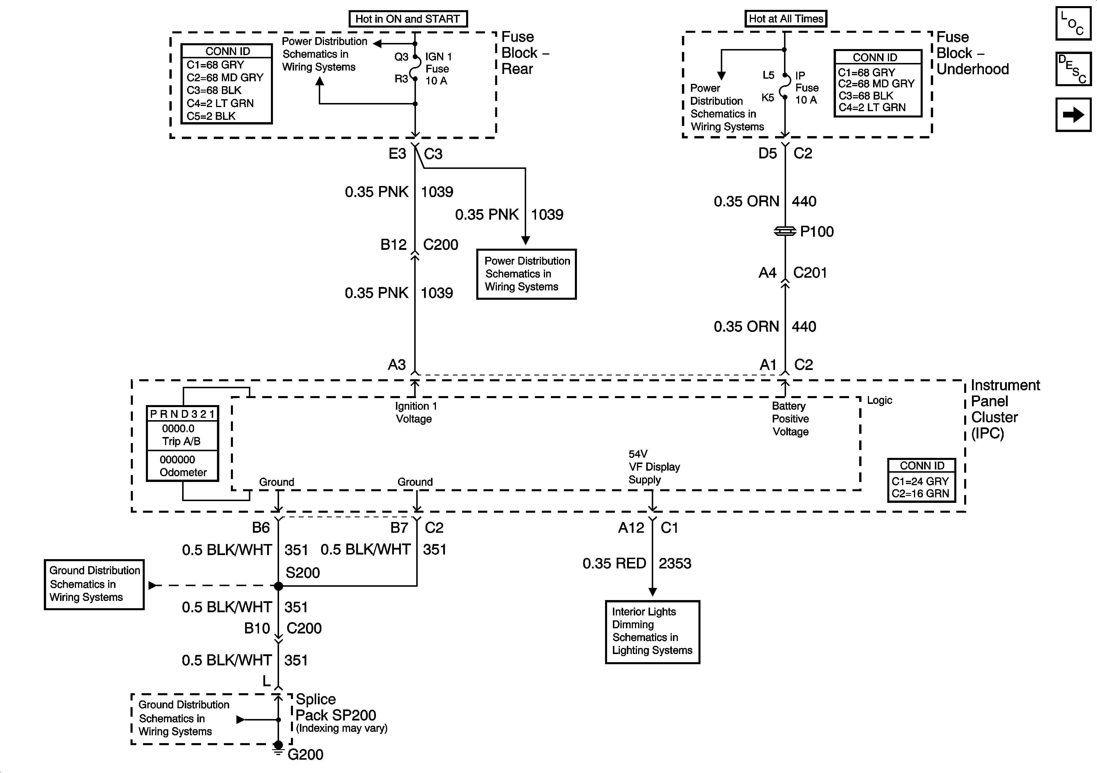
Figure 1:

Power, Ground, and 54V VF Display Supply


Object Number: 1412115  Size: FS
Master Electrical Component List
Instrument Cluster Description and Operation
Gages
Rear Fuse Block Battery Voltage
ALDL, PCM BATT, and I/P Fuses
SIR, VENT SOL, and IGN 1 Fuse and IGN 1 Relay
G200
G200
Class 2 Dimming Communication
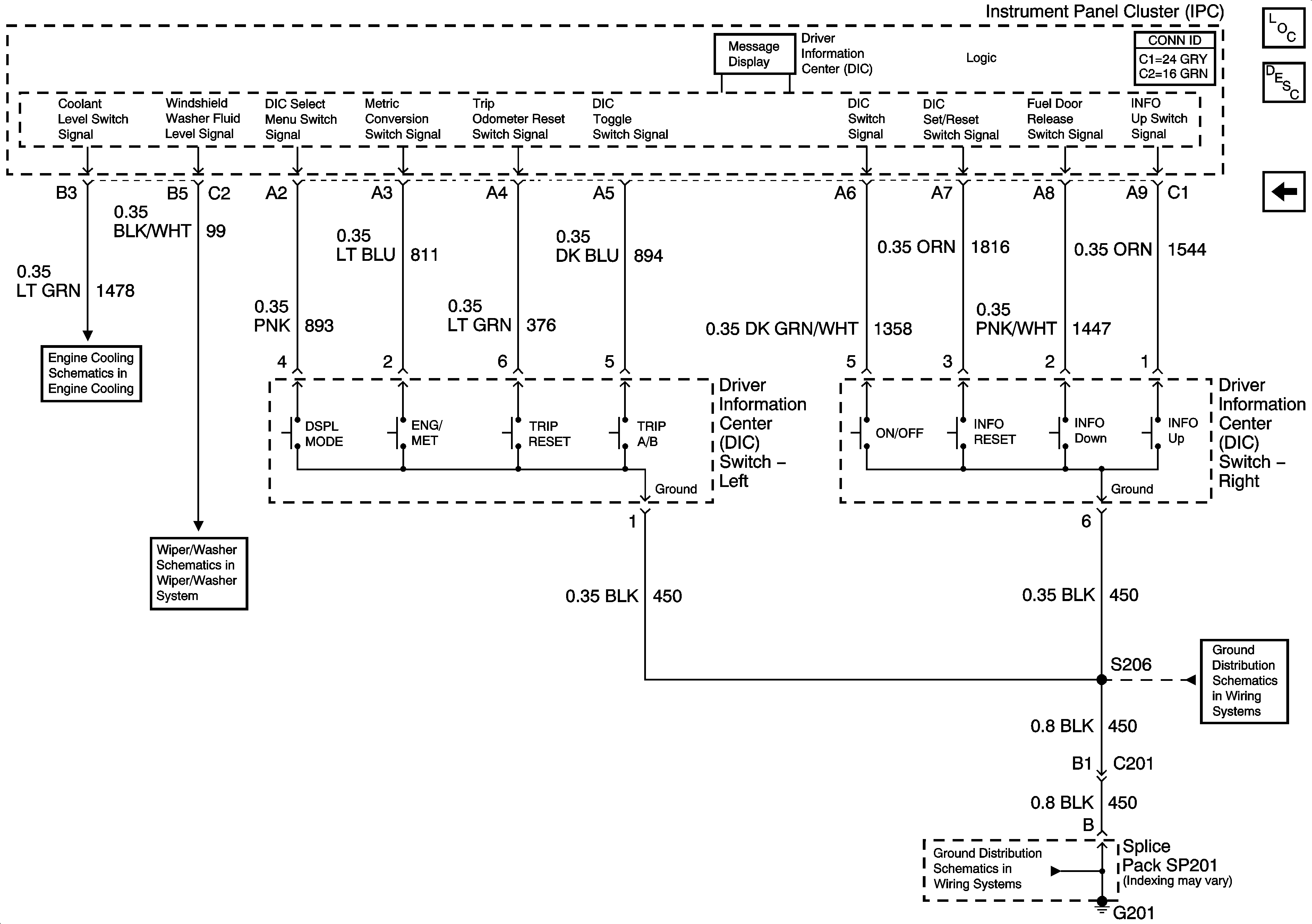
Figure 2:

Gages and Class 2


Object Number: 1412117  Size: FS
Master Electrical Component List
Instrument Cluster Description and Operation
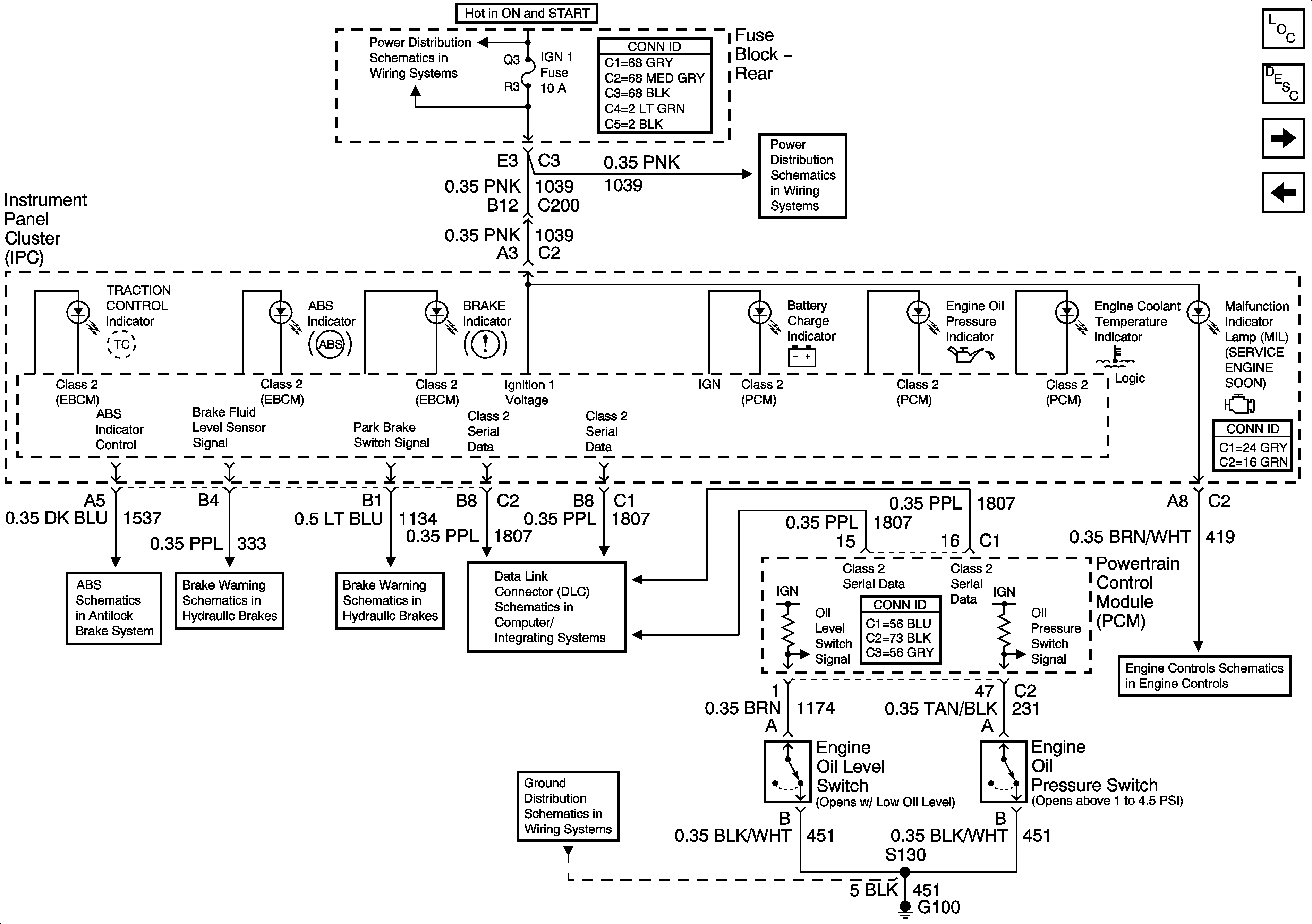
Brakes and Engine Indicators
Power, Ground, Class 2 and 54 V, and VF Display Supply
Class 2 Serial Data (1 of 3)
Engine Data Sensors- 5 Volt and Low Reference
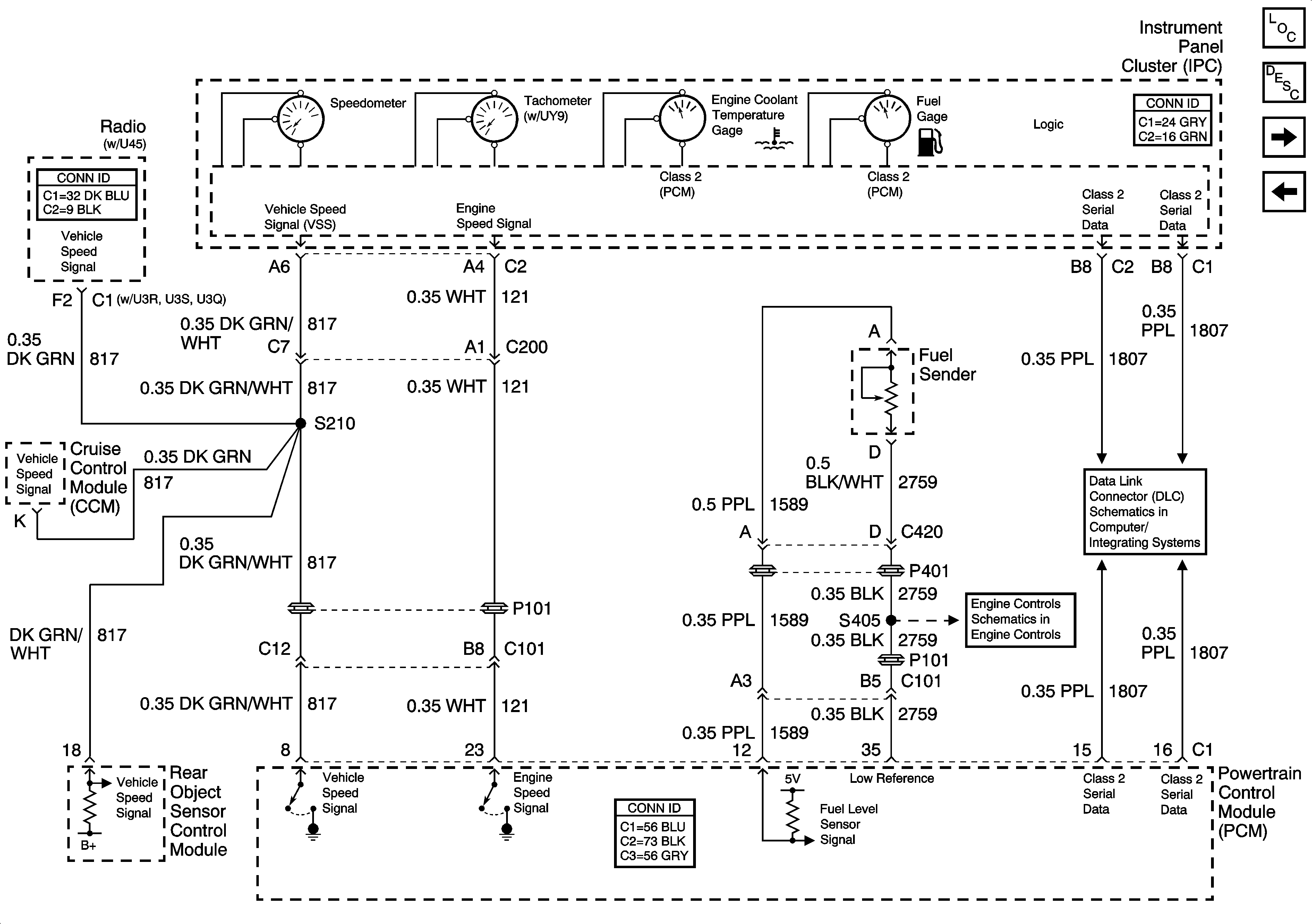
Figure 3:

Brakes and Engine Indicators


Object Number: 1412118  Size: FS
Master Electrical Component List
Instrument Cluster Description and Operation
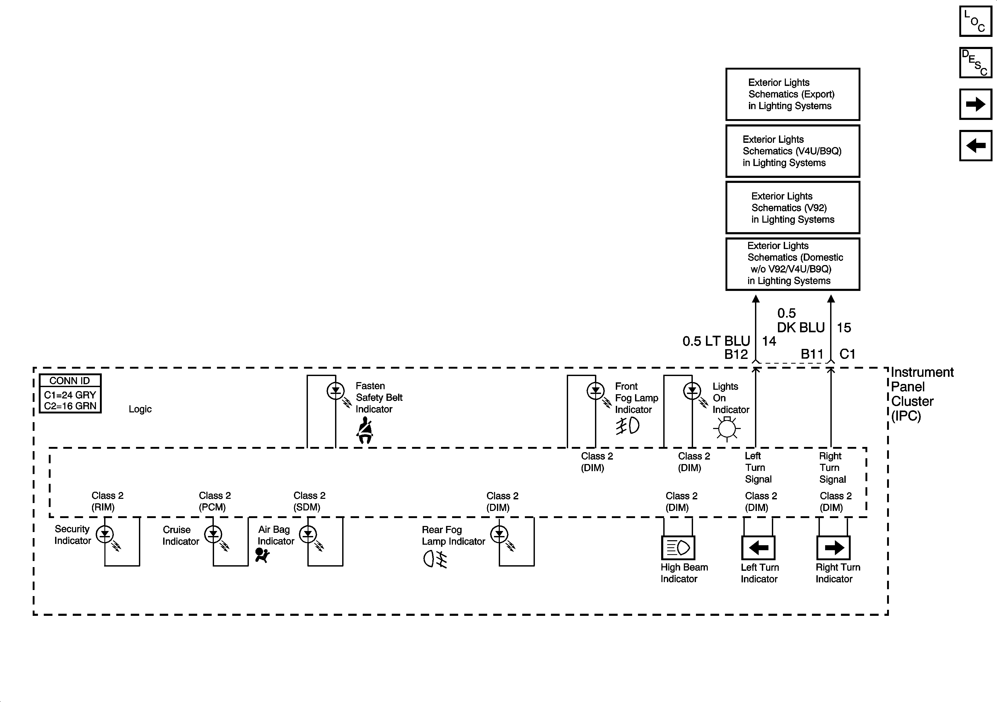
Lighting, Restraints, Security and Cruise Indicators
Gages
Rear Fuse Block Battery Voltage
SIR, VENT SOL, and IGN 1 Fuse and IGN 1 Relay
Indicators and Traction Control Switch
Brake Warning System Schematics
Brake Warning System Schematics
Class 2 Serial Data (1 of 3)
G100
PCM Power, Ground, Serial Data, and MIL
Figure 4:

Lighting, Restraints, Security, and Cruise Indicators


Object Number: 1412119  Size: FS
Master Electrical Component List
Instrument Cluster Description and Operation
Driver Information Center
Brakes and Engine Indicators
Front Park/Turn and Repeater Lamps
Front Park/Turn and Side Marker Lamps
Front Park/Turn and Side Marker Lamps
Front Park/Turn and Side Marker Lamps
Figure 5:

Driver Information Center


Object Number: 1412121  Size: FS
Master Electrical Component List
Driver Information Center (DIC) Description and Operation
Lighting, Restraints, Security and Cruise Indicators
Coolant Level Switch
Windshield Washer Fluid Level Switch
G201 - 2 of 3
G201 - 2 of 3