GM Service Manual Online
For 1990-2009 cars only
Makes
🢒
Cadillac
🢒
2002
🢒
Escalade EXT
🢒 Power, Ground and Subsystem References - Base
Power, Ground and Subsystem References - Base
Power, Ground, and Subsystem References - Base
Master Electrical Component List
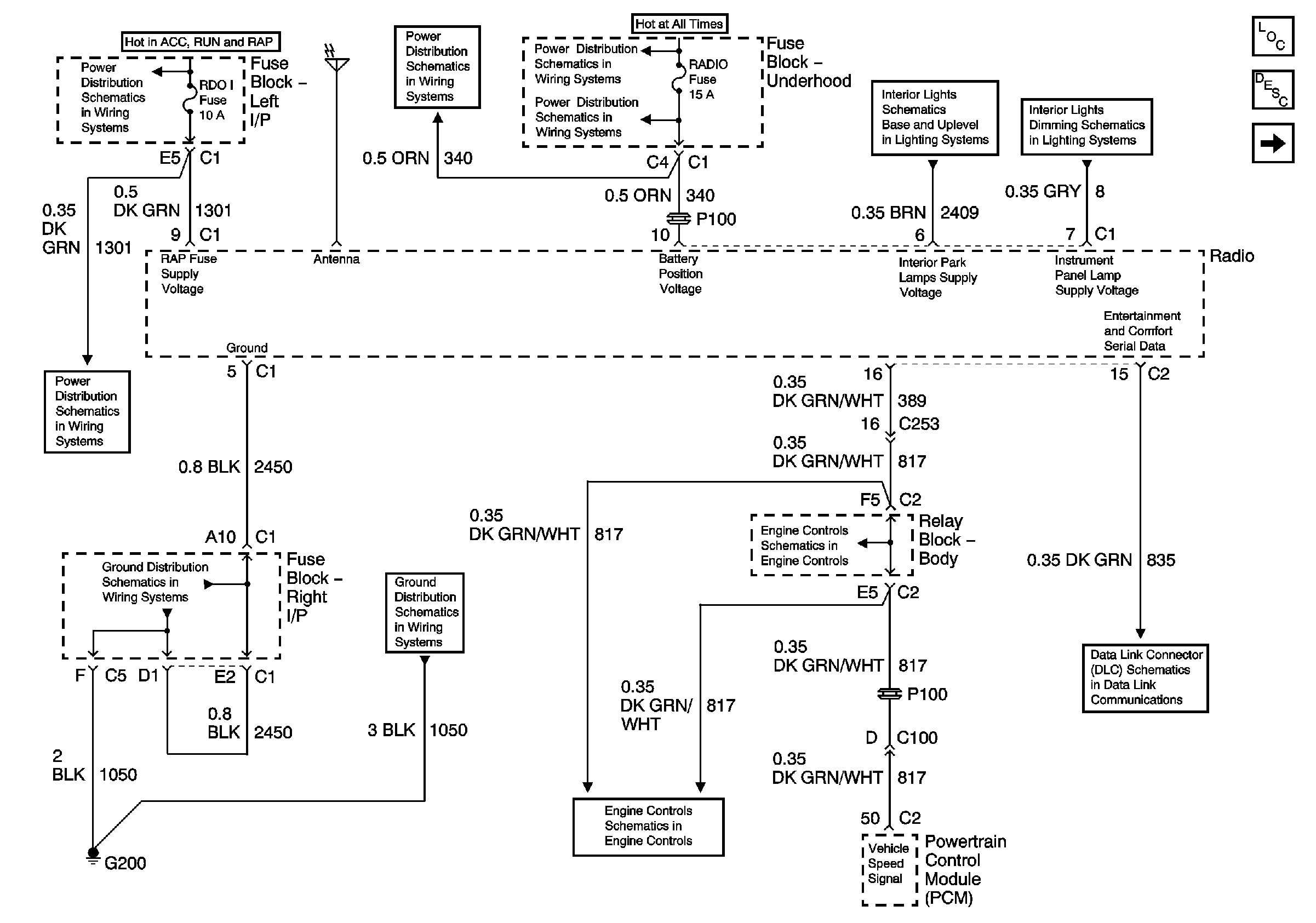
Radio/Audio System Description and Operation
Speakers - Base
PWR WDO Circuit Breakers, RDO I and RAP #2 Fuses
AIR, RADIO, ECM B, FRT HVAC, and CIGAR Fuses
AIR, RADIO, ECM B, FRT HVAC, and CIGAR Fuses
AIR, RADIO, ECM B, FRT HVAC, and CIGAR Fuses
Interior Parklamp Supply - 2 of 3
Radio, CD Player, and HVAC Control Module
PWR WDO Circuit Breakers, RDO I and RAP #2 Fuses
G200 - 1 of 2
G200 - 1 of 2
Gages, VSS, and Engine Oil Signals
Gages, VSS, and Engine Oil Signals
Splice Pack SP205