GM Service Manual Online
For 1990-2009 cars only
Makes
🢒
Cadillac
🢒
2002
🢒
Escalade EXT
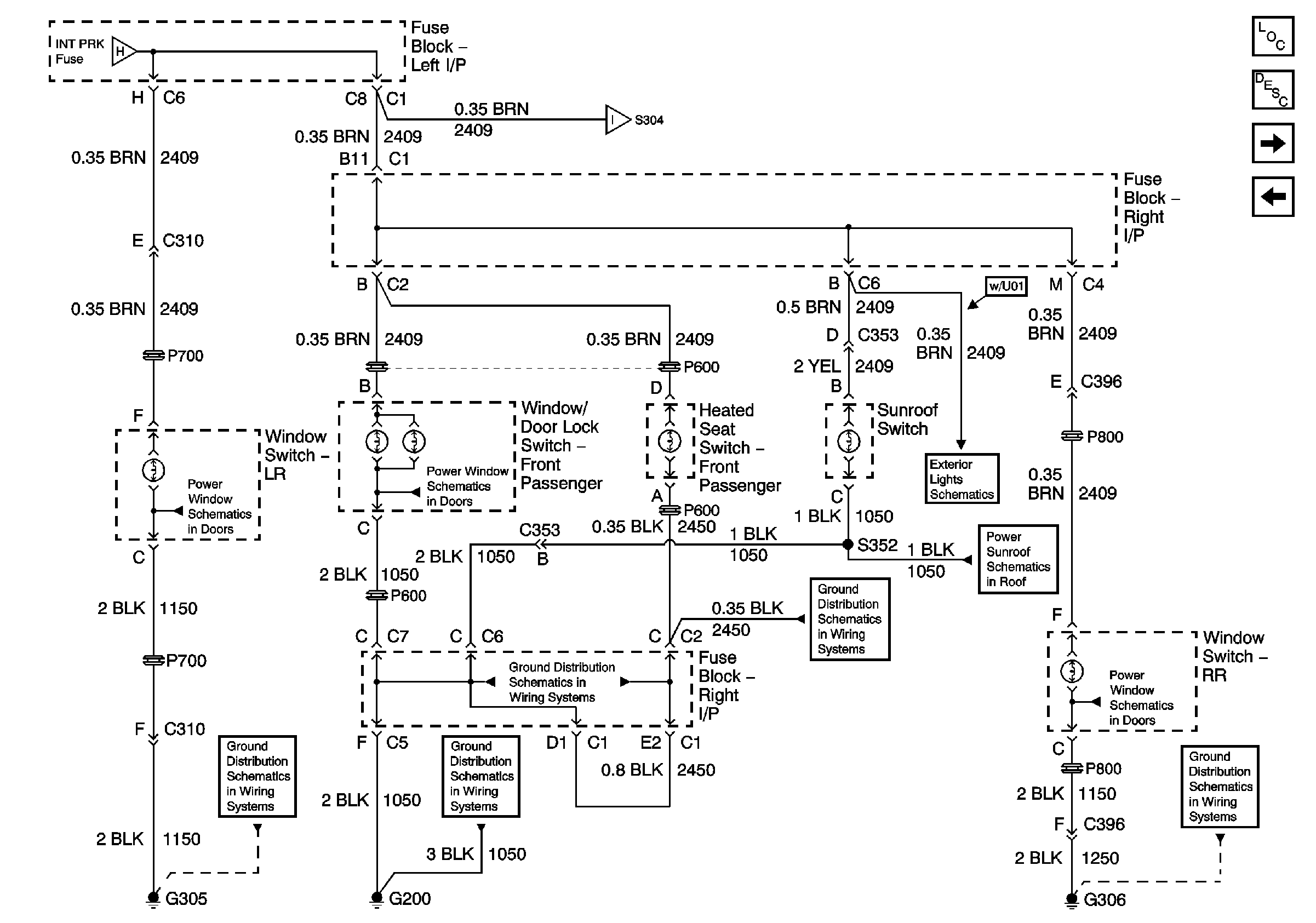
🢒 Interior Park Lamps Supply - 2 of 2
Interior Park Lamps Supply - 2 of 2
Interior Parklamp Supply - 2 of 2
Master Electrical Component List
Interior Lighting Systems Description and Operation
Bezel Lamp and Door Jamb Switch - LF
Park Lamp Control, INTPRK and PARK LPS Fuse
Park Lamp Control, INTPRK and PARK LPS Fuse
Bezel Lamp and Door Jamb Switch - LF
Window Switches and Motor-LR
G305
Window Switches and Motors-Front Doors
G200 - 1 of 2
G200 - 1 of 2
G200 - 1 of 2
Park Lamp Supply and Clearance Lamps
2002 Power Sunroof
Window Switches and Motor-RR
G306