GM Service Manual Online
For 1990-2009 cars only
Makes
🢒
Cadillac
🢒
2004
🢒
Escalade EXT
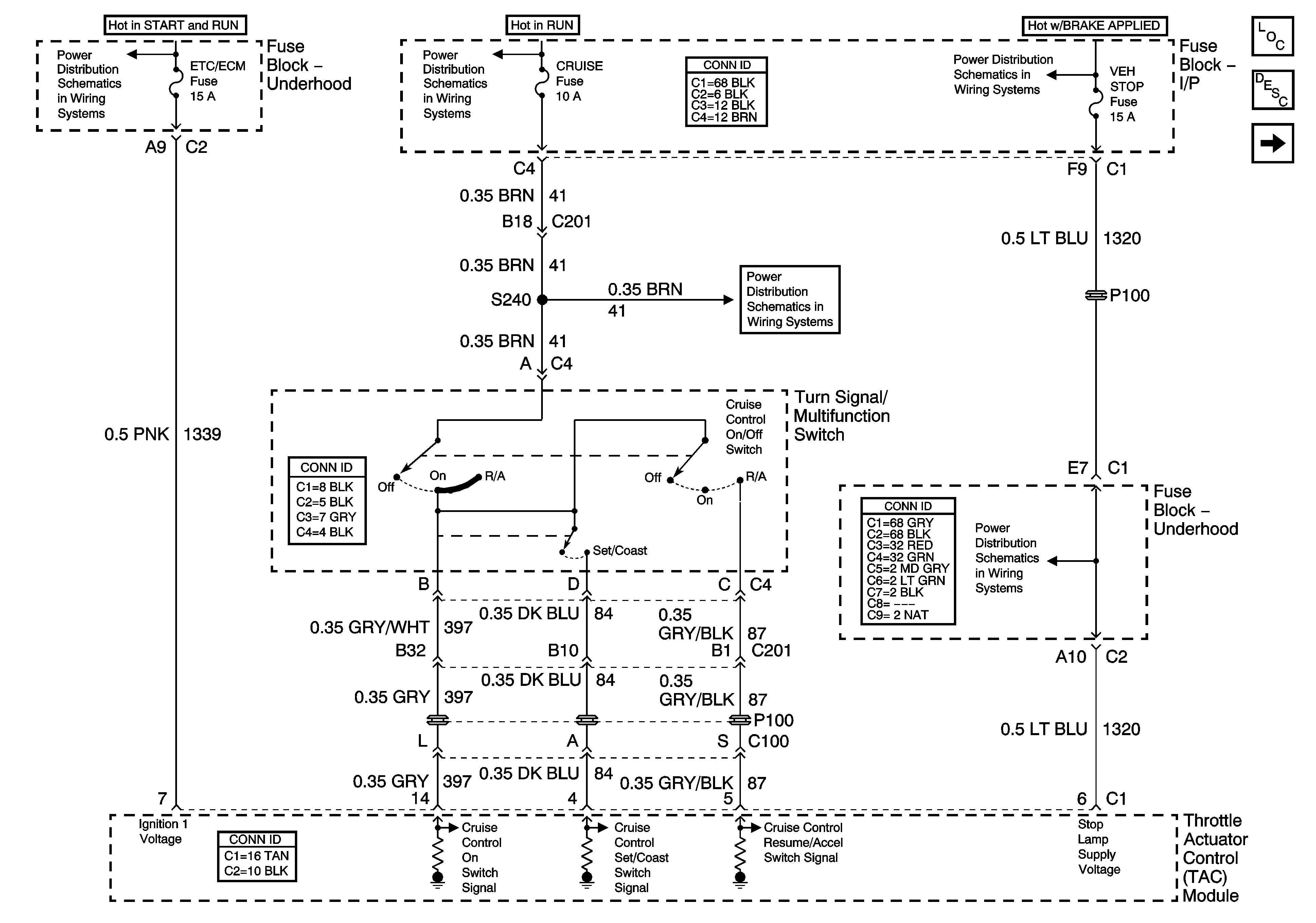
🢒 Power, Cruise Control Switch, and Stop Lamp Feed
Power, Cruise Control Switch, and Stop Lamp Feed
Power, Cruise Control Switch, and Stop Lamp Feed
Master Electrical Component List
Cruise Control Description and Operation
Ground and Class 2 Serial Data
IGN 1 Relay Bus Bar, SEO B2, B/U LP, BTSI, TRL B/U Fuses
Ignition Switch - START, and RUN Bus Bars
VEH CHMSL, VEH STOP, LT TRLR ST/TRN, RT TRLR ST/TRN Fuses
BRAKE, HTR/AC, HVAC I, CRUISE, 4WD Fuses
VEH CHMSL, VEH STOP, LT TRLR ST/TRN, RT TRLR ST/TRN Fuses