GM Service Manual Online
For 1990-2009 cars only
Figure 1:

Driver Seat Controls (AG1)


Object Number: 1464466  Size: FS
Master Electrical Component List
Power Seats System Description and Operation
Control Module References
Heated Seat Controls - Driver
ABS, MBEC 1, RTD, STUD 2, and VSES/ECAS Fuses; RT DOORS and SEATS Circuit Breakers
ABS, MBEC 1, RTD, STUD 2, and VSES/ECAS Fuses; RT DOORS and SEATS Circuit Breakers
Heated Seat Controls - Driver
G304 and G305
Figure 2:

Heated Seat Controls - Driver - Except ULT


Object Number: 1464469  Size: FS
Master Electrical Component List
Heated Seats Description and Operation (Front)
Control Module References
Heat Controls (AN3 w/ULT) - 1 of 4
Driver Seat Controls (AG2)
Driver Seat Controls (AG2)
Power and Pedals Controls
Power, Ground, DLC, and Splice Pack SP205
Splice Pack SP206
Seat Position Sensors - 2 of 2
Memory Seat Module
G304 and G305
Figure 3:

Heat Controls (AN3 w/ULT) 1 of 4


Object Number: 1464472  Size: FS
Master Electrical Component List
Heated/Cooled Seats Description and Operation
Control Module References
Heat Controls (AN3 w/ULT) - 2 of 4
Heated Seat Controls - Driver
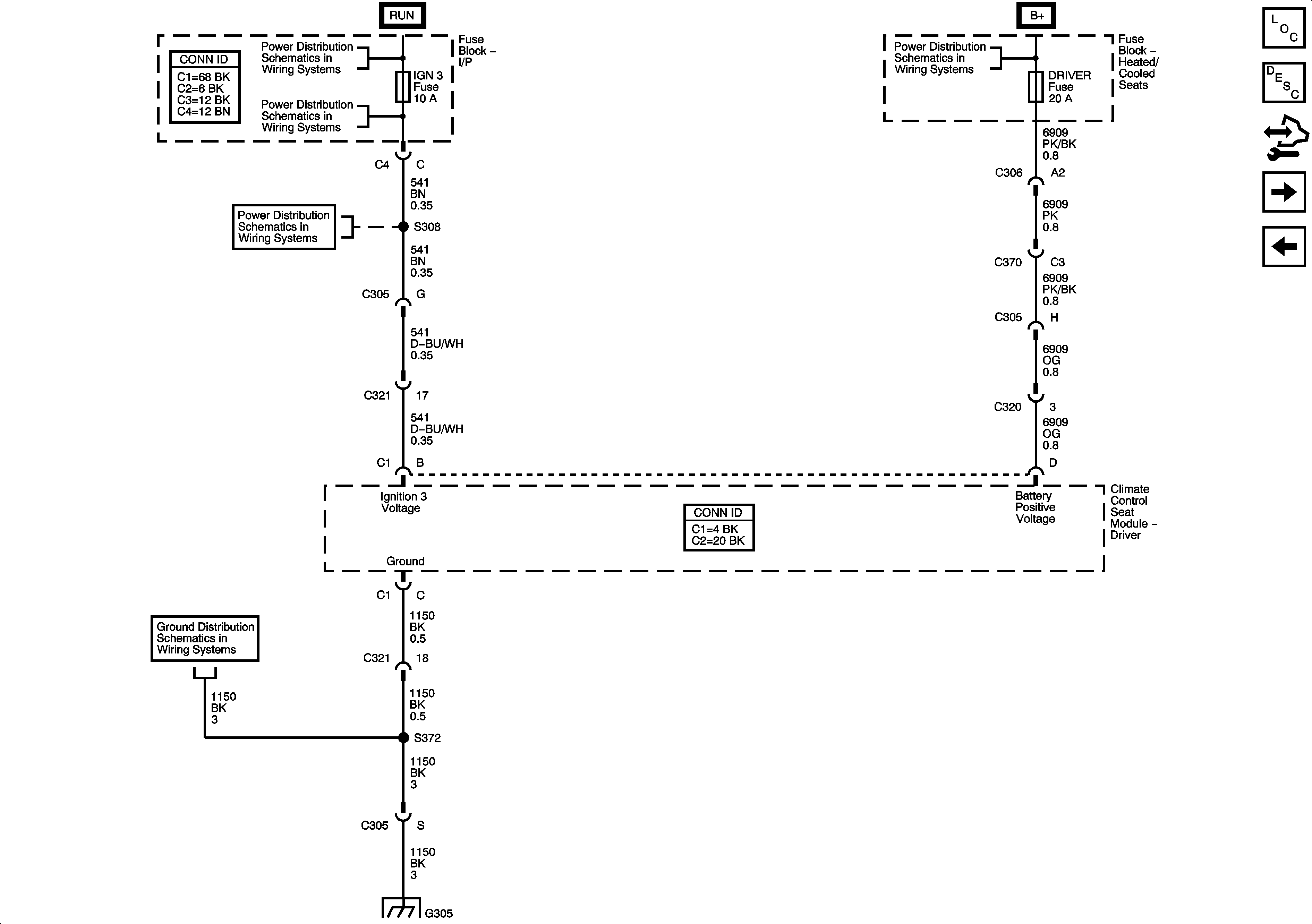
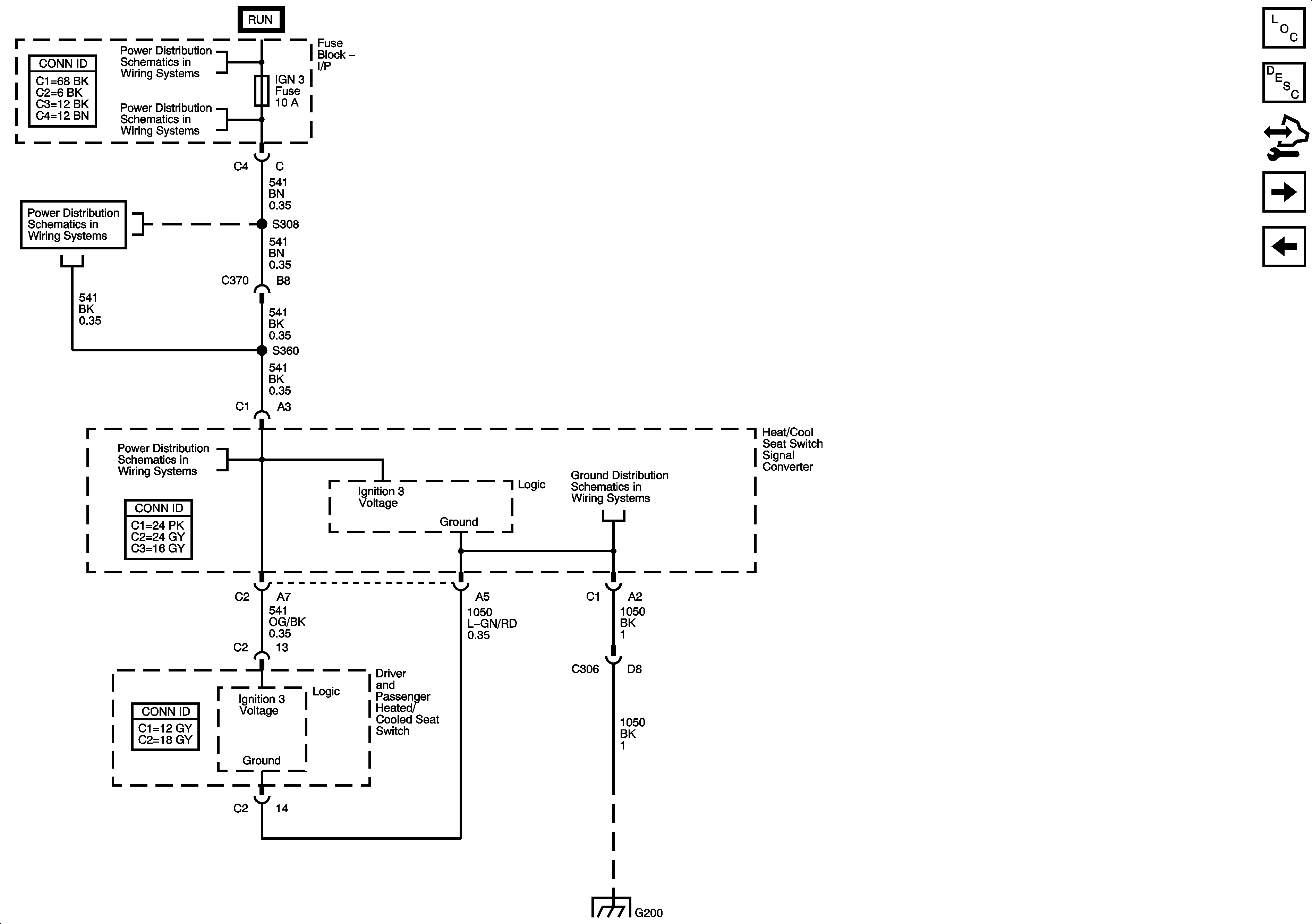
Ignition Switch - ACCY/RUN/START, RUN, and START Busses, IGN A and CRANK Fuses
IGN 3 Fuse - 1 of 2
IGN 3 Fuse (ULT) - 2 of 2
B+ Bus - 2 of 2
G304 and G305
G304 and G305
Figure 4:

Heat Controls (AN3 w/ULT) 2 of 4


Object Number: 1464475  Size: FS
Master Electrical Component List
Heated/Cooled Seats Description and Operation
Control Module References
Heat Controls (AN3 w/ULT) - 3 of 4
Heat Controls (AN3 w/ULT) - 1 of 4
Ignition Switch - ACCY/RUN/START, RUN, and START Busses, IGN A and CRANK Fuses
IGN 3 Fuse - 1 of 2
IGN 3 Fuse (ULT) - 2 of 2
IGN 3 Fuse (ULT) - 2 of 2
G200 - 2 of 3
G200 - 2 of 3
Figure 5:

Heat Controls (AN3 w/ULT) 3 of 4


Object Number: 1464478  Size: FS
Master Electrical Component List
Heated/Cooled Seats Description and Operation
Control Module References
Heat Controls (AN3 w/ULT) - 4 of 4
Heat Controls (AN3 w/ULT) - 2 of 4
Heat Controls (AN3 w/ULT) - 4 of 4
Figure 6:

Heat Controls (AN3 w/ULT) 4 of 4


Object Number: 1464480  Size: FS
Master Electrical Component List
Heated/Cooled Seats Description and Operation
Control Module References
Seat Adjuster Switch
Heat Controls (AN3 w/ULT) - 3 of 4
Heat Controls (AN3 w/ULT) - 3 of 4
Figure 7:

Seat Adjuster Switch


Object Number: 1464502  Size: FS
Master Electrical Component List
Heated/Cooled Seats Description and Operation
Control Module References
Lumbar/Bolster Switch
Heat Controls (AN3 w/ULT) - 4 of 4
Lumbar/Bolster Switch
Figure 8:

Lumbar/Bolster Switch


Object Number: 1464504  Size: FS
Master Electrical Component List
Lumbar Support Description and Operation
Control Module References
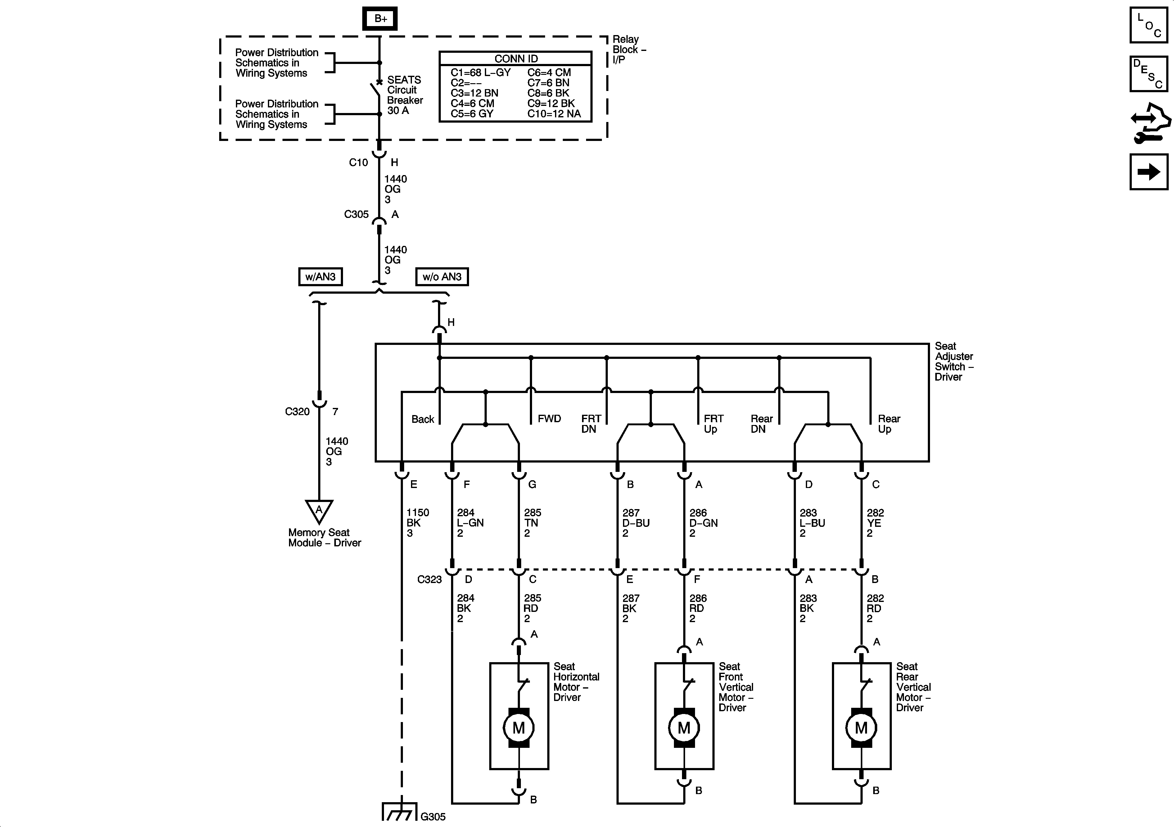
Seat Motors
Seat Adjuster Switch
Seat Adjuster Switch
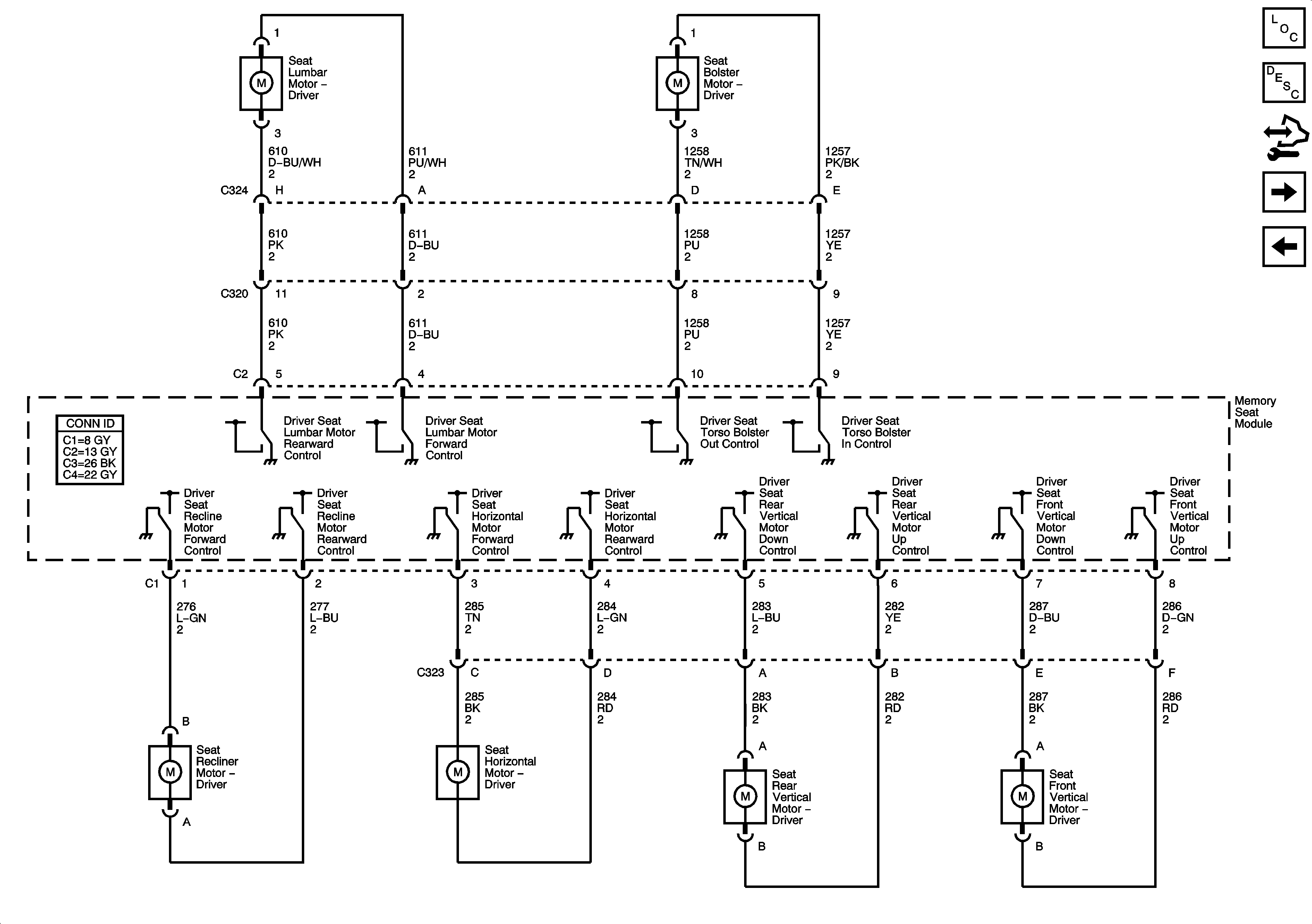
Figure 9:

Seat Motors


Object Number: 1464507  Size: FS
Master Electrical Component List
Memory Seats Description and Operation
Control Module References
Seat Position Sensors - 1 of 2
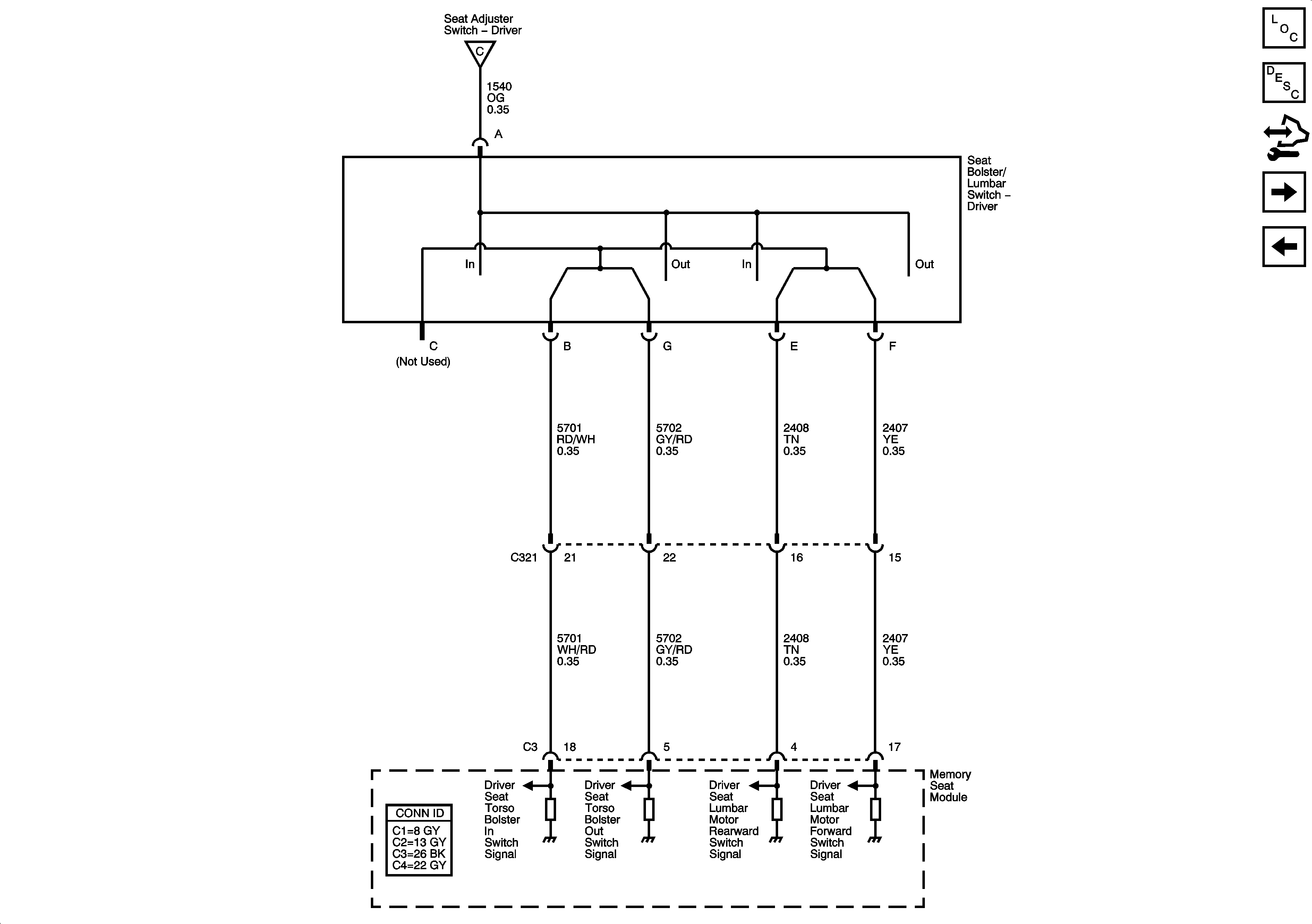
Lumbar/Bolster Switch
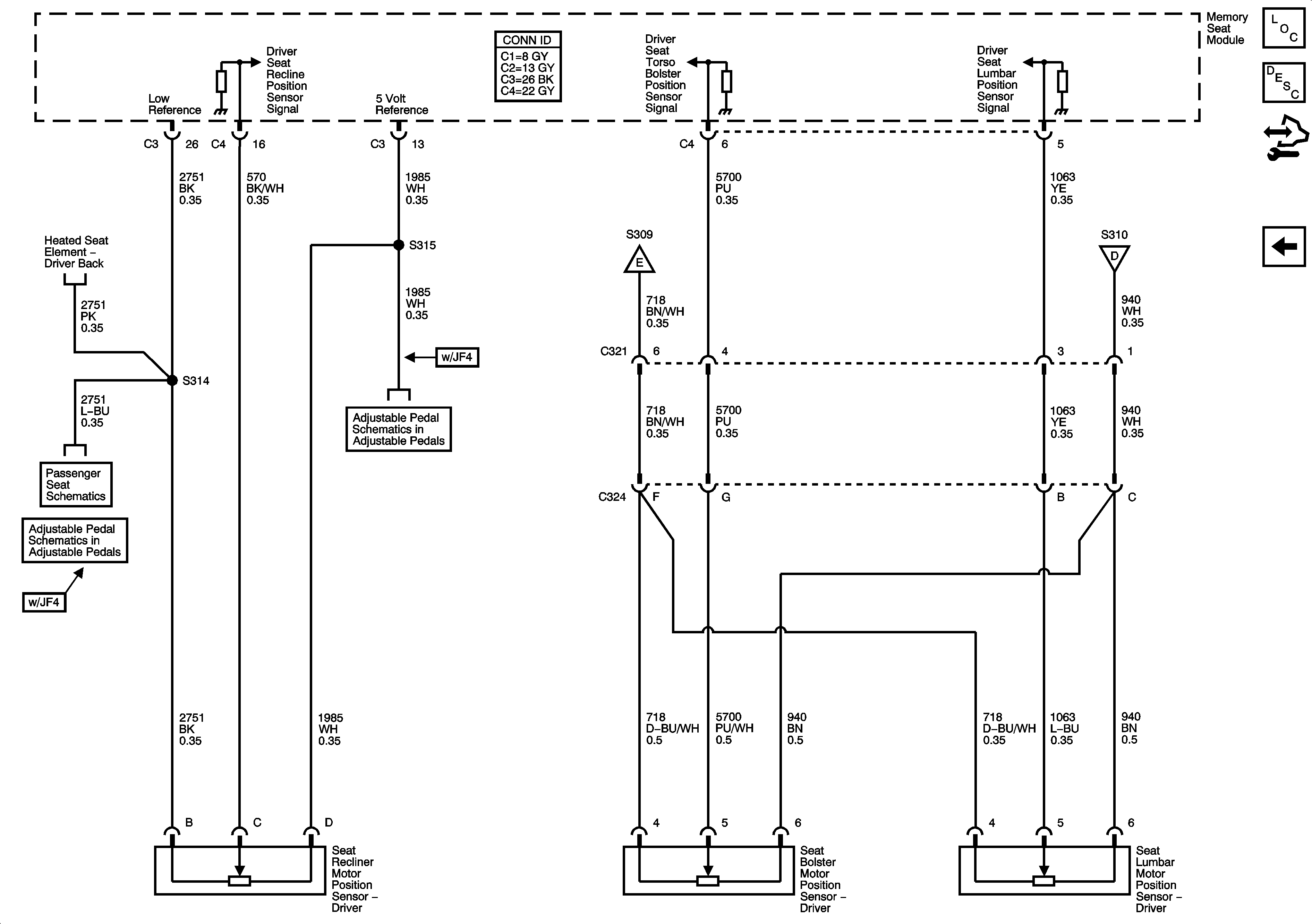
Figure 10:

Seat Position Sensors 1 of 2


Object Number: 1464513  Size: FS
Master Electrical Component List
Memory Seats Description and Operation
Control Module References
Seat Position Sensors - 2 of 2
Seat Motors
Seat Position Sensors - 2 of 2
Seat Position Sensors - 2 of 2
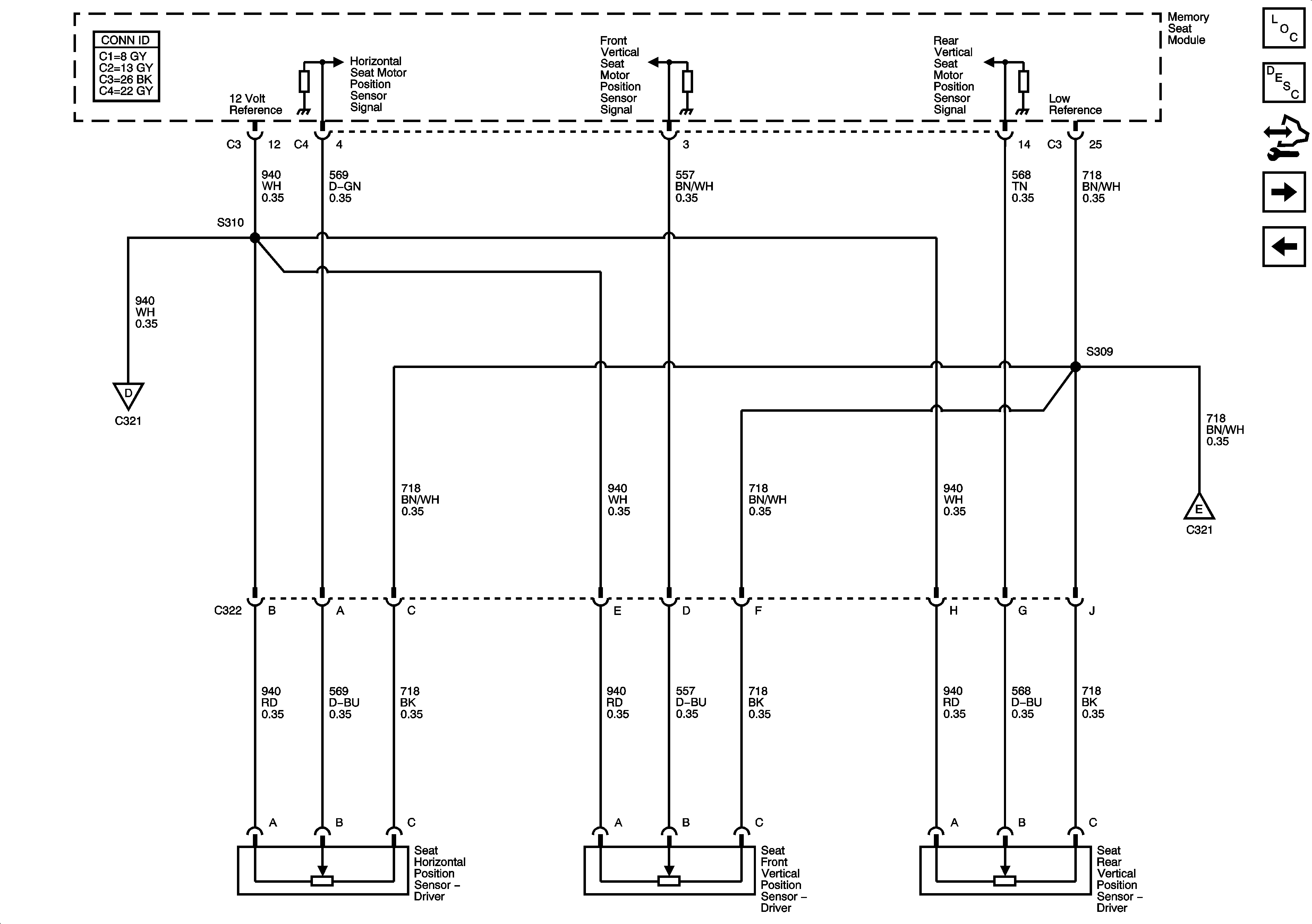
Figure 11:

Seat Position Sensors 2 of 2


Object Number: 1464514  Size: FS
Master Electrical Component List
Memory Seats Description and Operation
Control Module References
Seat Position Sensors - 1 of 2
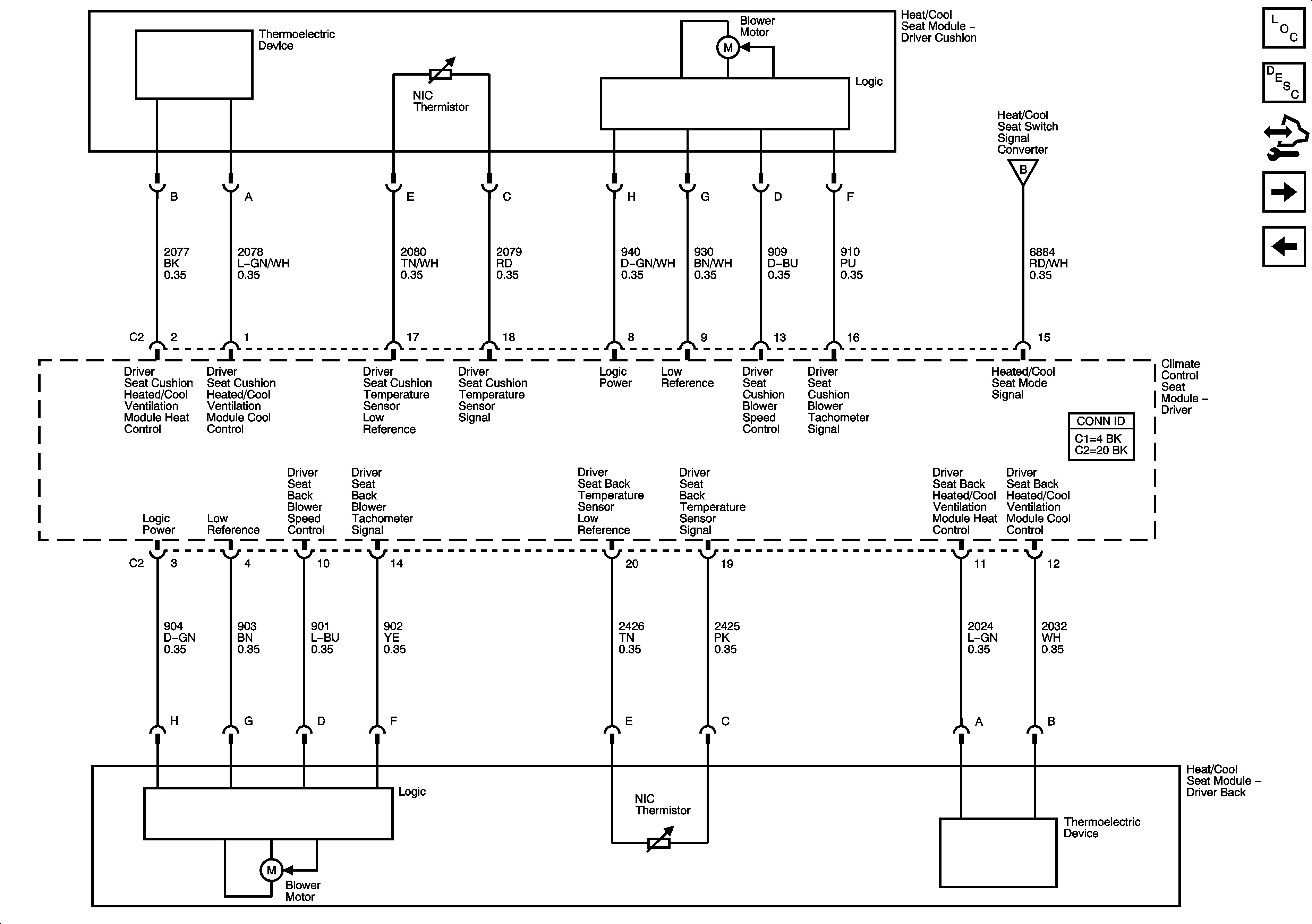
Heated Seat Controls - Driver
Front Passenger Heated Seat Elements
Memory Seat Module
Memory Seat Module
Seat Position Sensors - 1 of 2
Seat Position Sensors - 1 of 2