GM Service Manual Online
For 1990-2009 cars only

Radio/Audio System Schematics Lux Radio - UQ7 w/Y91 - Class 2 Amp

Figure 1:

Radio Power, Ground, Class 2 Serial Data, and Audio Signals


Object Number: 1464944  Size: FS
Master Electrical Component List
Radio/Audio System Description and Operation
Control Module References
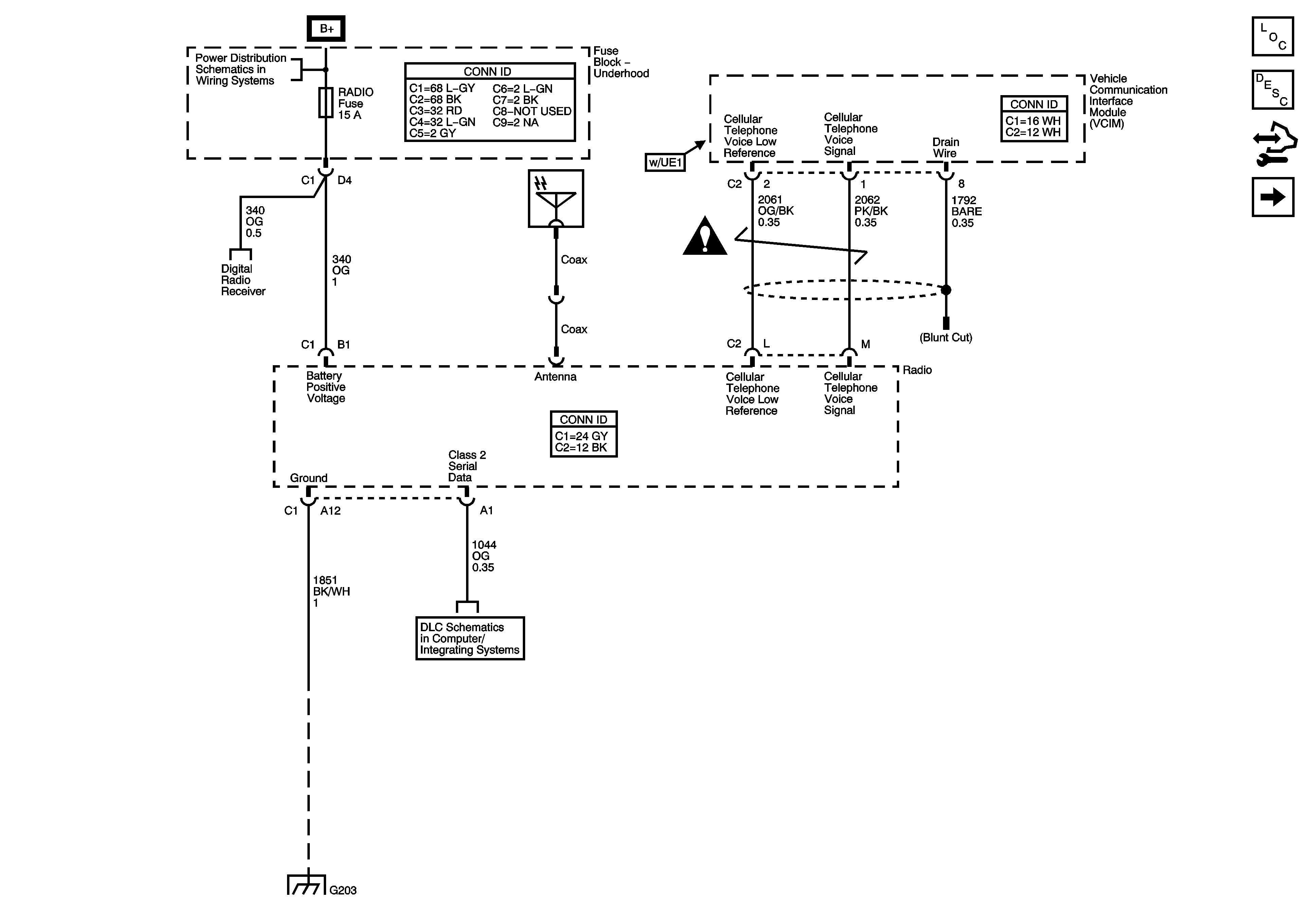
External Audio Source (U1S)
RADIO, RADIO AMP, and S/ROOF Fuses
Amplifier and RSA Power, Ground, Serial Data, and Noise Compensation Microphone
External Audio Source (U2K)
Antenna Module - Escalade except EXT
Entertainment Schematic Icons
Gages
Entertainment Schematic Icons
Entertainment Schematic Icons
Entertainment Schematic Icons
Entertainment Schematic Icons
Entertainment Schematic Icons
Entertainment Schematic Icons
Entertainment Schematic Icons
Entertainment Schematic Icons
Power, Ground, DLC, and Splice Pack SP205
G203 - 2 of 3
Figure 2:

External Audio Source - U1S


Object Number: 1464961  Size: FS
Master Electrical Component List
Radio/Audio System Description and Operation
Control Module References
External Audio Source (U2K)
Radio Power, Ground, Class 2 Serial Data, and Audio Signals
B+ Bus - 1 of 2
CIG LTR, EAP, and INFO Fuses
Splice Pack SP207
Entertainment Schematic Icons
Splice Pack 250
G203 - 1 of 3
Figure 3:

External Audio Source - U2K


Object Number: 1464952  Size: FS
Master Electrical Component List
Radio/Audio System Description and Operation
Control Module References
External Audio Source (U42)
External Audio Source (U1S)
RADIO, RADIO AMP, and S/ROOF Fuses
Amplifier and RSA Power, Ground, Serial Data, and Noise Compensation Microphone
Radio Power, Ground, Class 2 Serial Data, and Audio Signals
Splice Pack SP207
Entertainment Schematic Icons
Splice Pack 250
G203 - 2 of 3
Figure 4:

External Audio Source - U42


Object Number: 1464948  Size: FS
Master Electrical Component List
Radio/Audio System Description and Operation
Control Module References
Splice Pack 250
External Audio Source (U2K)
CIG LTR, EAP, and INFO Fuses
CIG LTR, EAP, and INFO Fuses
Splice Pack SP207
Entertainment Schematic Icons
Splice Pack 250
G203 - 2 of 3
Figure 5:

External Audio Sources - Splice Pack SP250


Object Number: 1464969  Size: FS
Master Electrical Component List
Radio/Audio System Description and Operation
Control Module References
Amplifier and RSA Power, Ground, Serial Data, and Noise Compensation Microphone
External Audio Source (U42)
External Audio Source (U42)
External Audio Source (U42)
External Audio Source (U42)
External Audio Source (U42)
External Audio Source (U2K)
External Audio Source (U2K)
External Audio Source (U2K)
External Audio Source (U2K)
External Audio Source (U1S)
External Audio Source (U1S)
External Audio Source (U1S)
Entertainment Schematic Icons
Figure 6:

Amplifier and RSA Power, Ground, and Serial Data, and Noise Compensation Microphone


Object Number: 1464975  Size: FS
Master Electrical Component List
Radio/Audio System Description and Operation
Control Module References
Speakers
Splice Pack 250
B+ Bus - 1 of 2
Splice Pack SP207
Radio Power, Ground, Class 2 Serial Data, and Audio Signals
External Audio Source (U2K)
Analog Clock
G203 - 1 of 3
Figure 7:

Speakers


Object Number: 1464978  Size: FS
Master Electrical Component List
Radio/Audio System Description and Operation
Control Module References
Antenna Module - Escalade except EXT
Amplifier and RSA Power, Ground, Serial Data, and Noise Compensation Microphone
Entertainment Schematic Icons
Entertainment Schematic Icons
Entertainment Schematic Icons
Entertainment Schematic Icons
Entertainment Schematic Icons
Entertainment Schematic Icons
Entertainment Schematic Icons
Entertainment Schematic Icons
Entertainment Schematic Icons
Entertainment Schematic Icons
Figure 8:

Antenna Module


Object Number: 1464980  Size: FS
Master Electrical Component List
Radio/Audio System Description and Operation
Control Module References
Speakers

Radio/Audio System Schematics Base/Up Level Radio - UQ3

Figure 1:

Power, Ground, and Audio Signals


Object Number: 1464983  Size: FS
Master Electrical Component List
Radio/Audio System Description and Operation
Control Module References
Speakers
RADIO, RADIO AMP, and S/ROOF Fuses
Digital Radio Receiver (U2K)
Entertainment Schematic Icons
Power, Ground, DLC, and Splice Pack SP205
G203 - 2 of 3
Figure 2:

Speakers


Object Number: 1464985  Size: FS
Master Electrical Component List
Radio/Audio System Description and Operation
Control Module References
Digital Radio Receiver (U2K)
Power, Ground and Audio Signals
Entertainment Schematic Icons
Entertainment Schematic Icons
Entertainment Schematic Icons
Entertainment Schematic Icons
Entertainment Schematic Icons
Entertainment Schematic Icons
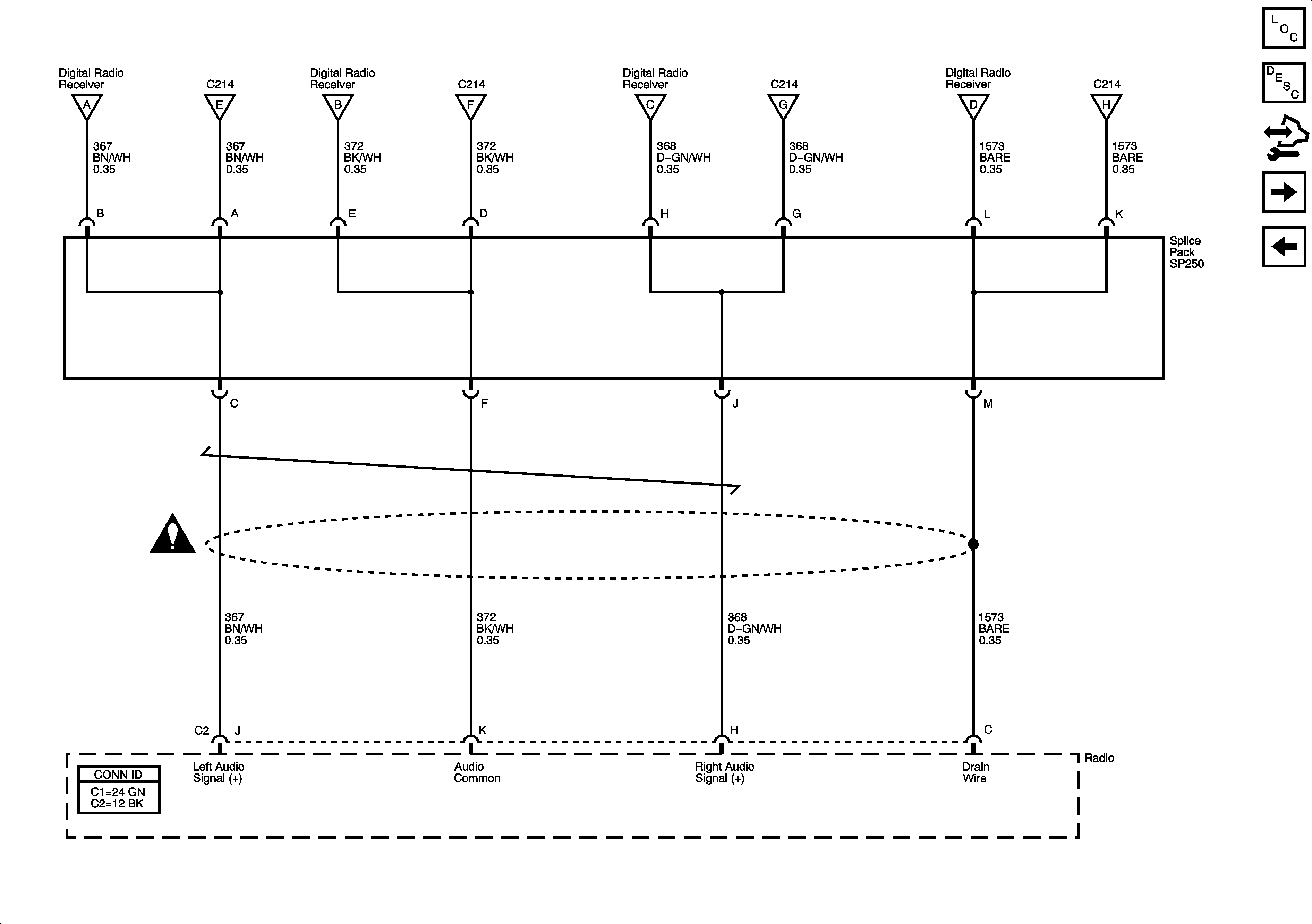
Figure 3:

Digital Radio Receiver - U2K


Object Number: 1464986  Size: FS
Master Electrical Component List
Radio/Audio System Description and Operation
Control Module References
Speakers
B+ Bus - 1 of 2
Power, Ground and Audio Signals
Splice Pack SP207
Entertainment Schematic Icons
G203 - 2 of 3

Radio/Audio System Schematics UQ7 w/o Y91 - Non Class 2 Amp

Figure 1:

Power, Ground, Serial data, and OnStar Audio Input


Object Number: 1464991  Size: FS
Master Electrical Component List
Radio/Audio System Description and Operation
Control Module References
Splice Pack SP250
B+ Bus - 1 of 2
RADIO, RADIO AMP, and S/ROOF Fuses
Entertainment Schematic Icons
Gages
Power, Ground, DLC, and Splice Pack SP205
G203 - 2 of 3
Figure 2:

Digital Radio Receiver - U2K


Object Number: 1465000  Size: FS
Master Electrical Component List
Radio/Audio System Description and Operation
Control Module References
Rear Seat Entertainment (U42)
Amplifier Rear Audio Inputs and RSA Controller (UK6)
B+ Bus - 1 of 2
Power, Ground, Serial Data, and OnStar Audio Input
Amplifier Rear Audio Inputs and RSA Controller (UK6)
Entertainment Schematic Icons
Splice Pack SP250
Splice Pack SP207
G203 - 1 of 3
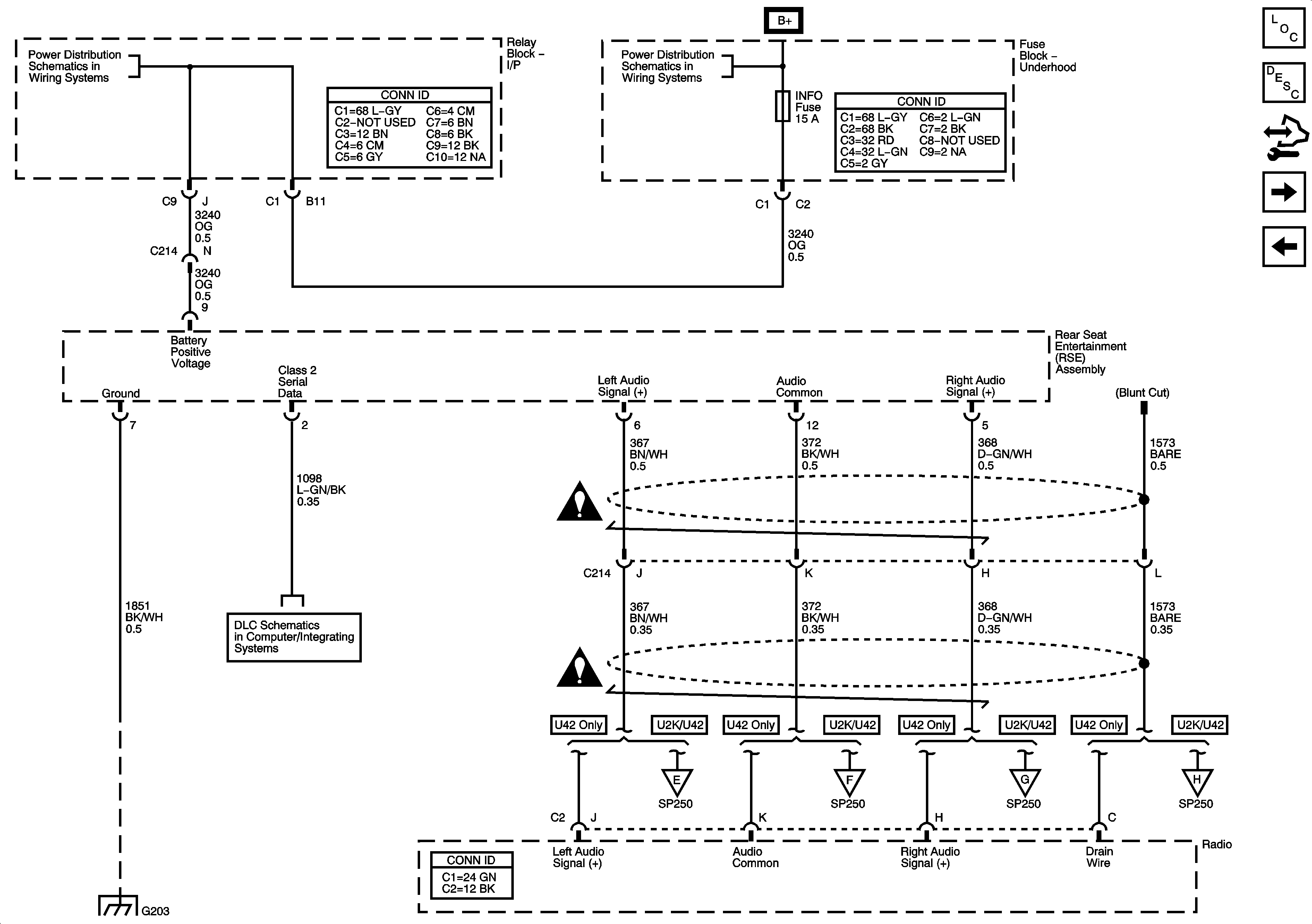
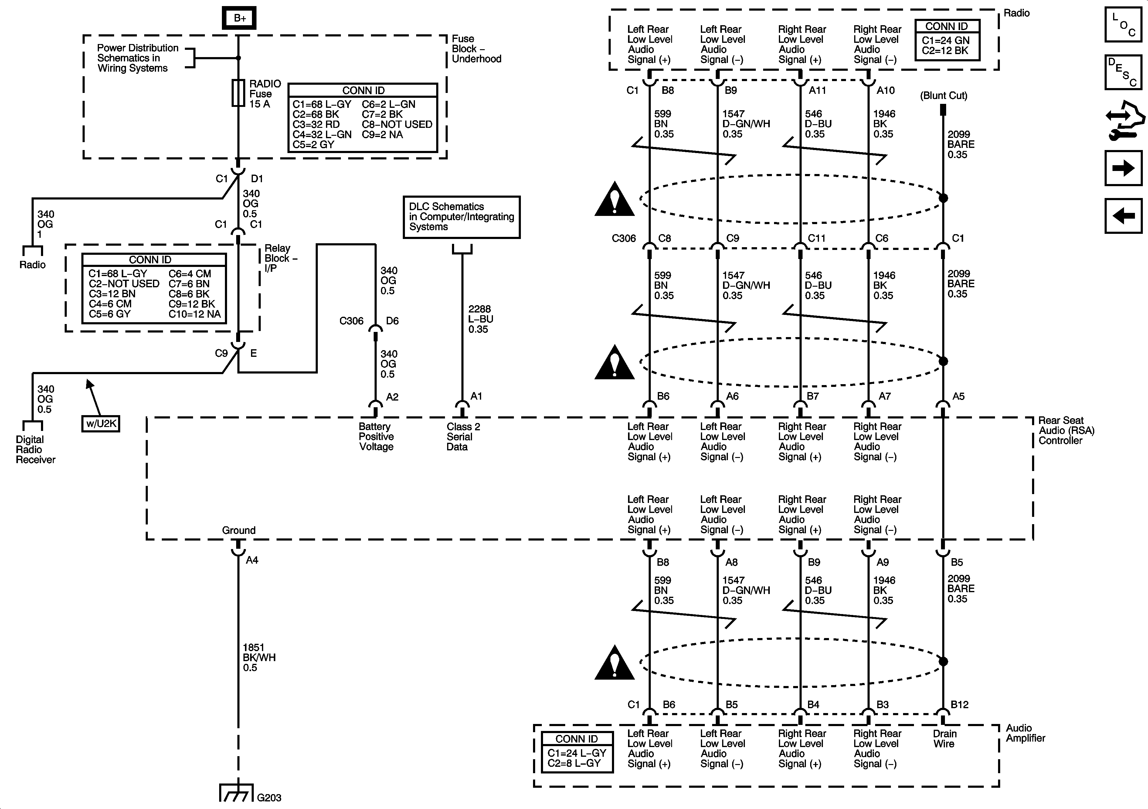
Figure 3:

Rear Seat Entertainment - U42


Object Number: 1465003  Size: FS
Master Electrical Component List
Radio/Audio System Description and Operation
Control Module References
Front Speakers and Subwoofer
Digital Radio Receiver (U2K)
CIG LTR, EAP, and INFO Fuses
CIG LTR, EAP, and INFO Fuses
Entertainment Schematic Icons
Splice Pack SP250
Splice Pack SP207
G203 - 1 of 3
Figure 4:

Splice Pack SP250


Object Number: 1464993  Size: FS
Master Electrical Component List
Radio/Audio System Description and Operation
Control Module References
Amplifier Power, Ground, Front Audio, and Control Inputs
Power, Ground, Serial Data, and OnStar Audio Input
Digital Radio Receiver (U2K)
Rear Seat Entertainment (U42)
Digital Radio Receiver (U2K)
Rear Seat Entertainment (U42)
Digital Radio Receiver (U2K)
Rear Seat Entertainment (U42)
Digital Radio Receiver (U2K)
Rear Seat Entertainment (U42)
Entertainment Schematic Icons
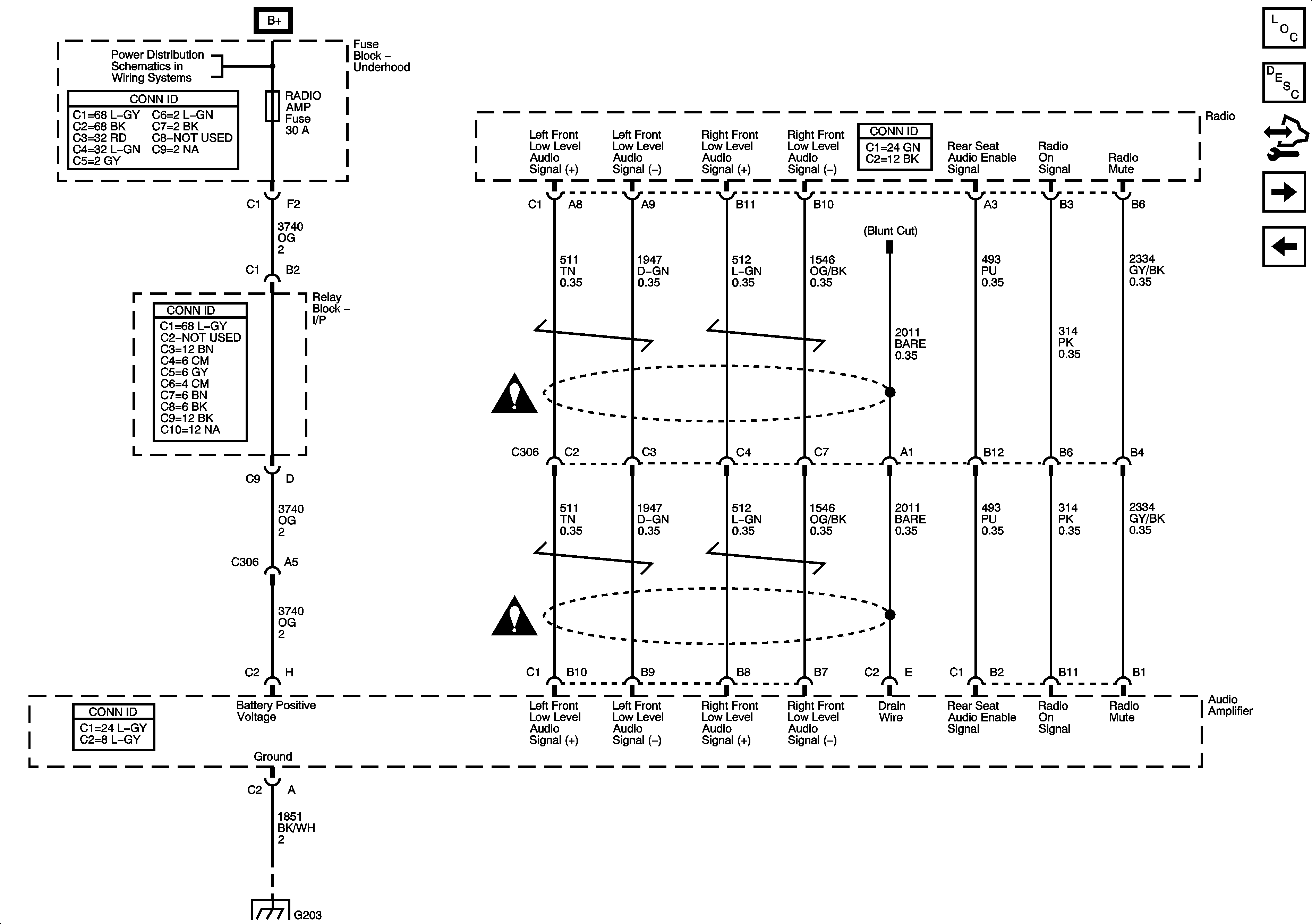
Figure 5:

Amplifer Power, Ground, Front Audio, and Control Inputs


Object Number: 1464996  Size: FS
Master Electrical Component List
Radio/Audio System Description and Operation
Control Module References
Amplifier Rear Audio Inputs (w/o UK6)
Splice Pack SP250
B+ Bus - 1 of 2
Entertainment Schematic Icons
G203 - 1 of 3
Figure 6:

Amplifier Rear Audio Inputs -- w/o UK6


Object Number: 1464997  Size: FS
Master Electrical Component List
Radio/Audio System Description and Operation
Control Module References
Amplifier Rear Audio Inputs and RSA Controller (UK6)
Amplifier Power, Ground, Front Audio, and Control Inputs
Entertainment Schematic Icons
Figure 7:

Amplifier Rear Audio Inputs and RSA Controller -- w/UK6


Object Number: 1464999  Size: FS
Master Electrical Component List
Radio/Audio System Description and Operation
Control Module References
Digital Radio Receiver (U2K)
Amplifier Rear Audio Inputs (w/o UK6)
B+ Bus - 1 of 2
Power, Ground, Serial Data, and OnStar Audio Input
Digital Radio Receiver (U2K)
Splice Pack SP207
Entertainment Schematic Icons
Entertainment Schematic Icons
G203 - 1 of 3
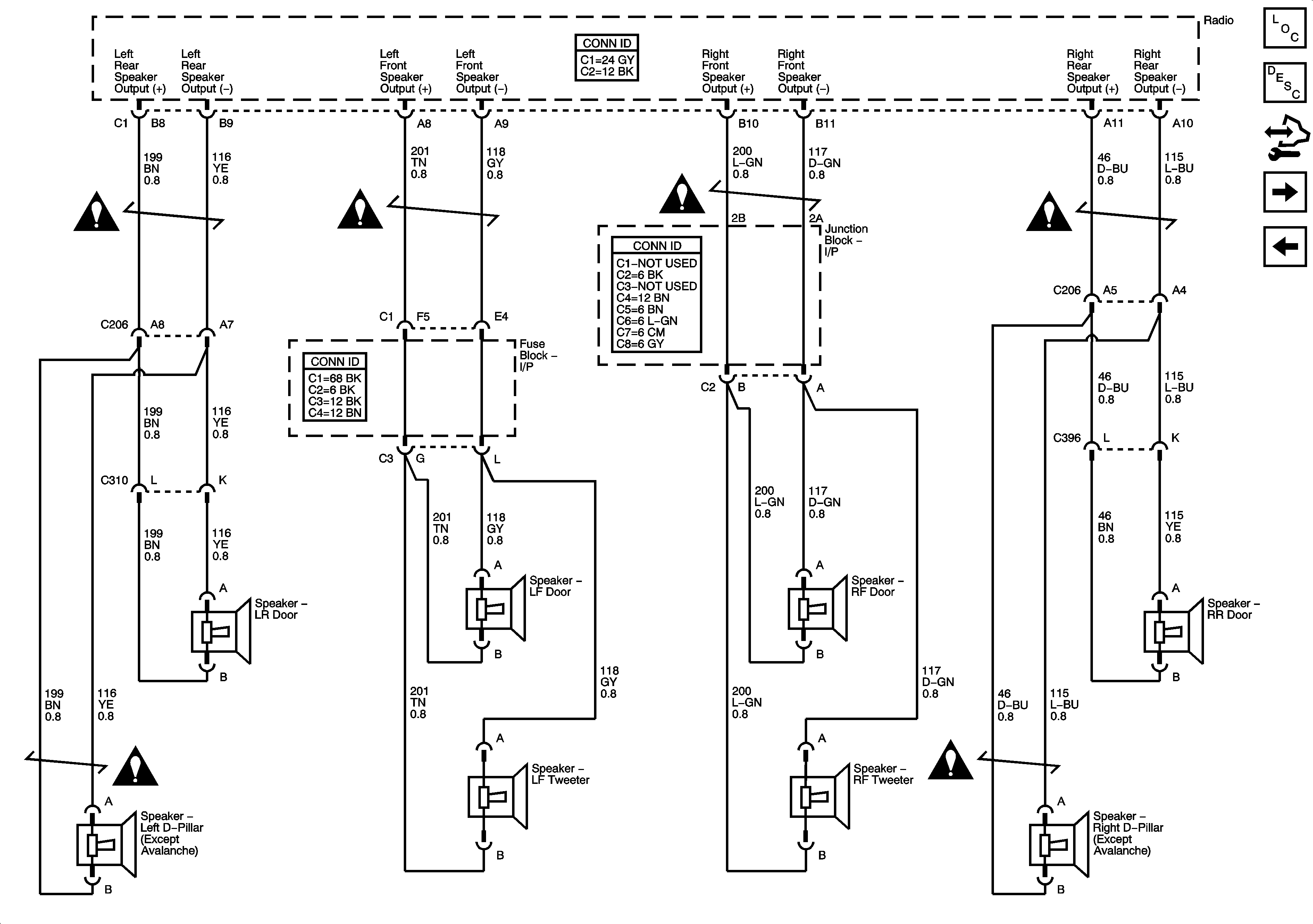
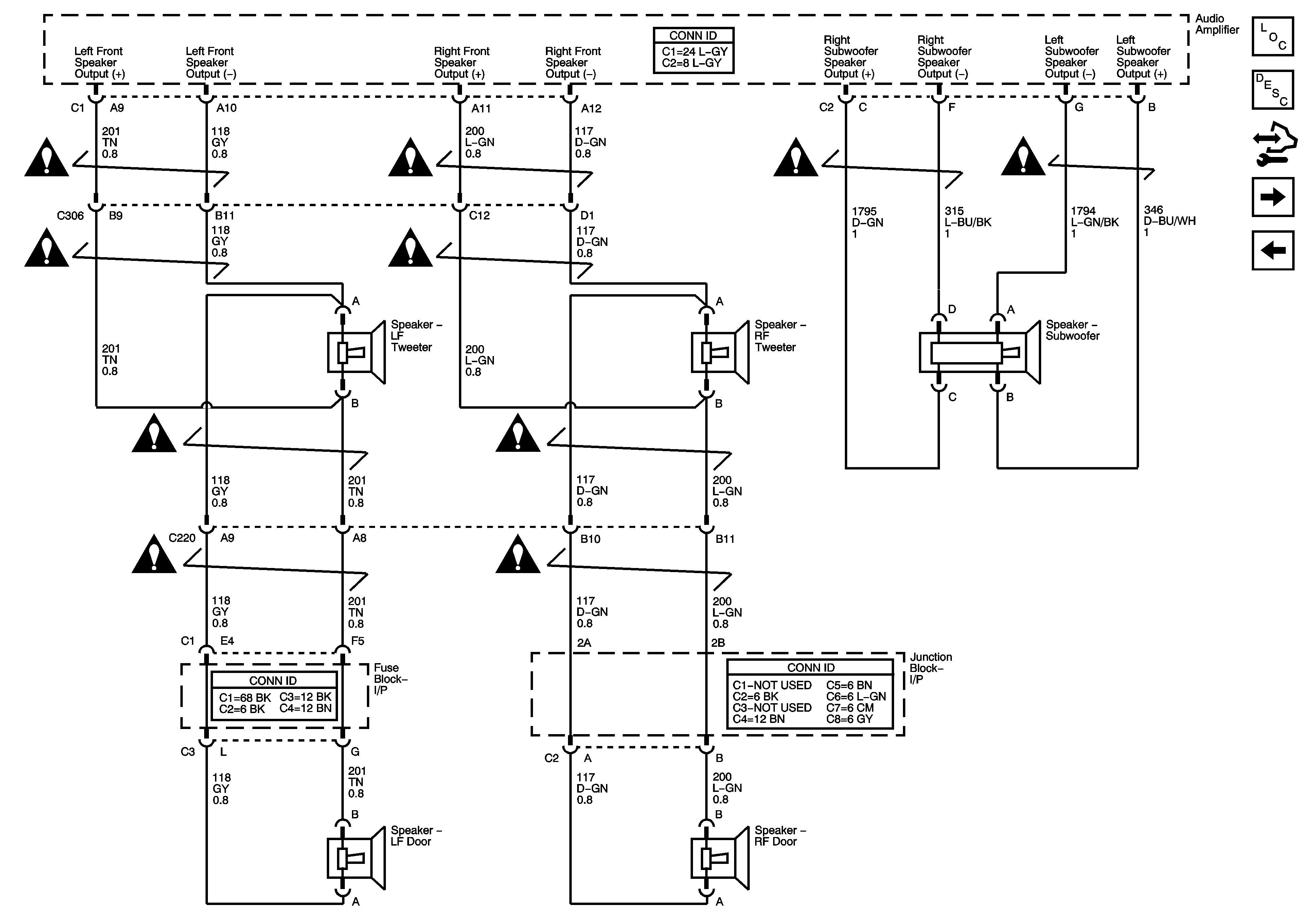
Figure 8:

Front Speakers and Subwoofer


Object Number: 1558056  Size: FS
Master Electrical Component List
Radio/Audio System Description and Operation
Control Module References
Rear Speakers
Rear Seat Entertainment (U42)
Entertainment Schematic Icons
Entertainment Schematic Icons
Entertainment Schematic Icons
Entertainment Schematic Icons
Entertainment Schematic Icons
Entertainment Schematic Icons
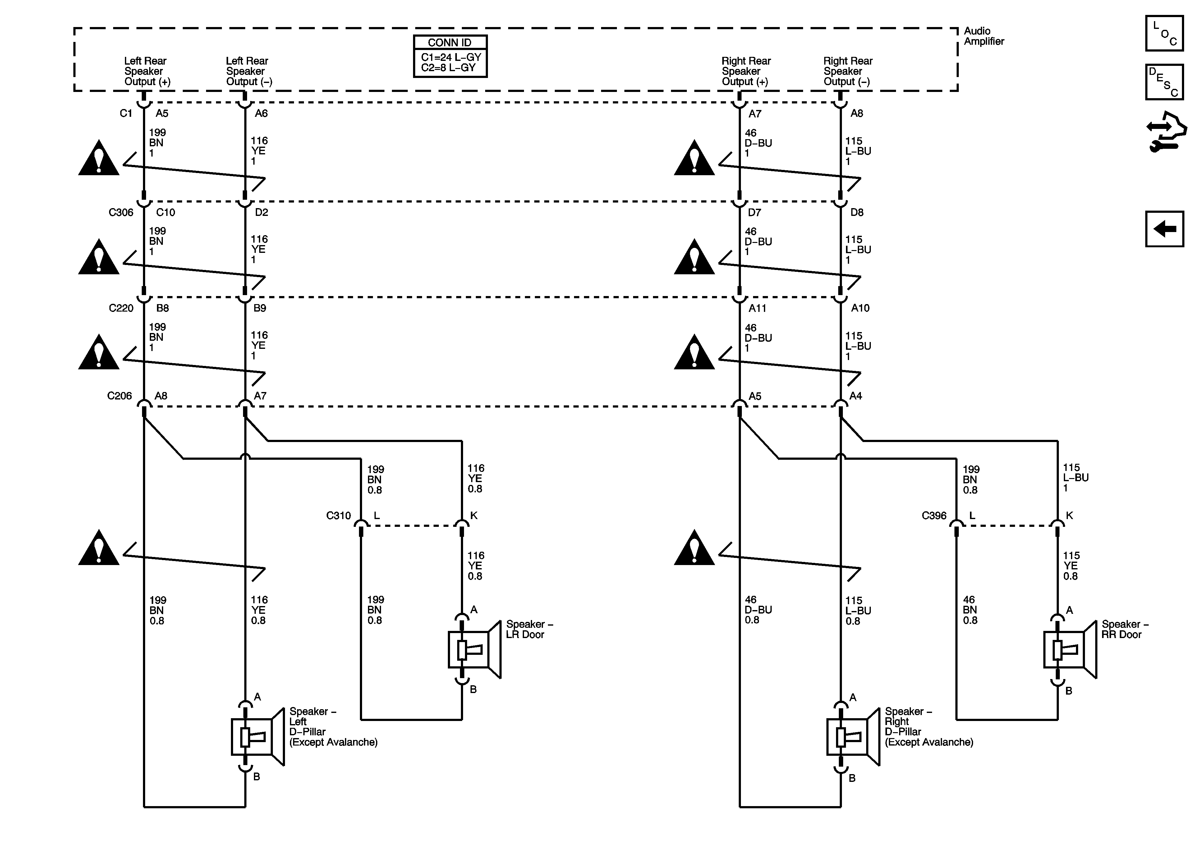
Figure 9:

Rear Speakers


Object Number: 1558717  Size: FS
Master Electrical Component List
Master Electrical Component List
Radio/Audio System Description and Operation
Control Module References
Front Speakers and Subwoofer
Entertainment Schematic Icons
Entertainment Schematic Icons