GM Service Manual Online
For 1990-2009 cars only
Makes
🢒
Cadillac
🢒
2007
🢒
Escalade EXT
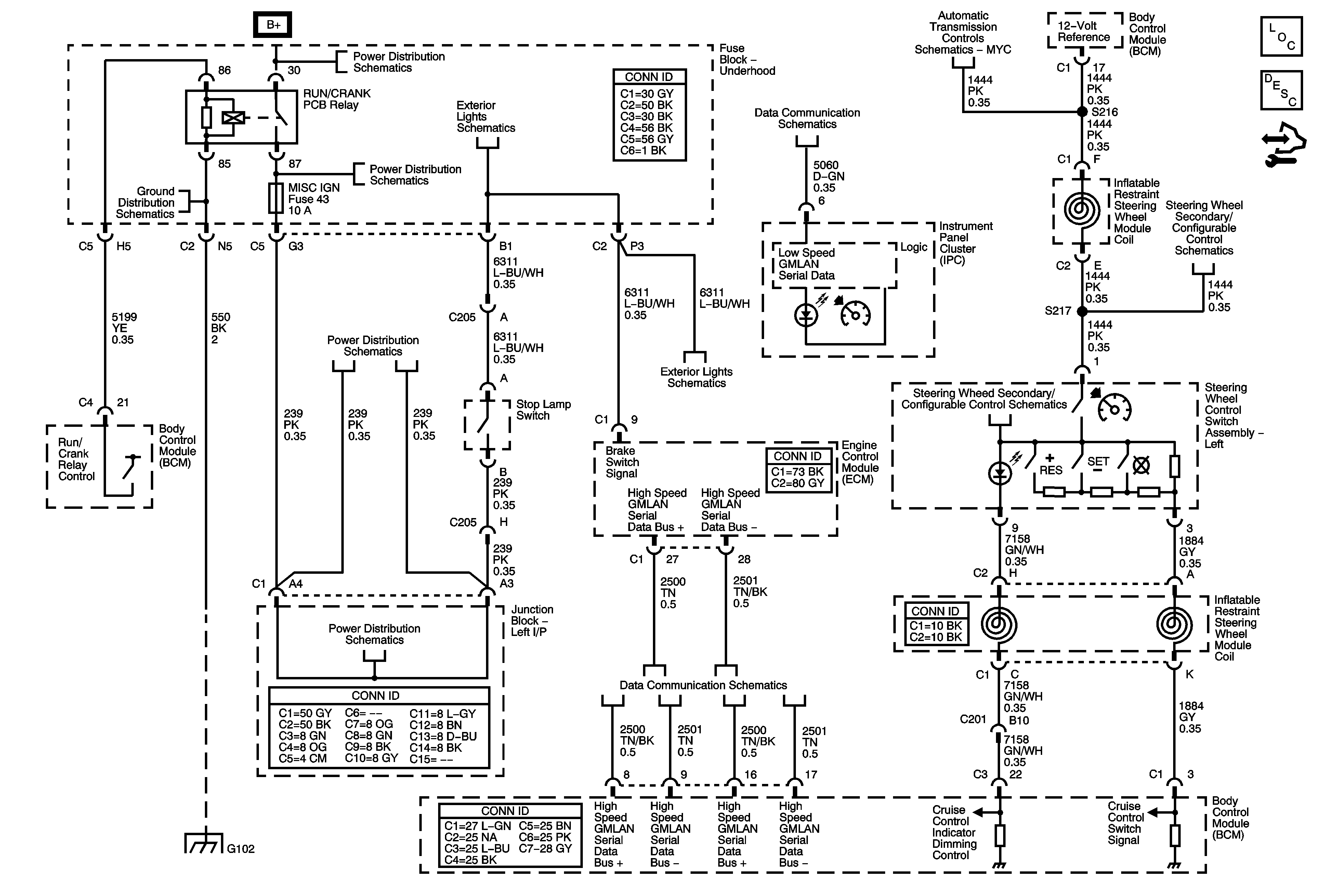
🢒 Cruise Control Schematics
Cruise Control Schematics
Master Electrical Component List
Cruise Control Description and Operation
Control Module References
G102 and G108
B+ Bus - 1 of 3
B+ Bus - 3 of 3
Stop Lamp Controls and CHMSL
RUN/CRANK Bus - AIRBAG IGN, MISC IGN, ans SEO/ALC Fuses
G102 and G108
RUN/CRANK Bus - AIRBAG IGN, MISC IGN, ans SEO/ALC Fuses
Low Speed Bus - SP200 - 1 of 3
Stop Lamp Controls and CHMSL
High Speed Bus - 1 of 2
Transmission Range Signals and Driver Shift Request
Steering Wheel Controls
Steering Wheel Controls