GM Service Manual Online
For 1990-2009 cars only
Makes
🢒
Cadillac
🢒
2007
🢒
Escalade EXT
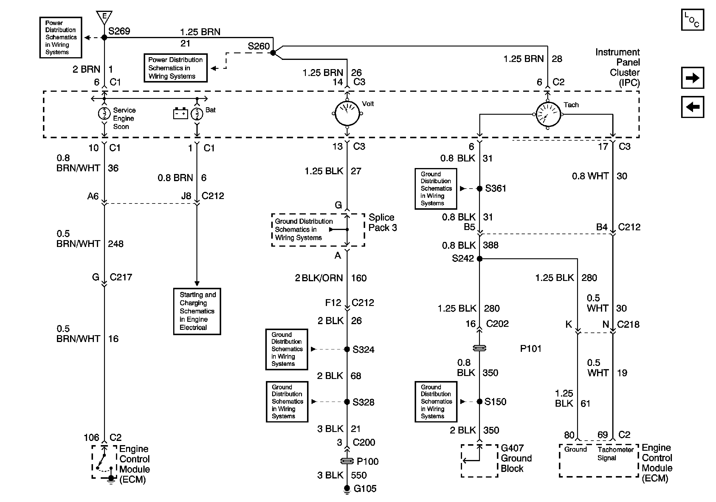
🢒 IP Cluster
IP Cluster
IP Cluster
Master Electrical Component List
Fuel Tank Sensor-Dual Tank
Stop Lamps Switches, ECM Engine Stop Relay, Glow Plugs
Circuit Breaker 6 (2 of 2)
G105 Continued, S324, S326, S500
G105 S328, S325
G407, Splice Pack 3, S120, S121, S122, S150, S242, S361
G407, Splice Pack 3, S120, S121, S122, S150, S242, S361