GM Service Manual Online
For 1990-2009 cars only
Makes
🢒
Cadillac
🢒
2007
🢒
Escalade EXT
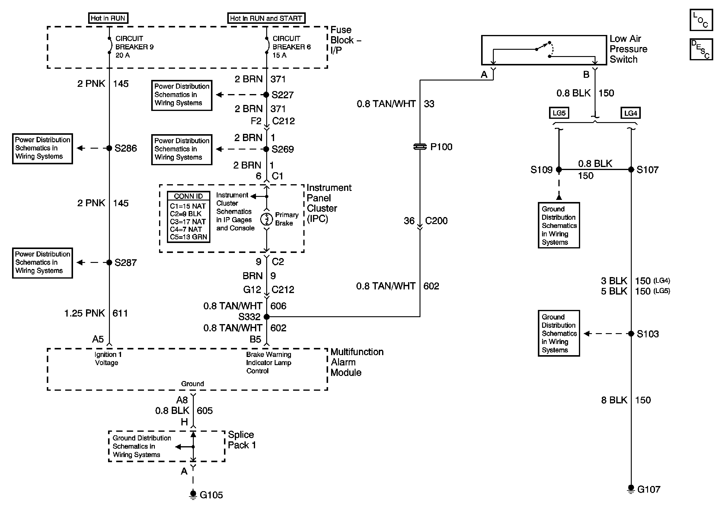
🢒 Air Brakes Schematics - Low Air Pressure Switch, MAM, I/P Cluster
Air Brakes Schematics - Low Air Pressure Switch, MAM, I/P Cluster
Master Electrical Component List
Brake Warning System Description and Operation
Power Distribution System Schematics - FB I/P, Circuit Breaker 9
Power Distribution System Schematics - FB I/P, Circuit Breaker 9
Power Distribution System Schematics - Fuse Block I/P, C.B. 6
Power Distribution System Schematics - Feed From Circuit Breaker 6
Isuzu IPC System Schematics - Seat Belt, Prim BRK, ABS, PRK BRK Lamps
Ground Distribution Schematics - Splice Pack 1 and 4, S450
Ground Distribution Schematics - S109, S148 and S424
Ground Distribution Schematics - G107, G108, S101, S103 and S105