GM Service Manual Online
For 1990-2009 cars only
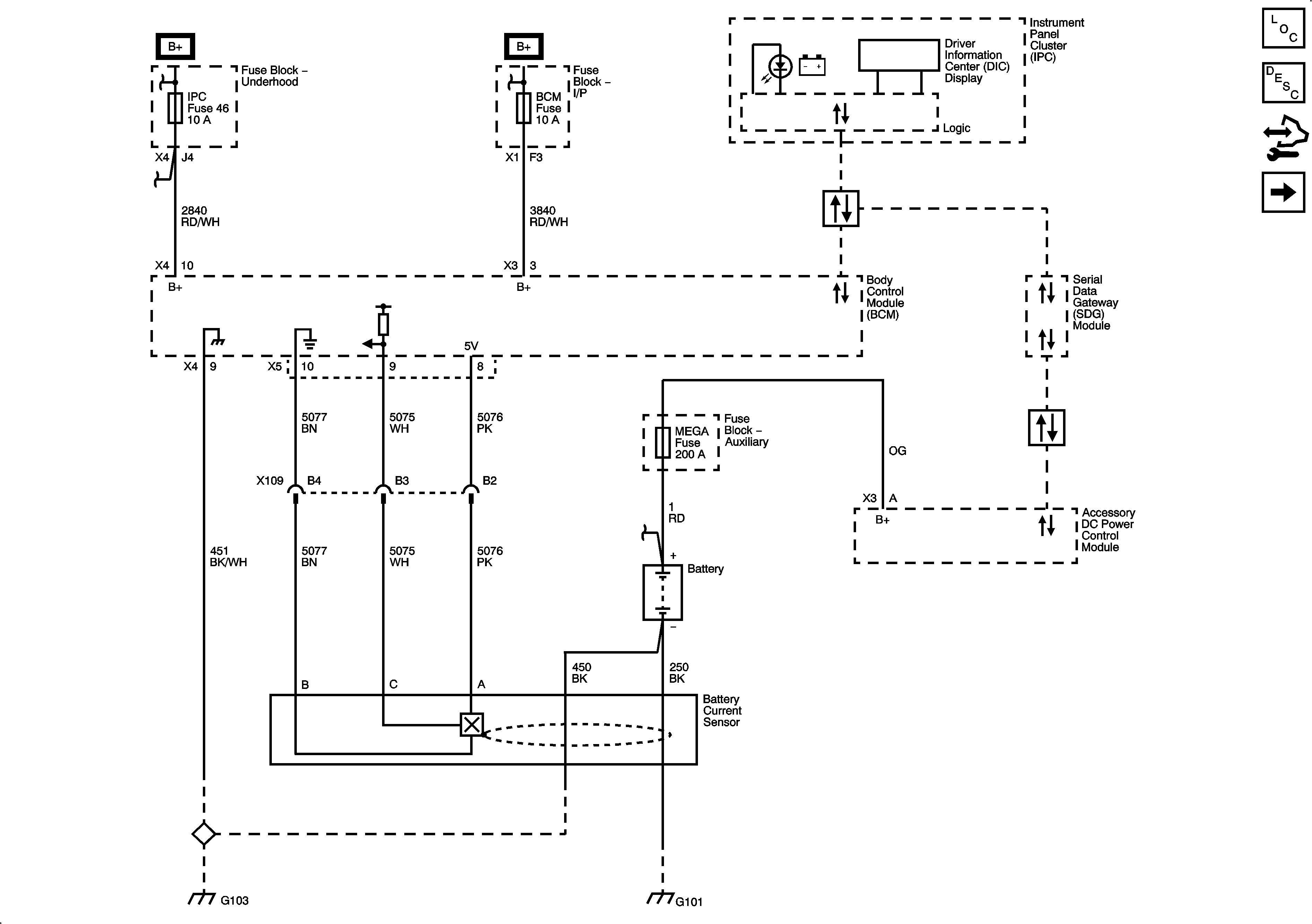
Figure 1:

Charging (HP2)


Object Number: 2039454  Size: FS
Master Electrical Component List
Charging System Description and Operation
Control Module References
Power, Ground and Data Communication
ECM-BATT, HEADLAMP WASH, HVAC BATT, IPC, LTR, S/ROOF, and TCM-BATT Fuses
BCM, COOLED SEATS, CTSY, DDM, DIM, DSM, LBEC 1, MBEC 1, REAR HVAC, and RT STOP TRN Fuses and DRIVER SEAT 2, PASS SEAT 1, and RT DOORS Circuit Breakers
Data Communication Schematics
Data Communication Schematics
G101
G103, G110 and G111
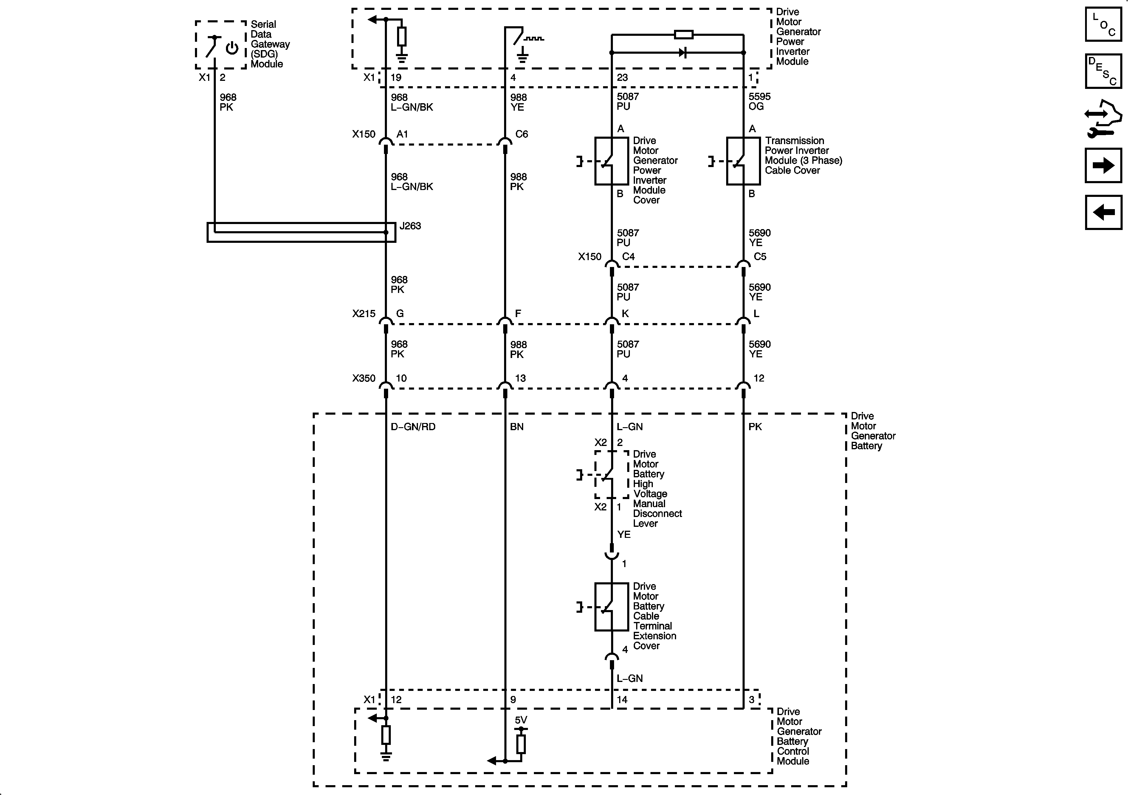
Figure 2:

Power, Ground and Data Communication


Object Number: 1976375  Size: FS
Master Electrical Component List
Drive Motor Battery System Description
Control Module References
Battery Modules and Drive Motor Battery High Voltage Manual Disconnect Lever
ACCM, ACPO, BECM, BECM FAN, CAB HTR PUMP, COOL PUMP, EPS, PIM 1 and PIM 2 Fuses
High Speed Bus (HP2)
Serial Data Communication Enable and Wake-up Circuits
G300, G302, G311, G312, G313, and G314
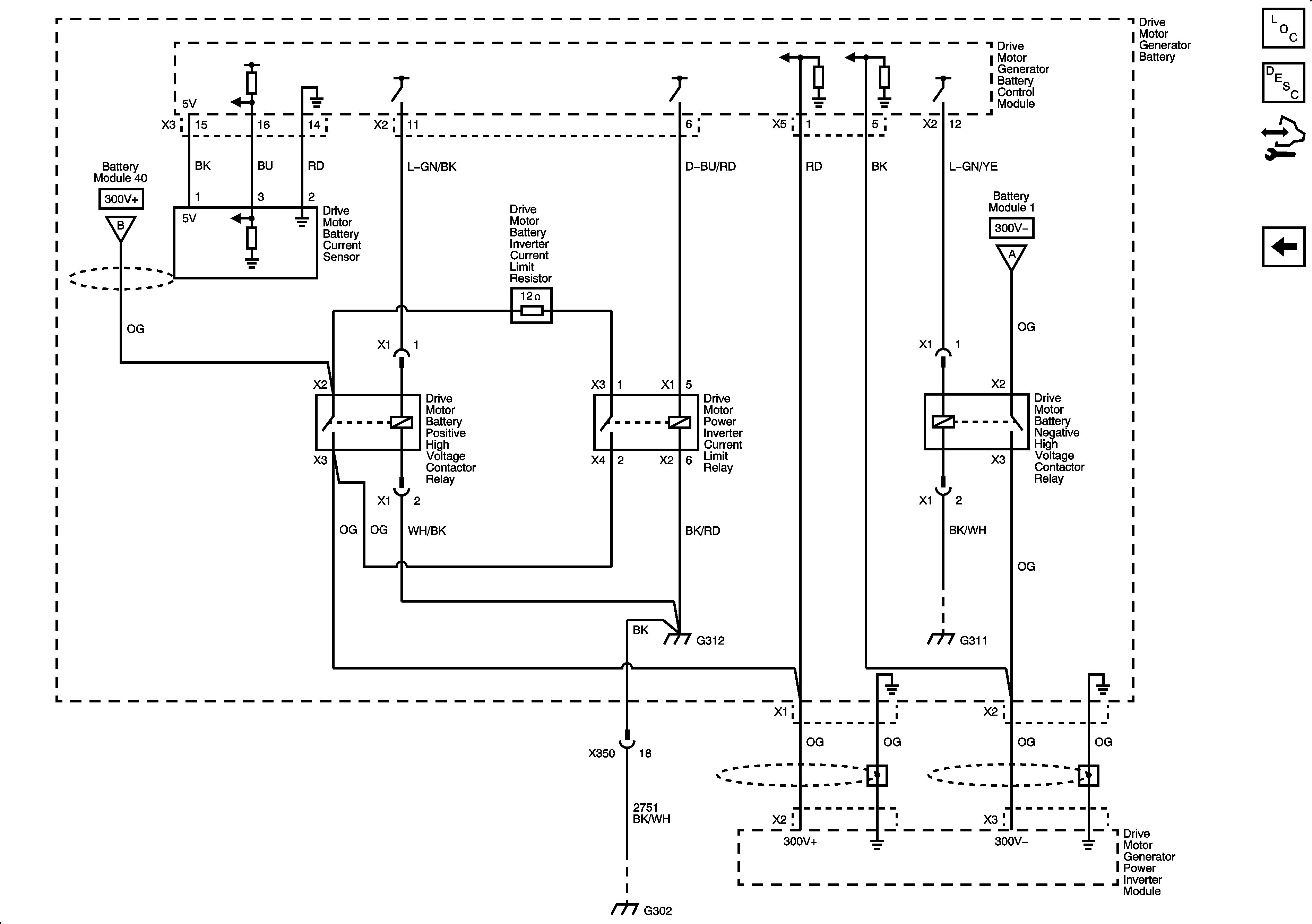
Figure 3:

Battery Modules and Drive Motor Battery High Voltage Manual Disconnect Lever


Object Number: 1976376  Size: FS
Master Electrical Component List
Drive Motor Battery System Description
Control Module References
Main Power Contactors
Power, Ground and Data Communication
Main Power Contactors
Main Power Contactors
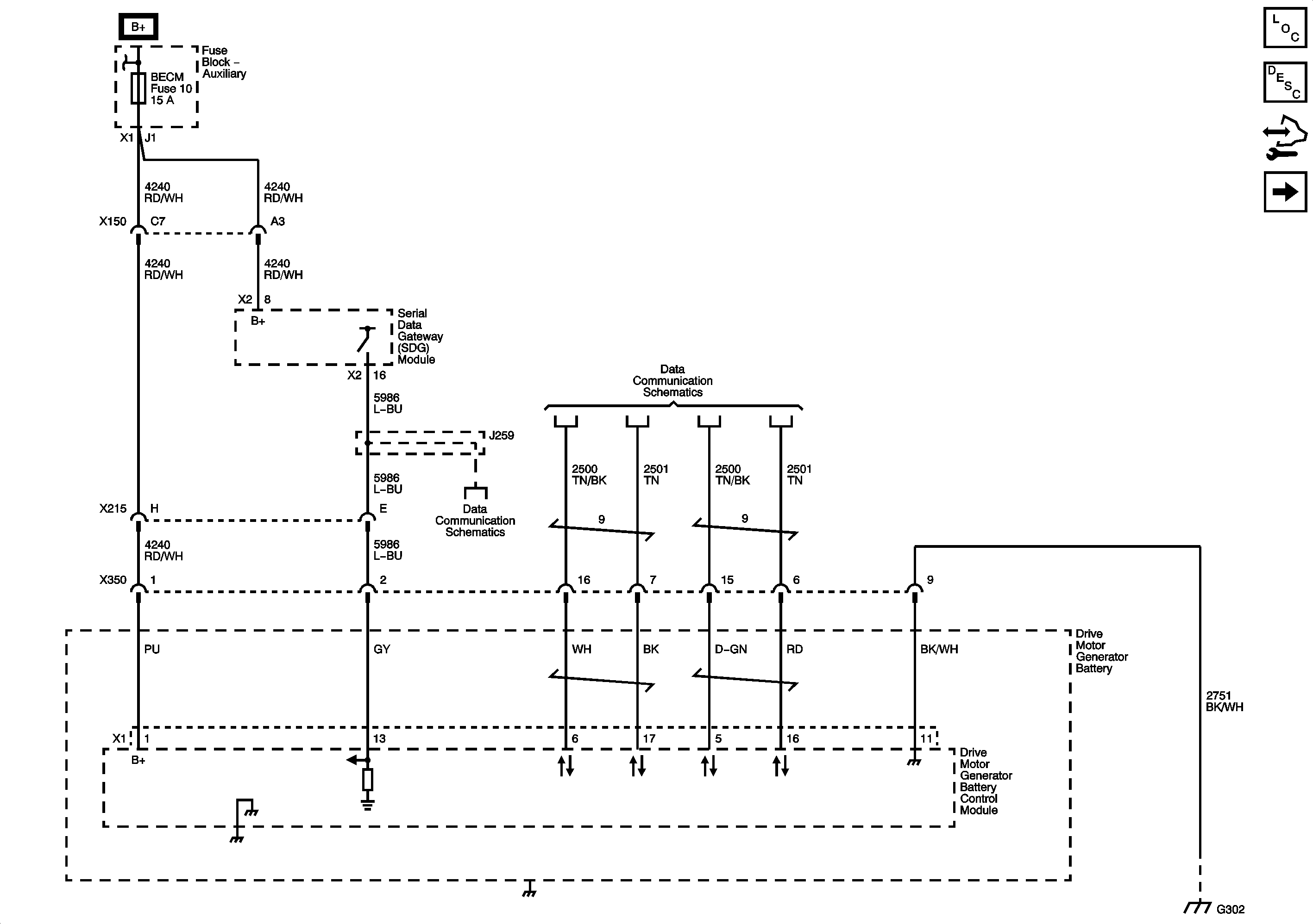
Figure 4:

Main Power Contactors


Object Number: 1976379  Size: FS
Master Electrical Component List
Drive Motor Battery System Description
Control Module References
Battery Modules and Drive Motor Battery High Voltage Manual Disconnect Lever
Battery Modules and Drive Motor Battery High Voltage Manual Disconnect Lever
Battery Modules and Drive Motor Battery High Voltage Manual Disconnect Lever
G300, G302, G311, G312, G313, and G314
G300, G302, G311, G312, G313, and G314
G300, G302, G311, G312, G313, and G314
Figure 5:

High Voltage Interlock Circuit (HVIC), Contactor Control Circuit


Object Number: 1976381  Size: FS
Master Electrical Component List
Drive Motor Generator Control Module Description and Operation
Control Module References
Drive Motor with Generator Assembly - 1st Position
Accessory DC Power Control, Hybrid Power Steering