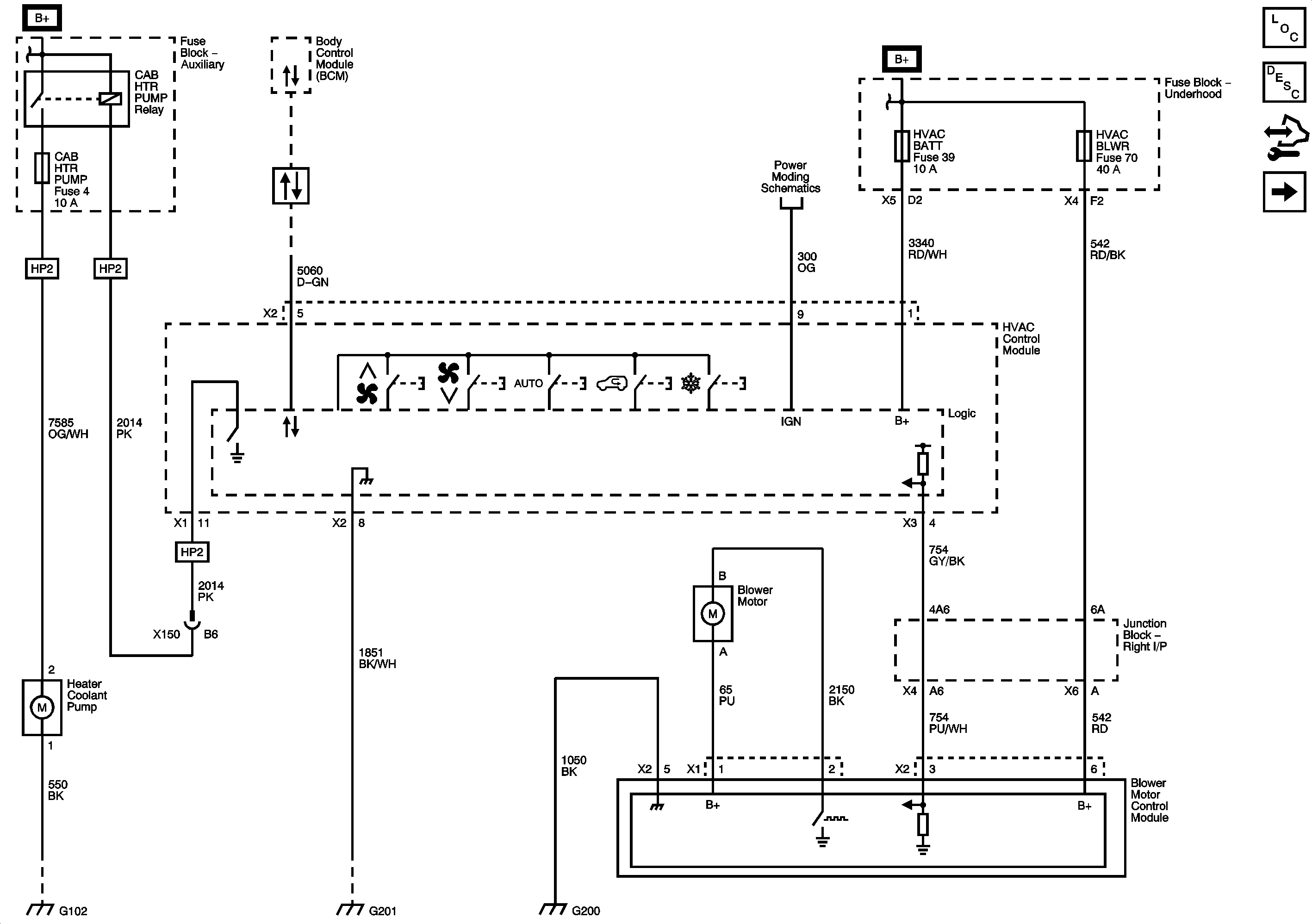
| Figure 1: |
Module Power, Ground, Serial Data, Front Blower Controls and Hybrid Cabin Heating
|
| Figure 2: |
Front Mode Controls
|
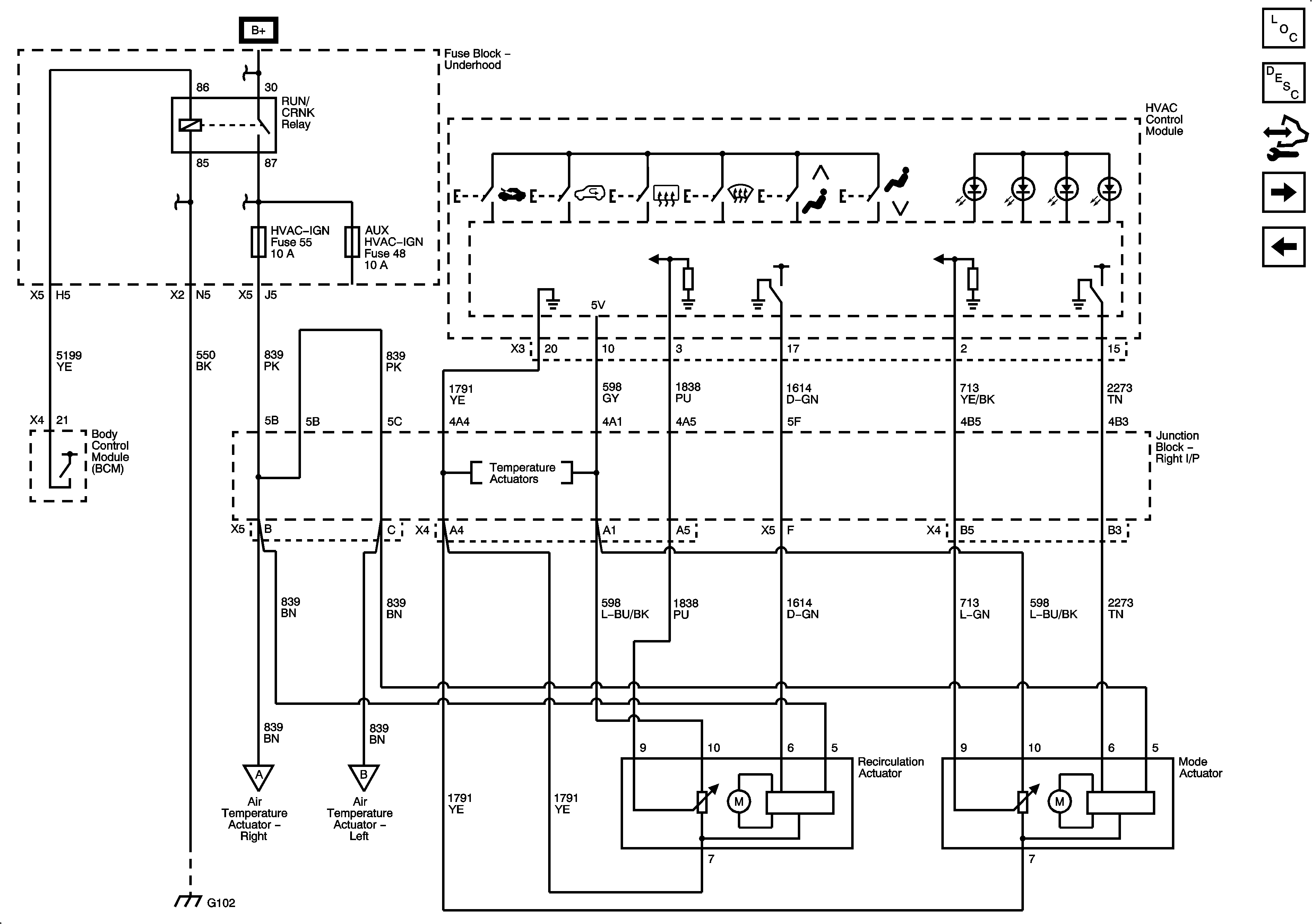
| Figure 3: |
Front Temperature Controls
|
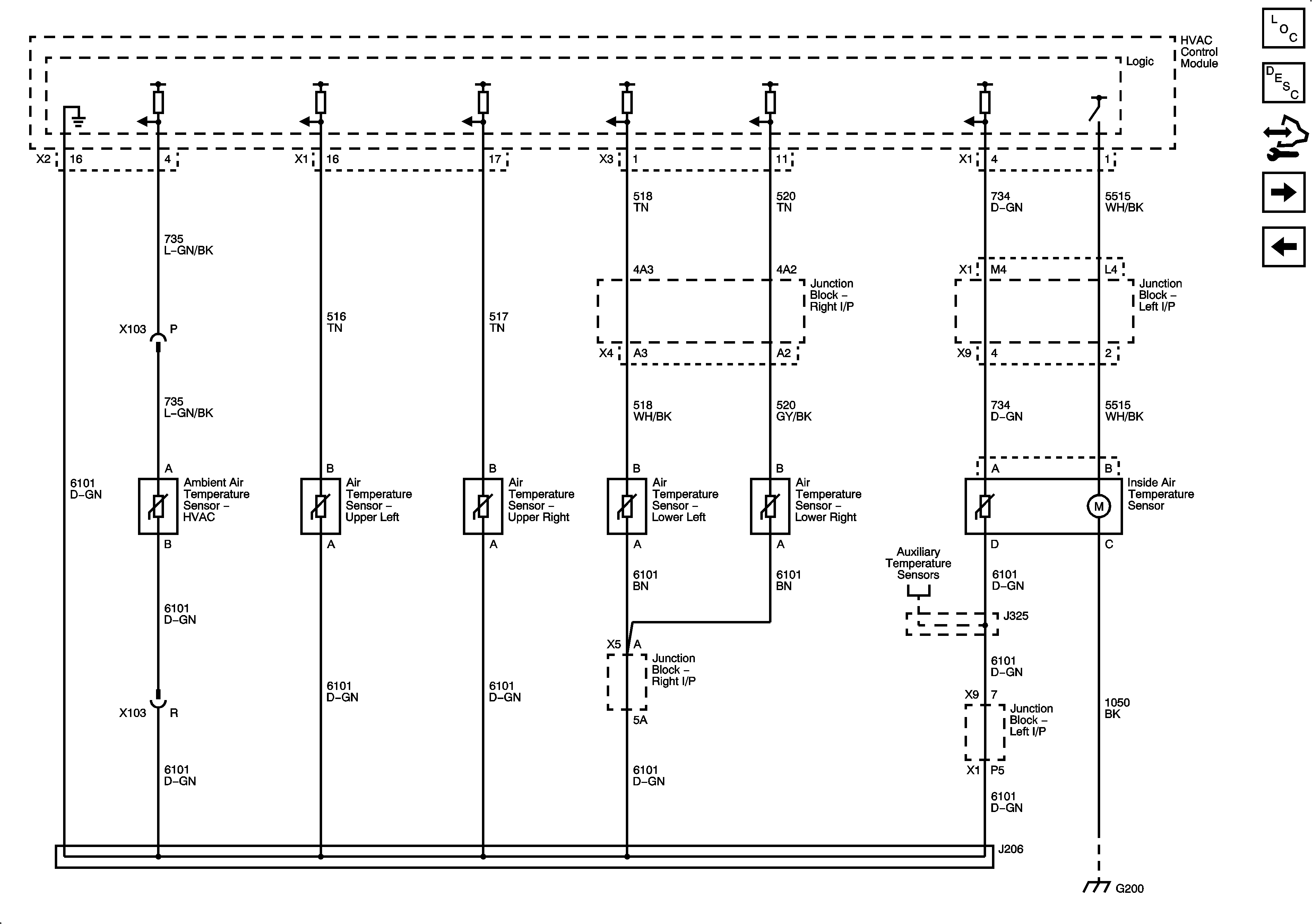
| Figure 4: |
Front Temperature Sensors
|
| Figure 5: |
Auxiliary Blower Controls
|
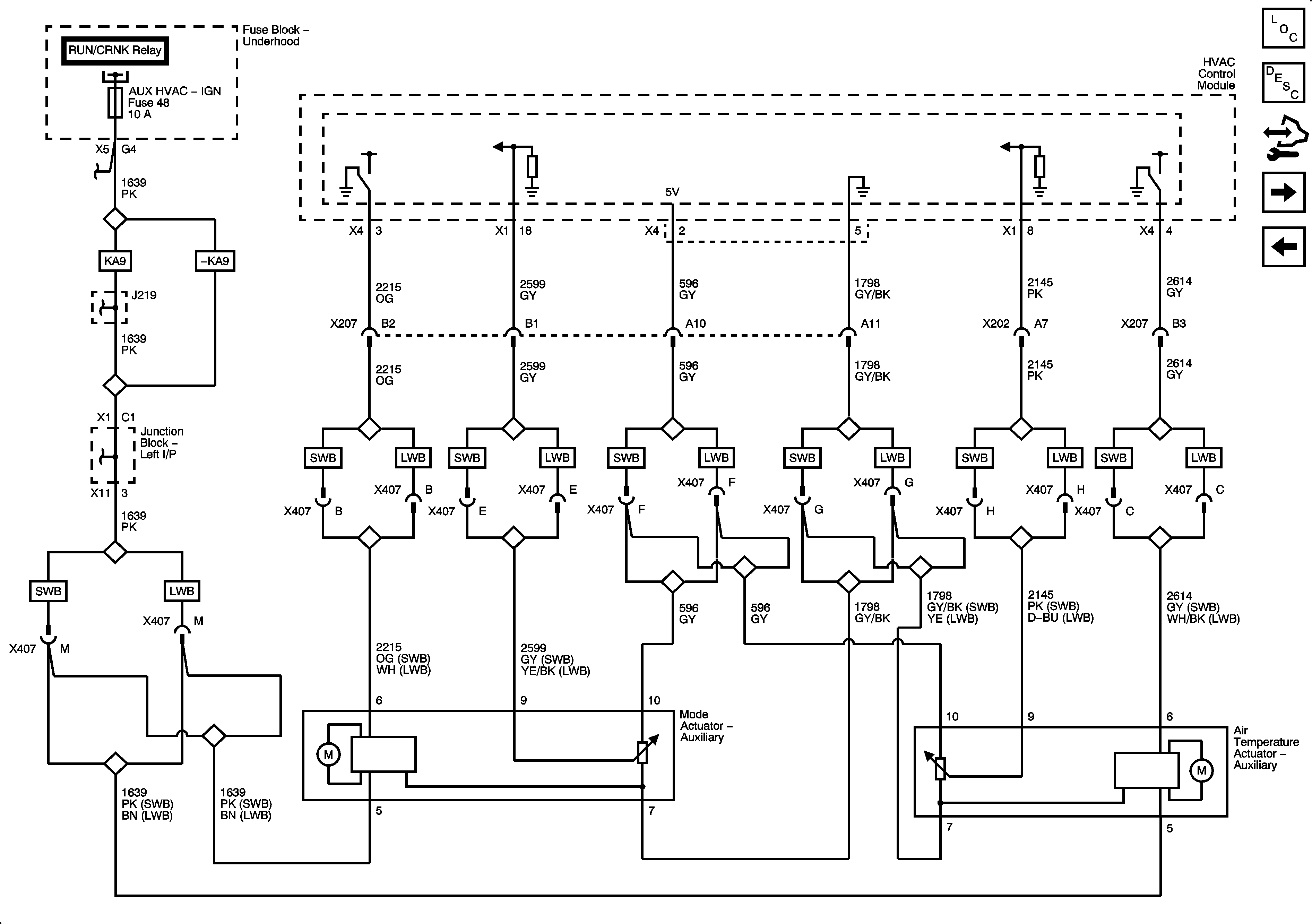
| Figure 6: |
Auxiliary Mode and Temperature Controls
|
| Figure 7: |
Auxiliary Temperature Sensors
|
| Figure 8: |
A/C Compressor Controls
|
| Figure 9: |
A/C Compressor Controls (HP2)
|