GM Service Manual Online
For 1990-2009 cars only
Figure 1:

Front Blower Motor Controls


Object Number: 642059  Size: FS
Blower Motor - Auxiliary
HVAC Component Views
G200
Air Delivery Description and Operation
Figure 2:

Rear Blower Motor Controls


Object Number: 642061  Size: FS
Blower Motor - Front
A/C Compressor Clutch
HVAC Component Views
Power and Components
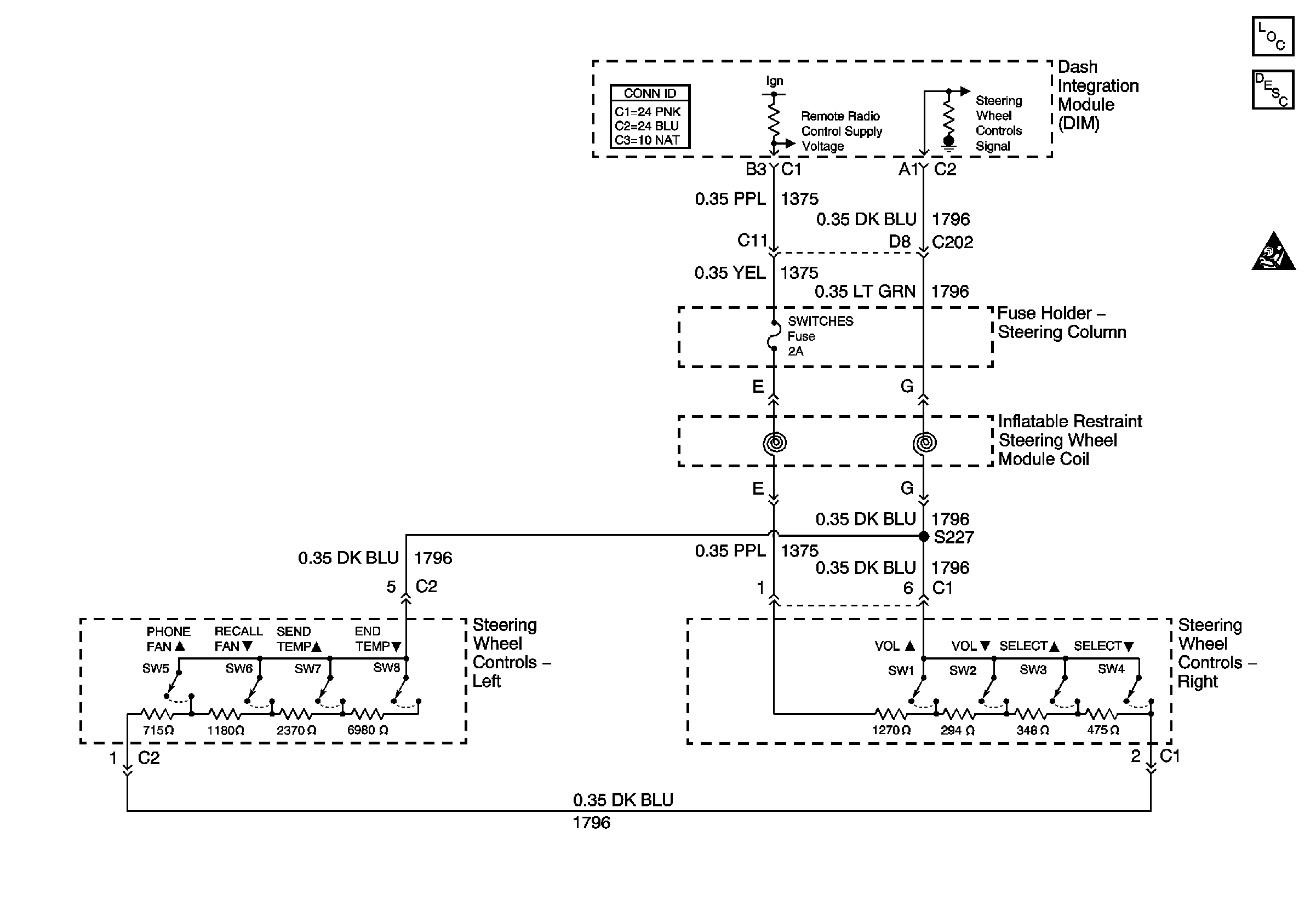
Ashtray Lamp and Steering Wheel Controls
Battery Feeds
G200 and G202
G200 and G202
Air Delivery Description and Operation
Figure 3:

Power and Ground


Object Number: 642063  Size: FS
Blower Motor - Auxiliary
Electric Actuators
HVAC Component Views
Class 2 Serial Data Line (LH Drive) (1 of 2)
G106 and G108
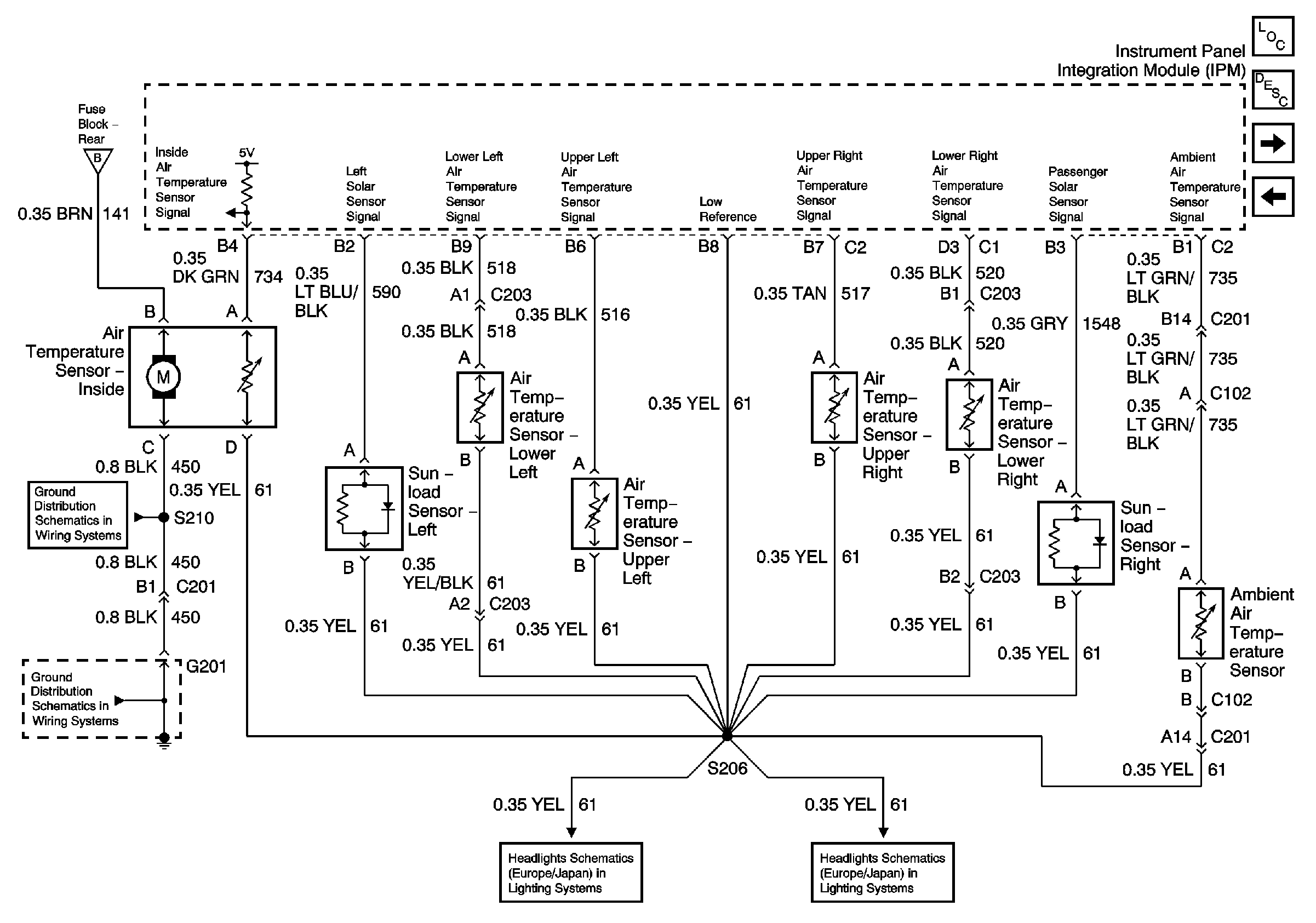
Air Temperature Description and Operation
Figure 4:

Electric Actuators


Object Number: 642064  Size: FS
A/C Compressor Clutch
Temperature Sensors - LH Drive
HVAC Component Views
Temperature Sensors - LH Drive
IGN 3 RR Relay, HVAC and ABS Fuses
Air Temperature Description and Operation
Figure 5:

Temperature Sensors - LH Drive


Object Number: 642065  Size: FS
Electric Actuators
Temperature Sensors - RH Drive
HVAC Component Views
Electric Actuators
G201 (2 of 3)
G201 (2 of 3)
Air Temperature Description and Operation
Figure 6:

Temperature Sensors - RH Drive


Object Number: 642066  Size: FS
Temperature Sensors - LH Drive
HVAC Component Views
Ashtray Lamp and Steering Wheel Controls
IGN 3 RR Relay, HVAC and ABS Fuses
G200 and G202
G200 and G202
Air Delivery Description and Operation
Figure 7:

Steering Column Controls


Object Number: 642213  Size: FS
SIR Caution
HVAC Component Views
Temperature Sensors - RH Drive