GM Service Manual Online
For 1990-2009 cars only
Figure 1:

Blower Controls


Object Number: 699958  Size: FS
Master Electrical Component List
Air Temperature Description and Operation
A/C Compressor Clutch Coil, Relay, Diode and High Pressure Cutoff Switch
Ign ACC, RUN and RAP Bus Bar
AUX PWR, RDO BATT and HDLP SW Fuses
AUX PWR, RDO BATT and HDLP SW Fuses
HVAC Vacuum Control Solenoid Valve Assembly and Electric Actuator
SP201 (2.2L)
G203 and G204 (Pickup)
Headlight Leveling Schematics (Export)
ILLUM Fuse 12
B+ Bus Bar
Pulse Wipers
Speed Sensors
Speed Sensors
G203 and G204 (Utility w/ Automatic A/C)
Figure 2:

A/C Compressor Clutch Coil, Relay, Diode and High Pressure Cutoff Switch


Object Number: 699960  Size: FS
Master Electrical Component List
Air Temperature Description and Operation
ECC Module and Temperature Sensors
Blower Controls
B+ Bus Bar
IGN E Fuse and A/C Compressor, Rear Defogger, DRL Relays
SP201 (2.2L)
G102 (Except Export)
Heated Oxygen Sensors
G103 and G105 (2.2 L)
G103 and G105 (2.2 L)
Figure 3:

ECC Module and Temperature Sensors


Object Number: 669719  Size: FS
Master Electrical Component List
Air Temperature Description and Operation
HVAC Vacuum Control Solenoid Valve Assembly and Electric Actuator
A/C Compressor Clutch Coil, Relay, Diode and High Pressure Cutoff Switch
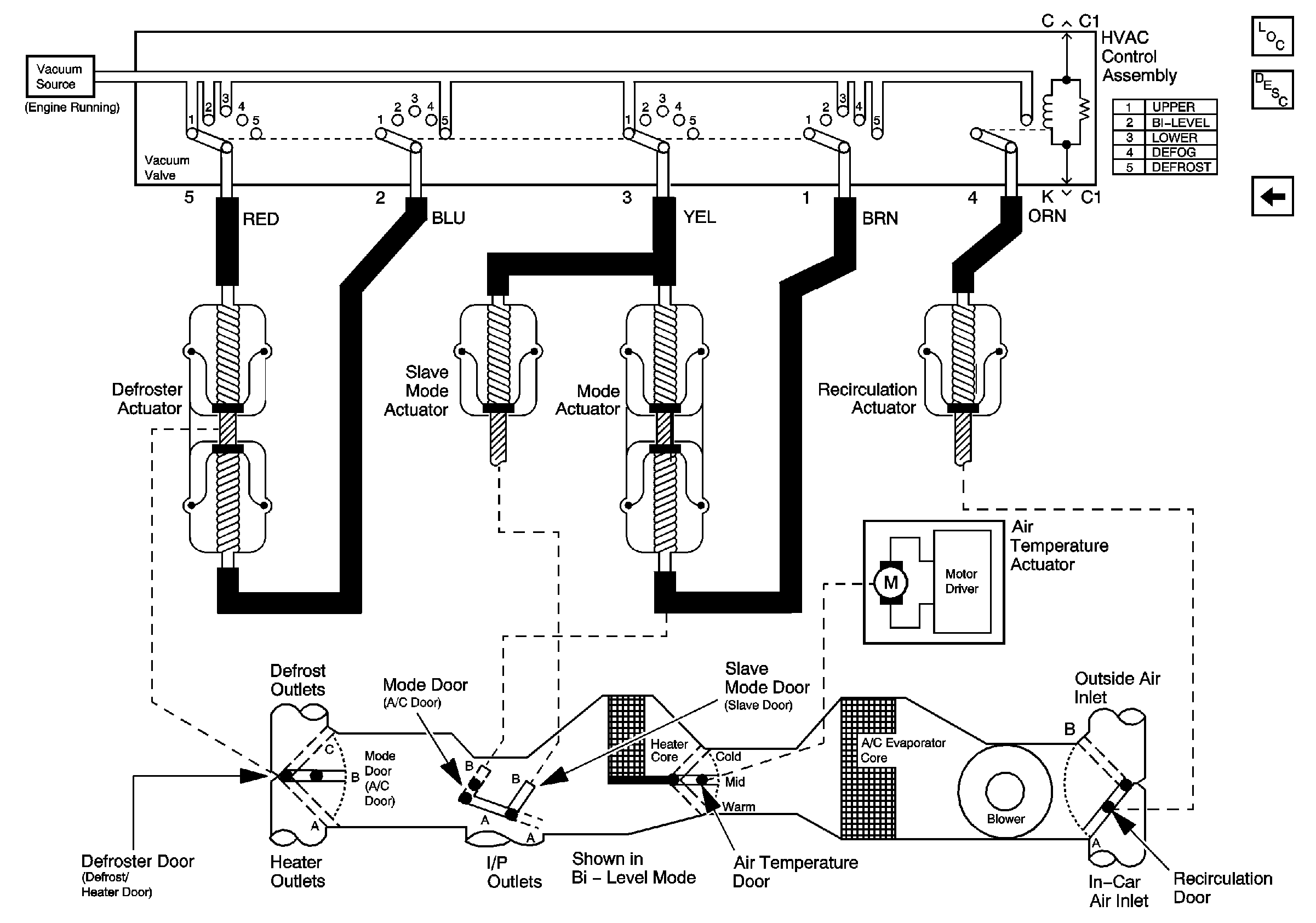
Figure 4:

HVAC Vacuum Control Solenoid Valve Assembly and Electric Actuator


Object Number: 669721  Size: FS
Master Electrical Component List
Air Temperature Description and Operation
ECC Module and Temperature Sensors
Blower Controls
Automatic Day-Night Mirror Schematics
G202 (Pickup Except Crew Cab)
Figure 5:

Air Delivery System


Object Number: 709730  Size: FS
Master Electrical Component List
Air Delivery Description and Operation
HVAC Vacuum Control Solenoid Valve Assembly and Electric Actuator