GM Service Manual Online
For 1990-2009 cars only
Makes
🢒
Chevrolet
🢒
2001
🢒
Blazer - 2WD
🢒 w/o Trip Computer
w/o Trip Computer
w/o Trip Computer
Master Electrical Component List
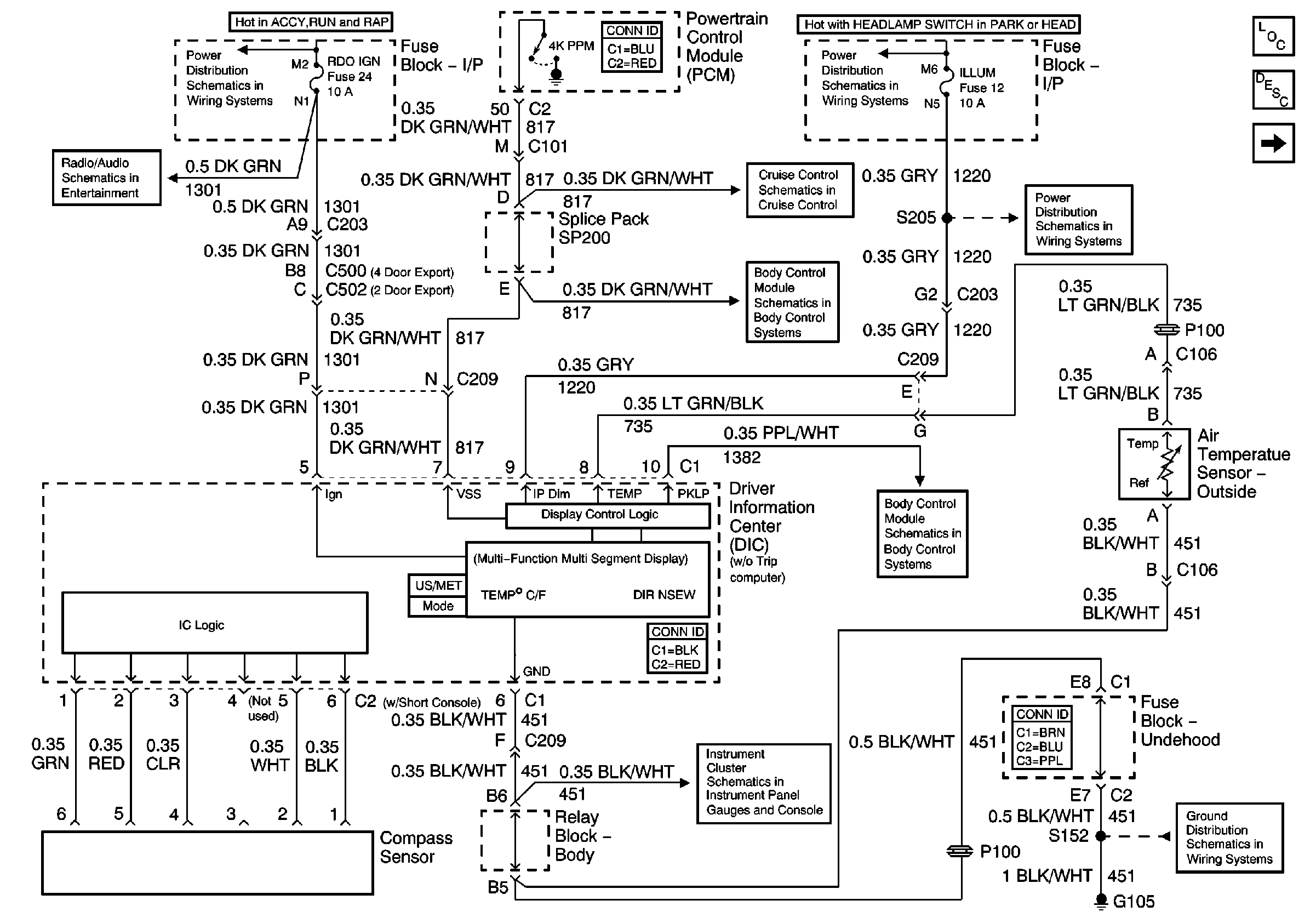
Driver Information Center (DIC) Description and Operation
Power and Ground (w/ Trip Computer)
Ign ACC, RUN and RAP Bus Bar
Power (Chevy/GMC)
ILLUM and PARK LP Fuses
Clutch Pedal Position Switch, Stoplamp Switch, PCM and Cruise Control Module
Seat Belt Switch, Headlamp Ambient Light Sensor and PCM
ILLUM Power (Utility)
Power and Ground
Automatic Transmission Preference Switch
G103 and G105 (4.3 L)