GM Service Manual Online
For 1990-2009 cars only
Makes
🢒
Chevrolet
🢒
2000
🢒
Chevy C Pickup - 2WD
🢒 A/C Compressor Controls
A/C Compressor Controls
A/C Compressor Controls
Engine Controls Components
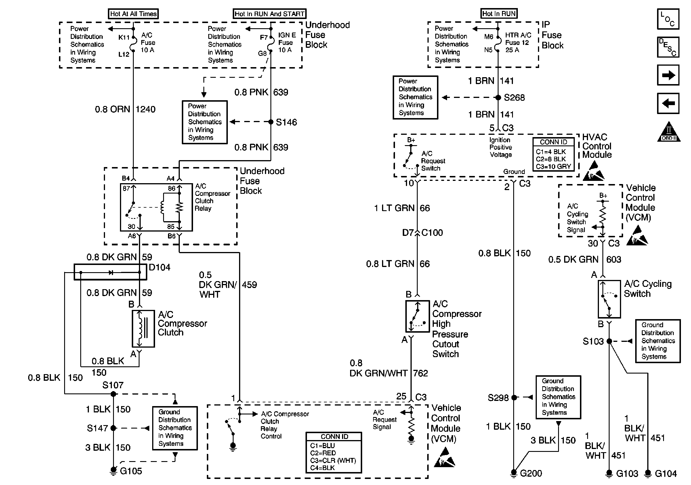
HVAC Compressor Controls Circuit Description
Auxiliary Engine Cooling Fan Control (Export), A/C Recirc Door Control
A/T Internal Switches, TFT, PC Solenoid (Both Transmissions)
OBD II Symbol Description Notice
Handling ESD Sensitive Parts Notice
Handling ESD Sensitive Parts Notice
Handling ESD Sensitive Parts Notice
G103 and G104
G105 (1 of 2)
Battery, and Underhood Fuse Block
IGN A Fuse and Ignition Switch
IGN E Fuse
BRAKE and HTR-A/C Fuses
IGN B Fuse and Ignition Switch
Cell 14: G200 (4 of 4)