GM Service Manual Online
For 1990-2009 cars only
Makes
🢒
Chevrolet
🢒
2000
🢒
Chevy C Pickup - 2WD
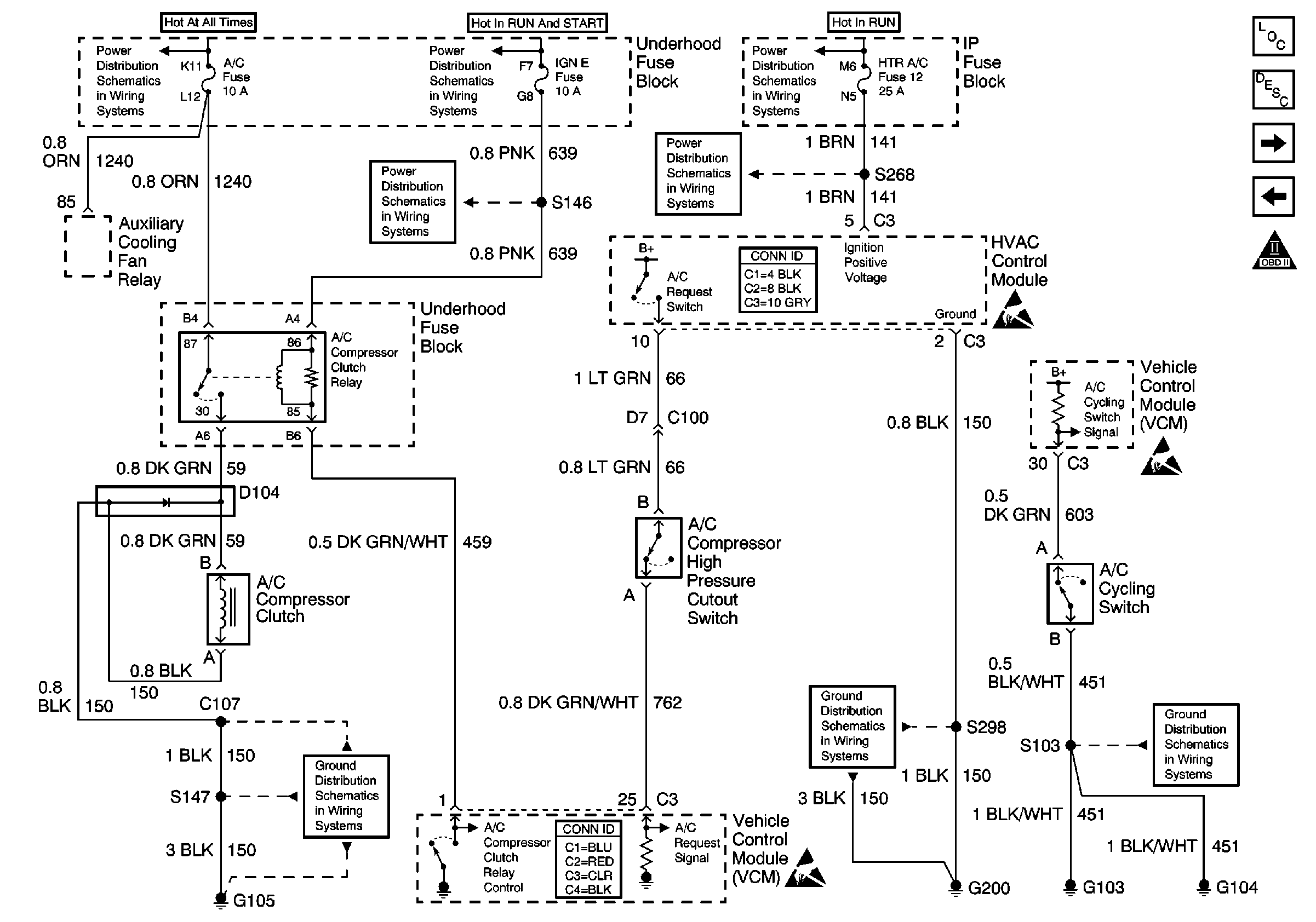
🢒 A/C Compressor Control
A/C Compressor Control
A/C Compressor Control
Engine Controls Components
HVAC Compressor Controls Circuit Description
Auxiliary Engine Cooling Fan Control
A/T Controls-Shift Solenoids, TCC/Stoplamp Switch
OBD II Symbol Description Notice
Battery, and Underhood Fuse Block
IGN A Fuse and Ignition Switch
IGN B Fuse and Ignition Switch
BRAKE and HTR-A/C Fuses
IGN E Fuse
G105 (1 of 2)
Cell 14: G200 (4 of 4)
Handling ESD Sensitive Parts Notice
Handling ESD Sensitive Parts Notice
Handling ESD Sensitive Parts Notice
Cell 14: G103 and G104