GM Service Manual Online
For 1990-2009 cars only
Makes
🢒
Chevrolet
🢒
2002
🢒
Chevy C Silverado - 2WD
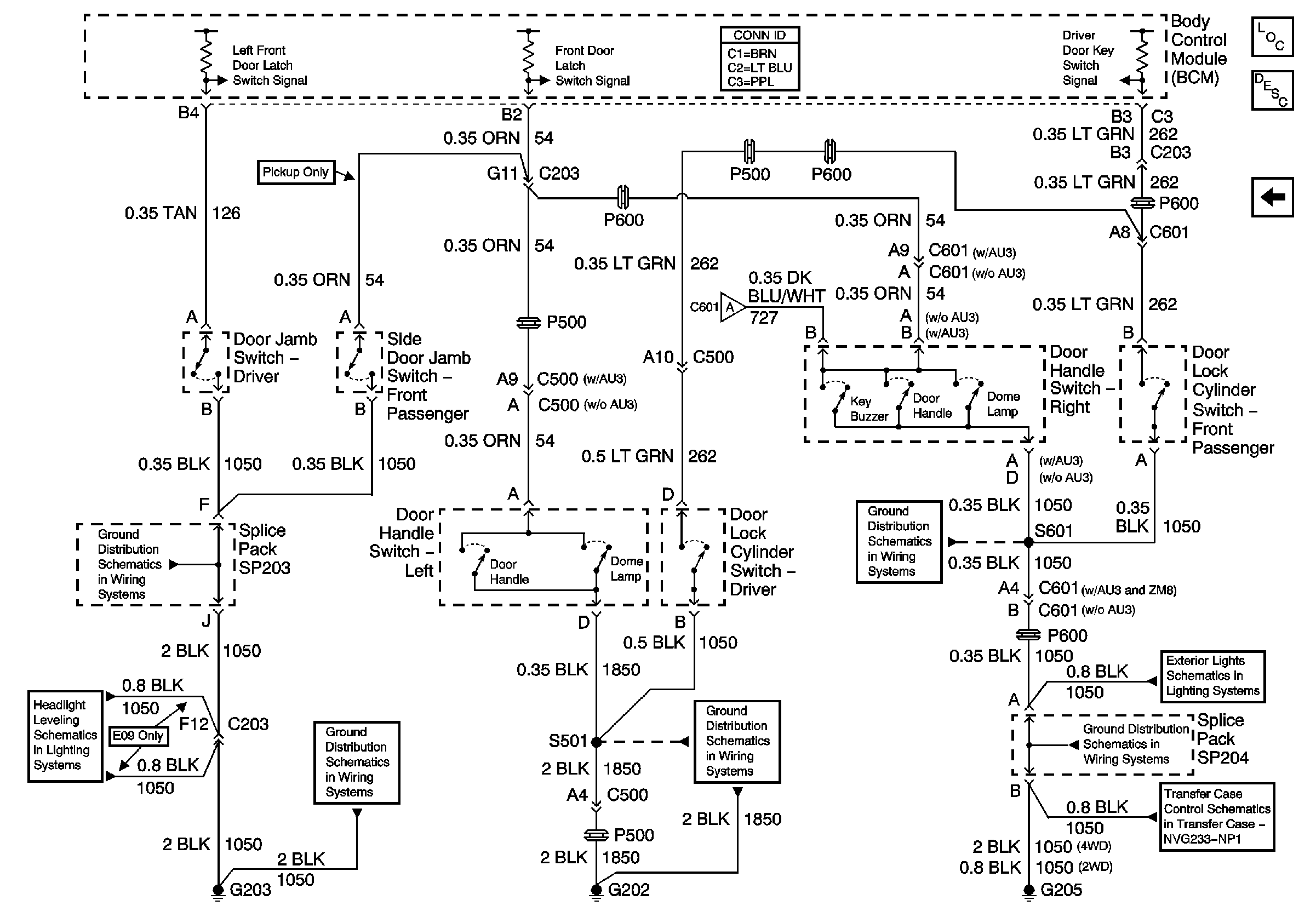
🢒 Door Handle Switch Inputs
Door Handle Switch Inputs
Door Handle Switch Inputs
Master Electrical Component List
Theft Systems Description and Operation
Door Jamb Switch Inputs
G203 and G204 (Pickup)
Headlight Leveling Schematics
G203 and G204 (Pickup)
Door Jamb Switch Inputs
G205 (Utility and Crew Cab)
G202 (Pickup Except Crew Cab)
Multifunction Switch and Turn Signal Lamp Flasher
G205 (Utility and Crew Cab)
Power and Ground