GM Service Manual Online
For 1990-2009 cars only

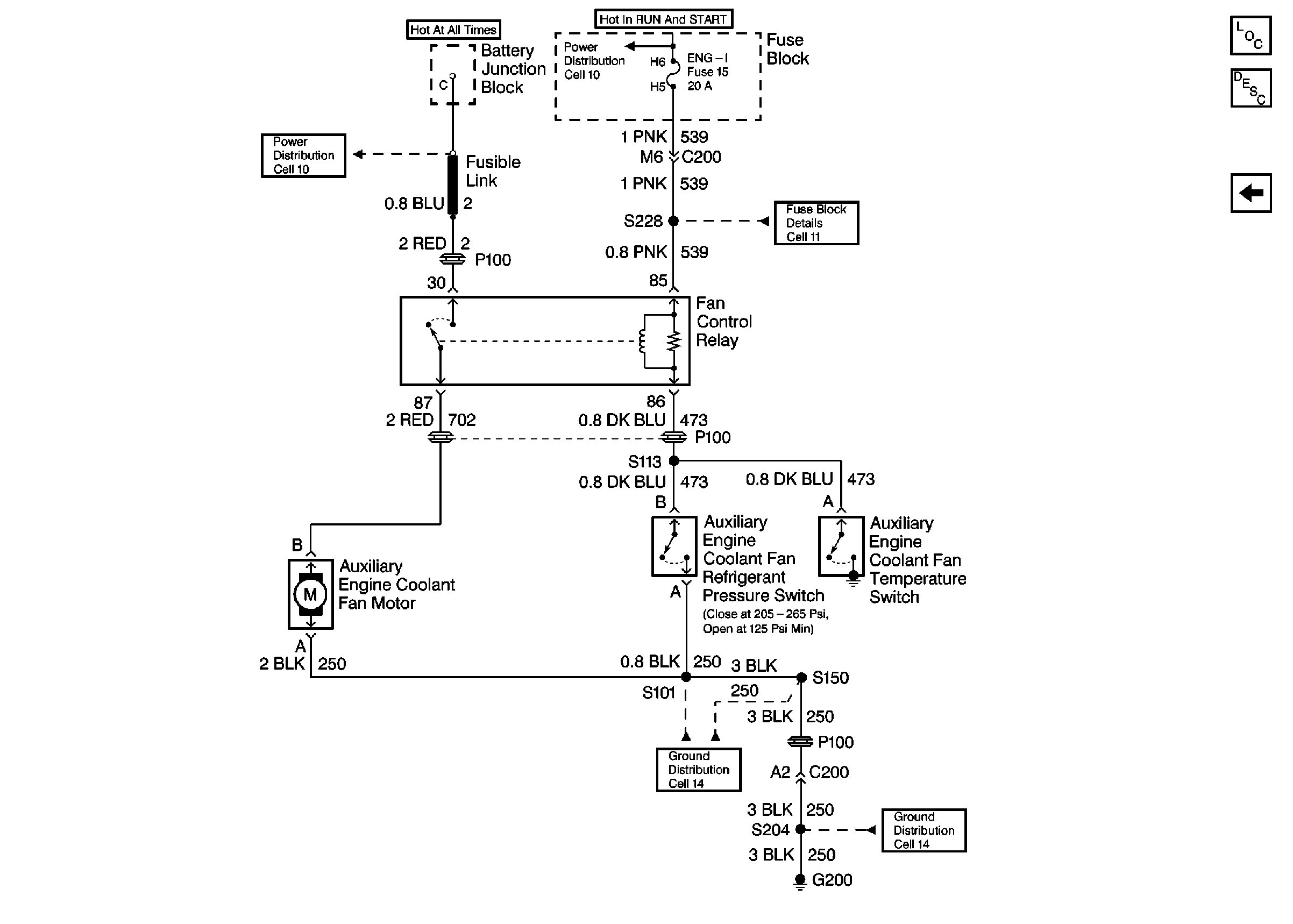
Cooling Fan Schematics P42

Figure 1:

Cell 31: L57 Aux. Cooling Fan Control


Object Number: 395922  Size: FS
Cooling System Components P42
Engine Cooling Fan Description - Electric
Cell 10: Battery, Starter and Junction Block
Cell 10: Ignition Switch and Fuse Block
Cell 11: GAUGES and TRANS fuses
Cell 14: G200
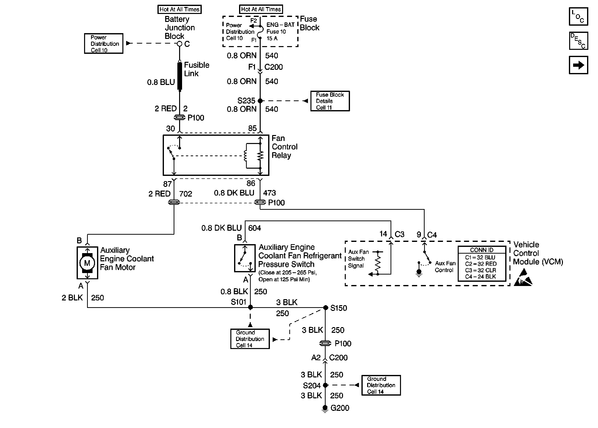
Fuse Block Schematics P32
Figure 2:

Cell 31: L29 Aux. Cooling Fan Control


Object Number: 397512  Size: FS
Cooling System Components P32
Engine Cooling Fan Description - Electric
Cell 31: Diesel Aux. Cooling Fan Control
Cell 10: Battery, Starter and Junction Block
Cell 10: Fuse Block
Cell 11: ENG-BAT and ECM-BAT fuses
Handling ESD Sensitive Parts Notice
Cell 14: G200
Cell 14: S150 and S101 [L29]
Figure 3:

Cell 31: L65 Aux. Cooling Fan Control


Object Number: 395911  Size: FS
Cooling System Components P32
Engine Cooling Fan Description - Electric
Cooling Fan Schematics P42
Cell 10: Battery, Starter and Junction Block
Fuse Block Schematics P32
Fuse Block Schematics P32
Cell 14: G200
Cell 14: S150 and S101 [L65]

Cooling Fan Schematics P32

Figure 1:

Cell 31: Gas Aux. Cooling Fan Control


Object Number: 397512  Size: FS
Cooling System Components P32
Engine Cooling Fan Description - Electric
Cell 31: Diesel Aux. Cooling Fan Control
Cell 10: Battery, Starter and Junction Block
Cell 10: Fuse Block
Cell 11: ENG-BAT and ECM-BAT fuses
Handling ESD Sensitive Parts Notice
Cell 14: G200
Cell 14: S150 and S101 [L29]
Figure 2:

Cell 31: Diesel Aux. Cooling Fan Control


Object Number: 395911  Size: FS
Cooling System Components P32
Engine Cooling Fan Description - Electric
Cell 31: Gas Aux. Cooling Fan Control
Cell 10: Battery, Starter and Junction Block
Cell 10: Ignition Switch and Fuse Block
Cell 11: ENG-I fuse
Cell 14: G200
Cell 14: S150 and S101 [L65]