GM Service Manual Online
For 1990-2009 cars only
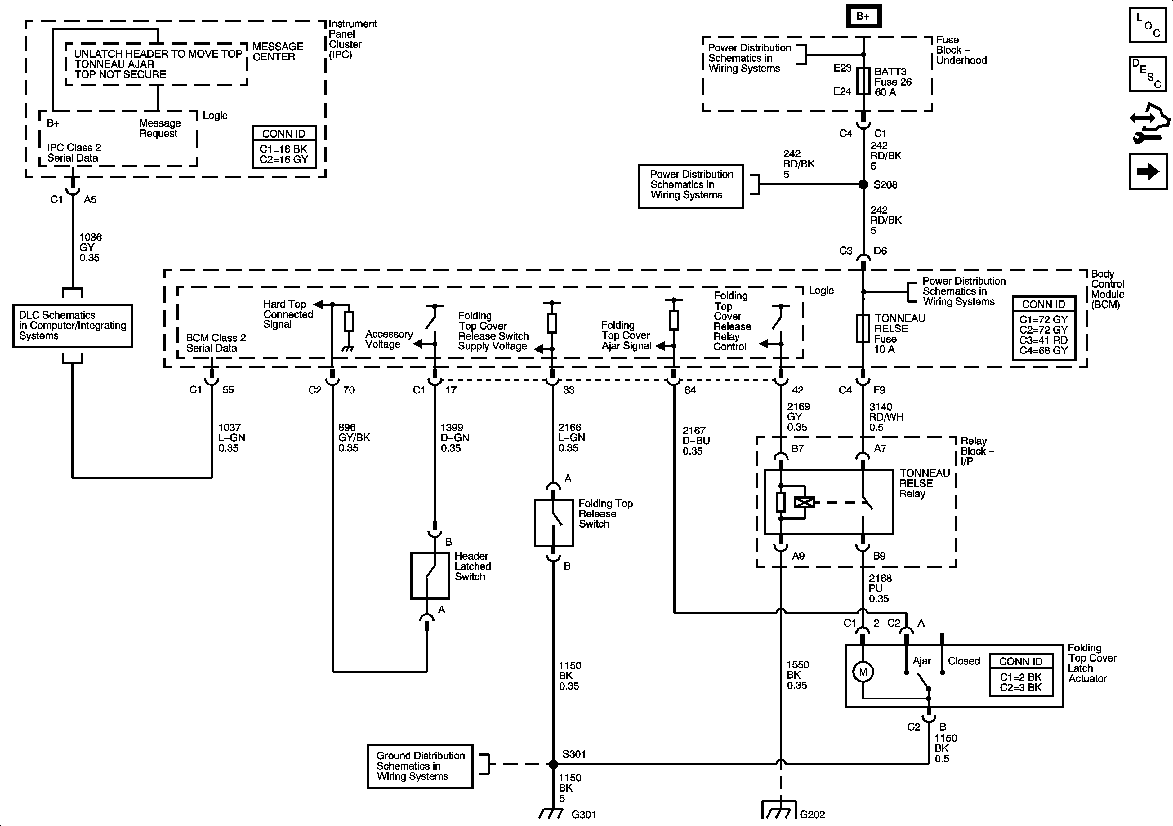
Figure 1:

Power, Ground, DLC, and Folding Top Controls (w/o CM7)


Object Number: 1580465  Size: FS
Master Electrical Component List
Folding Top Manual Operation
Control Module References
Power, Ground, DLC and Folding Top Lid Controls
Fuse Block-Underhood Bussing
Fuse Block-Underhood Fuses; BATT3, STOP/BU/LPS, BCM Fuses; BTSI SOL,COL LOCK, RADIO/S-BAND/VICS, TONNEAU RELEASE, REAR FOG/ALDL TOP SW, REVERSE LAMPS
Fuse Block-Underhood Fuses; BATT3, STOP/BU/LPS, BCM Fuses; BTSI SOL,COL LOCK, RADIO/S-BAND/VICS, TONNEAU RELEASE, REAR FOG/ALDL TOP SW, REVERSE LAMPS
Class 2
G301
G301
G202 1 of 2
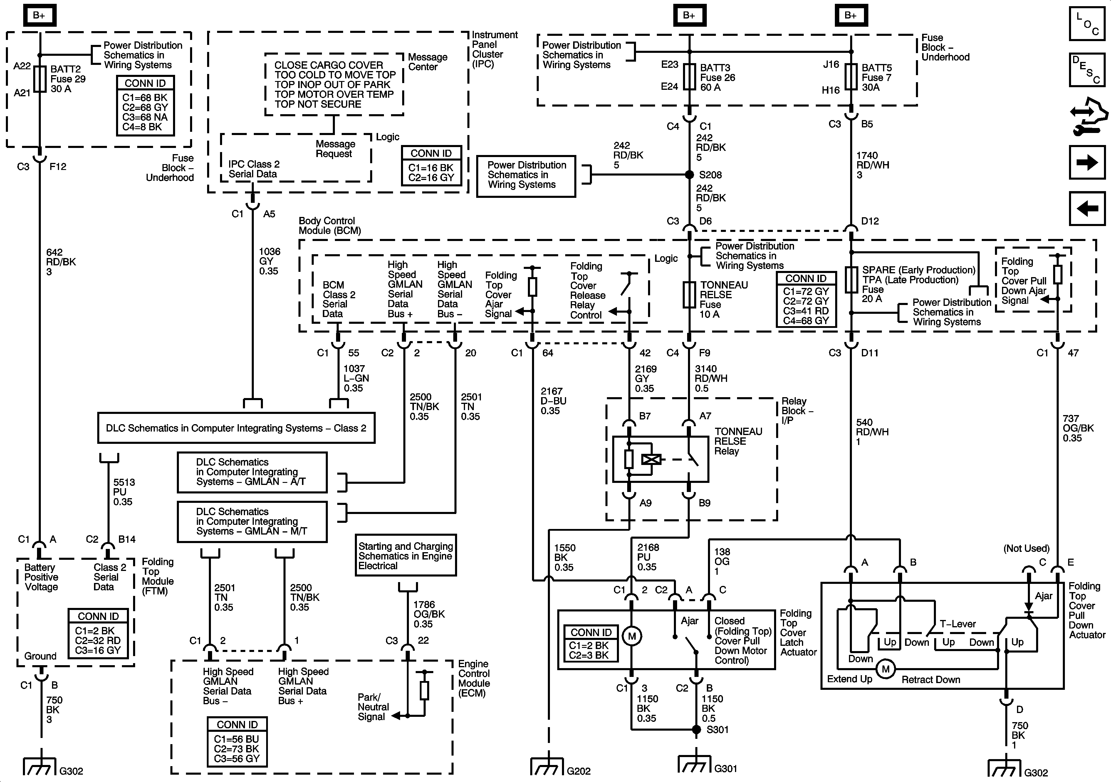
Figure 2:

Power, Ground, DLC and Folding Top Lid Controls


Object Number: 1442886  Size: FS
Master Electrical Component List
Power Folding Top Description and Operation
Control Module References
Switches (CM7)
Power, Ground, DLC, and Folding Top Lid Controls (w/o CM7)
Fuse Block-Underhood Bussing
Fuse Block-Underhood Bussing
Fuse Block-Underhood Fuses; BATT3, STOP/BU/LPS, BCM Fuses; BTSI SOL,COL LOCK, RADIO/S-BAND/VICS, TONNEAU RELEASE, REAR FOG/ALDL TOP SW, REVERSE LAMPS
Fuse Block-Underhood Fuses; BATT3, STOP/BU/LPS, BCM Fuses; BTSI SOL,COL LOCK, RADIO/S-BAND/VICS, TONNEAU RELEASE, REAR FOG/ALDL TOP SW, REVERSE LAMPS
Fuse Block-Underhood Fuse; BATT5, BCM Fuses; TILT TELE SW/ MEM SEAT MOD, DRIV DR SW, IGNITION SW/ INTR SENS, ONSTAR, TONNEAU PULLDOWN ACTUATOR
Class 2
GMLAN - A/T
GMLAN - M/T
Cranking (1of2)
G302, G401 and G402
G202 1 of 2
G301
G302, G401 and G402
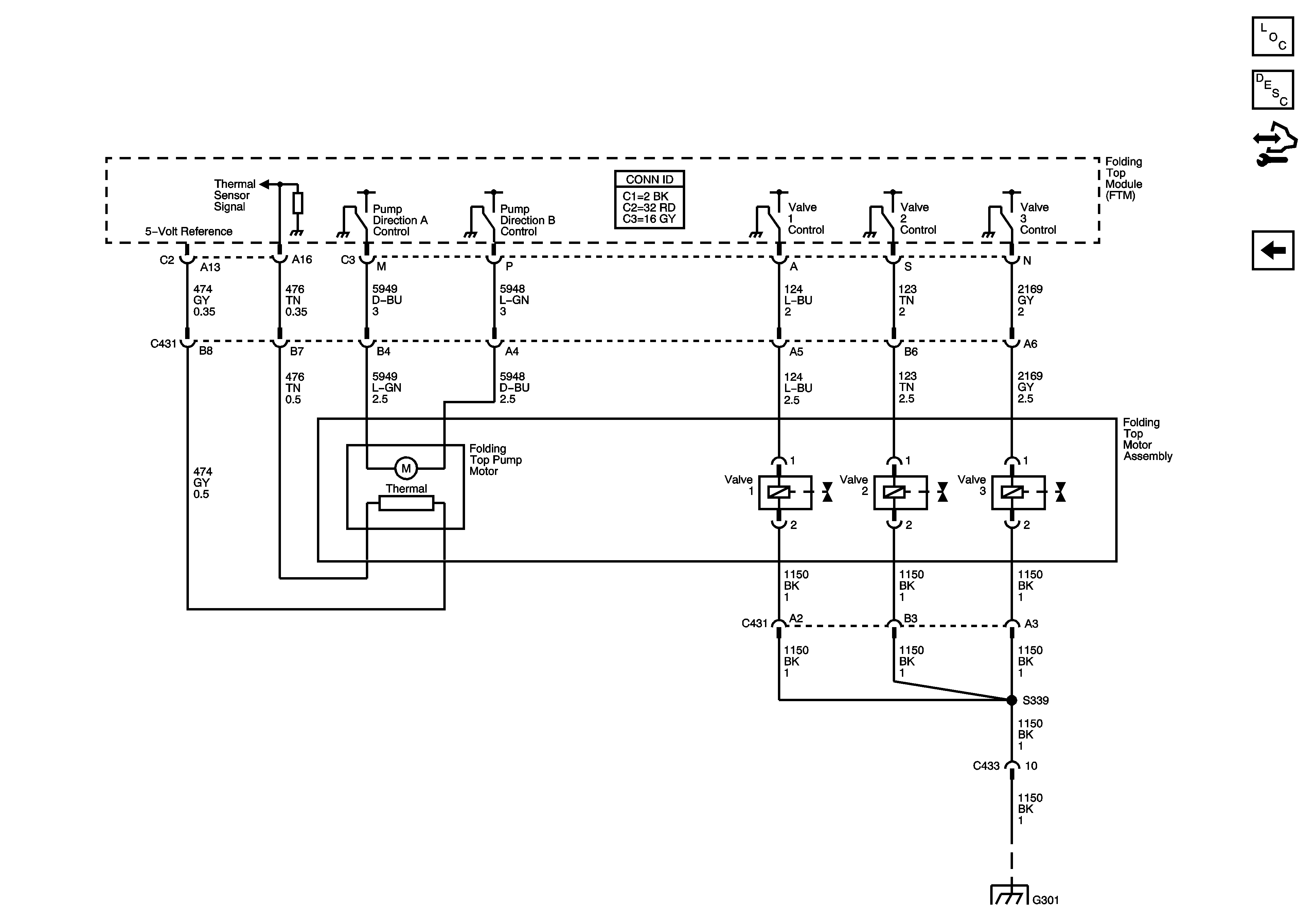
Figure 3:

Switches (CM7)


Object Number: 1442896  Size: FS
Master Electrical Component List
Power Folding Top Description and Operation
Control Module References
Valves and Pump (CM7)
Power, Ground, DLC and Folding Top Lid Controls
Fuse Block-Underhood Bussing
Fuse Block-Underhood Fuses; BATT3, STOP/BU/LPS, BCM Fuses; BTSI SOL,COL LOCK, RADIO/S-BAND/VICS, TONNEAU RELEASE, REAR FOG/ALDL TOP SW, REVERSE LAMPS
Fuse Block-Underhood Fuses; BATT3, STOP/BU/LPS, BCM Fuses; BTSI SOL,COL LOCK, RADIO/S-BAND/VICS, TONNEAU RELEASE, REAR FOG/ALDL TOP SW, REVERSE LAMPS
Power, Ground, DLC, Audio Amplifier, Radio, Audio Signals, and Front Speakers (U65)
Figure 4:

Valves and Pump (CM7)


Object Number: 1442901  Size: FS
Master Electrical Component List
Power Folding Top Description and Operation
Control Module References
Switches (CM7)
G301